Автор Тема: Нужна схема для гитары, специфическая  (Прочитано 2682 раз)

0 Пользователей и 1 Гость просматривают эту тему.

Оффлайн OFFSPRINGER3 Автор темы

  • Новичок
  • *
  • Сообщений: 6
  • Let's rock!
Добрый день уважаемые форумчане! Столкнулся с проблемой поиска схемы для такого сетапа:

Два сингловых звукоснимателя
Три ручки

переключателей никаких нет (свичей), и врезать я их не буду, не хочу корпус поганить.

Вопрос как спаять, чтобы было следующим образом:
1-громкость некового датчика
2-громкость бриджевого датчика
3-общий тон

Я пробовал делать по схеме - громкость\тон + подпаивал еще громкость паралельно первому, но схема как-то странно себя вела.
Поэтому нужна помощь, спасибо!
« Последнее редактирование: Октября 06, 2021, 12:17:22 от OFFSPRINGER3 »

Оффлайн OFFSPRINGER3 Автор темы

  • Новичок
  • *
  • Сообщений: 6
  • Let's rock!
Re: Нужна схема для гитары, специфическая
« Ответ #1 : Октября 07, 2021, 11:18:20 »
Ответа пока недождался, схема от джаз баса подойдет для обычной гитары? как думаете?

Оффлайн Valentine Silvansky

  • Эксперт
  • *****
  • Сообщений: 2250
  • Импровизатор-Экспериментатор
    • Канал на ютубе (музыка, обзоры, эксперименты)
Re: Нужна схема для гитары, специфическая
« Ответ #2 : Октября 07, 2021, 11:27:15 »
Да, схема от джазбаса пойдёт, с поправкой на номинал потенциометров. А так две независимые громкости делаются стандартно.

Оффлайн Denn

  • Ветеран форума
  • ******
  • Сообщений: 3339
  • είμαι ο μουσικός και ο ραδιομηχανίκός
Re: Нужна схема для гитары, специфическая
« Ответ #3 : Октября 07, 2021, 11:59:30 »
Переключать датчики двумя ручками громкости дико неудобно!
Настоятельно рекомендую поставить "гитарный" тумблер на три положения, общую Громкость и общий Тон. Ибо практично.

Оффлайн Valentine Silvansky

  • Эксперт
  • *****
  • Сообщений: 2250
  • Импровизатор-Экспериментатор
    • Канал на ютубе (музыка, обзоры, эксперименты)
Re: Нужна схема для гитары, специфическая
« Ответ #4 : Октября 07, 2021, 12:43:22 »
Переключать датчики двумя ручками громкости дико неудобно!
Настоятельно рекомендую поставить "гитарный" тумблер на три положения, общую Громкость и общий Тон. Ибо практично.
Зато удобно смешивать датчики в нужной пропорции. ;)
Вполне норм включить нек на 100%, к нему подмешать бридж на 40-50%. Особенно если они в противофазе.

Оффлайн VT62

  • Ветеран форума
  • ******
  • Сообщений: 4842
  • не ел настоящих бигмаков с 14 марта 2022г
Re: Нужна схема для гитары, специфическая
« Ответ #5 : Октября 07, 2021, 14:22:40 »
никак в пассиве не сделать "смешивание" датчиков.

Оффлайн Valentine Silvansky

  • Эксперт
  • *****
  • Сообщений: 2250
  • Импровизатор-Экспериментатор
    • Канал на ютубе (музыка, обзоры, эксперименты)
Re: Нужна схема для гитары, специфическая
« Ответ #6 : Октября 07, 2021, 15:24:44 »
никак в пассиве не сделать "смешивание" датчиков.
Скажите это в лицо гитаре Gibson Les Paul. Там в среднем положении переключателя вполне себе смешиваются. ;)

Оффлайн VT62

  • Ветеран форума
  • ******
  • Сообщений: 4842
  • не ел настоящих бигмаков с 14 марта 2022г
Re: Нужна схема для гитары, специфическая
« Ответ #7 : Октября 07, 2021, 16:09:53 »
да плевал я на гипсон. тоже мне авторитет.  хотя сам Лес Пол мне очень симпатичен.

что там смешивается? ничего там не смешивается. в максимальном положении ручек как и у страта в положении 2 и 4 уполовинивается индуктивность - то есть общий резонанс повышается раза в полтора. а должны оставаться на местах если были несколько разные.
а средних положениях резонансы демпфируются нагружаясь на сопротивление пота. смешивание есть - но не смешивание оригинальных звучаний датчиков. это уже безрезонансная вата.
это если мы говорим о схеме с обратным включением потов.


Оффлайн OFFSPRINGER3 Автор темы

  • Новичок
  • *
  • Сообщений: 6
  • Let's rock!
Re: Нужна схема для гитары, специфическая
« Ответ #8 : Октября 07, 2021, 17:52:40 »
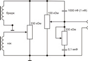
Отчет, попробовал 2 схемы, от джазбаса все работает, но звук не понравился, очень звонкий и какой-то неприятный, какбуд-то с легким овером. Вот еще схему нашел на просторах инета, работает, поты такие у себя не нашел, поэтому поставил 500ком, звук приятнее, естественнее, но схема странная, бридж всегда включеный а нек можно подмешивать. Может еще какие варианты подкините, только без переключателей
2я схема
« Последнее редактирование: Октября 07, 2021, 17:54:28 от OFFSPRINGER3 »

Оффлайн Shade

  • Живу на форуме
  • *******
  • Сообщений: 37876
  • Гитарный мастер Сураев
Re: Нужна схема для гитары, специфическая
« Ответ #9 : Октября 07, 2021, 23:05:21 »
Кроме как джазбасовский распай тут не предложить. И потцы 500к таки лучше , да.

А после, Вопрос так себе звука, это уже к датчикам и усилению

Оффлайн VT62

  • Ветеран форума
  • ******
  • Сообщений: 4842
  • не ел настоящих бигмаков с 14 марта 2022г
Re: Нужна схема для гитары, специфическая
« Ответ #10 : Октября 08, 2021, 10:18:58 »
можно еще вывести в стереоразъем через отдельные громкости. это если в ЗК гитару включать. вот тогда будет настоящее смешивание. тонпот чтобы работал с двумя каналами  сделать на базе сдвоенного пота.

Оффлайн ignobel

  • Частый посетитель
  • **
  • Сообщений: 146
Re: Нужна схема для гитары, специфическая
« Ответ #11 : Октября 09, 2021, 22:10:38 »
Отчет, попробовал 2 схемы, от джазбаса все работает, но звук не понравился, очень звонкий и какой-то неприятный, какбуд-то с легким овером. Вот еще схему нашел на просторах инета, работает, поты такие у себя не нашел, поэтому поставил 500ком, звук приятнее, естественнее, но схема странная, бридж всегда включеный а нек можно подмешивать. Может еще какие варианты подкините, только без переключателей
2я схема
1.Странно, что жабовская схема не понравилась.
Эта схема блямкать ещё сильнее должна, ибо тонкомпенсация и потц 100К.
2. А почему бы заместо одного потца не воткнуть теребоньку леспольную ?
« Последнее редактирование: Октября 09, 2021, 22:12:57 от ignobel »

Оффлайн Сергий Ширшов

  • Эксперт
  • *****
  • Сообщений: 1728
Re: Нужна схема для гитары, специфическая
« Ответ #12 : Октября 17, 2021, 00:13:55 »
del
« Последнее редактирование: Октября 17, 2021, 00:40:16 от Сергий Ширшов »

Оффлайн Valentine Silvansky

  • Эксперт
  • *****
  • Сообщений: 2250
  • Импровизатор-Экспериментатор
    • Канал на ютубе (музыка, обзоры, эксперименты)
Re: Нужна схема для гитары, специфическая
« Ответ #13 : Октября 18, 2021, 08:48:31 »
2. А почему бы заместо одного потца не воткнуть теребоньку леспольную ?
Я так понимаю, ТС хочет именно бленд датчиков, иначе зачем это городить ещё? )
Я тоже хотел себе подобную схему сделать, но сделал в итоге попроще (и похуже, хехе) и не нашёл применения. Я сделал мод Гилмора на трёхпозиционнике on-off-on, в одну сторону нековый датчик отправляется на громкость (стандартный мод Гилмора), в другую сторону он отправляется минуя громкость на выход. В итоге можно подмешивать бридж или бридж-миддл к неку, но в нулевом положении громкости звук пропадает, конечно. Прикольно, но на практике не пользуюсь. Заменю на on-off как-нибудь, чтобы просто мод Гилмора остался.

Оффлайн Сергий Ширшов

  • Эксперт
  • *****
  • Сообщений: 1728
Re: Нужна схема для гитары, специфическая
« Ответ #14 : Октября 18, 2021, 10:47:24 »
На самом деле, ничего не мешает взять современную леспольную схему распайки с её номиналами крутилок 500кОм и конденсатором тембра .022μF, просто исключив из схемы переключатель (зафиксировав его среднее положение) и один тон.
« Последнее редактирование: Октября 18, 2021, 10:54:42 от Сергий Ширшов »