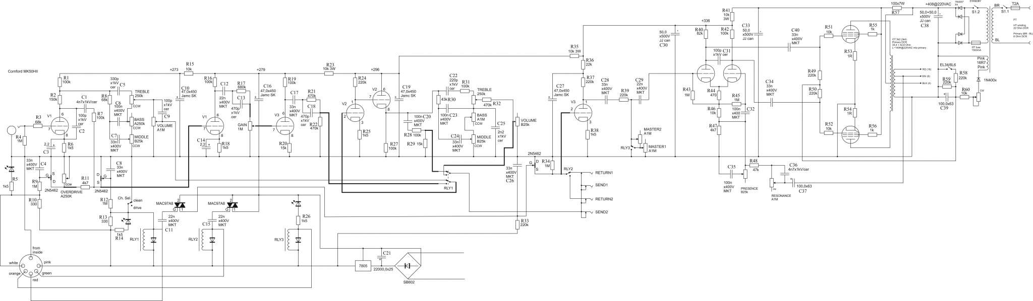
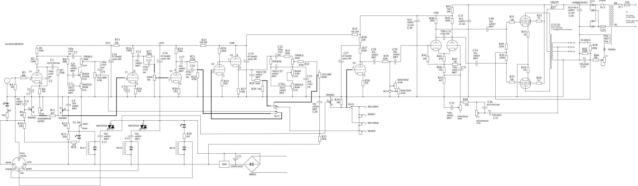
Вот запилил налетай кому надо.

Предупреждаю что шасси должно быть 510 длинна ширина 155мм и высота 78мм.Делаю фальш панель из двух частей, на куске металла ,получается как накладка из тонкого металла 1мм , и на него декальная наклейка из двух частей.
Вот готовый арлекин шасси


Очень клево получилось, держи плюс

Demonoid этому человеку огромный респект попил бы пиво с ним на студии и послушал бы наш самодел .Кстати из всех выходных трансов из русских типо твз -твк-тв-зш вкатил твк с железом поболее как у двухтакта ригонды весщщ.
Я так понимаю что благодарность в мою сторону

, но на самом деле я не единственный кто участвовал в снятии схемы и ее отрисовке, делали всем миром, много кто помогал, лейку Арлика на сколько я помню вроде бы делал
Extremist,
AZG подсказывал по номиналам и схеме,
Alkuz шикарное руководство составил
http://alkuz1961.narod.ru/Cornford_Harequin.html , без
Shrila не было б карреры... Да еще много кто помогал, так что справедливо будет поблагодарить и остальных

А вообще надо бы все в порядок привести, все известные схемы, лейки и фотки по Корнфордам собрать в одном месте, в первом посту темы например, или новую тему создать а тут обсуждение, чтобы не искать их среди 170-ти страниц темы или в гугле, плюс может быть актуализировать (перерисовать) все схемы и лейки, сделать сноски по экземплярам, уточнения, чтобы не путалось в будущем все. Постараюсь сделать, как только время свободное будет, сейчас увы , его мало
