Автор Тема: Клуб любителей намотать трансформатор  (Прочитано 430862 раз)

melon, Dying Fetus и 6 Гостей просматривают эту тему.

Оффлайн kdtp

  • Завсегдатай
  • ***
  • Сообщений: 316
  • Виктор.
Re: Клуб любителей намотать трансформатор
« Ответ #810 : Апреля 28, 2016, 16:41:23 »
К сожалению, это не так. И тут в топике это обсуждалось.
Полностью согласен!

Оффлайн Vlad.ai

  • Новичок
  • *
  • Сообщений: 17
  • GuitarPlayer.Ru fan!
Re: Клуб любителей намотать трансформатор
« Ответ #811 : Апреля 28, 2016, 19:13:51 »
Vlad.ai  - А какая версия ТС- 40 - есть на ПЛ железе(16-32 или 22-32) - есть на Ш железе( УШ19-51) Целых три версии. Разные 3 характеристики. Поставь SpectraPLUS 5.0 - можно все померить и исследовать! А ОСМ1 - 24-25мм. Но, как я понял у тебя эта прога стоит. Я тоже в ней все исследую. Главное еще нагрузку без индуктивную иметь.
ТС-40 -3 ПЛ железо.А вот нагрузка индуктивная переменник на 25вт проволочный - не думаю что на НЧ частотах индуктивность влияет на качество - ведь нам практически более 20кгц не нужно .  Спасибо посмотрю прогу .  Да еще понял такую вещь - чем больше индуктивность ,а она от железа точнее его толщины набора зависит , тем больше низов . Трансы секционираваны  1-700 ,2-65 , 1-600 .2 -65 ,1-600 , 2-65 ,1-700 .
Соединены последовательно первички ,а вторички в параллель , ну вот и всё УНЧ в классе А -14вт и 18вт при 10 процентах искажений .
Хватит про мои а то тут тема гитарные , имею Beag - отремонтировал и стоит -как музейный экспонат , а в нем на Ш образном намотан .
А вот интересно тут есть про станки намоточные тема ? Извините если не в теме .
« Последнее редактирование: Апреля 28, 2016, 19:22:43 от Vlad.ai »

Оффлайн Заботин

  • Новичок
  • *
  • Сообщений: 63
  • Zabotin
Re: Клуб любителей намотать трансформатор
« Ответ #812 : Мая 02, 2016, 22:13:14 »
Ребята! Вот я намотал выходной транс и сравнил его с Ерасовым ТП208-1331Р - емкость анодной обмотки почти 5800пф( я имею ввиду на землю- вторичную обмотку), а у Ерасова - 600пф. Может кто знает моточные данные ТП208-1331Р и схему укладки обмоток? Вот схема моего транса.
[url=http://postimg.cc/]
]Ребята! Вот я намотал выходной транс и сравнил его с Ерасовым ТП208-1331Р - емкость анодной обмотки почти 5800пф( я имею ввиду на землю- вторичную обмотку), а у Ерасова - 600пф. Может кто знает моточные данные ТП208-1331Р и схему укладки обмоток? Вот схема моего транса.

« Последнее редактирование: Мая 02, 2016, 22:19:05 от Заботин »

Оффлайн Валентин Гаврилов

  • Эксперт
  • *****
  • Сообщений: 2453
  • Long live Rock-n-Roll !!
Re: Клуб любителей намотать трансформатор
« Ответ #813 : Мая 02, 2016, 22:23:05 »
Много секций для гитарного . При 5-ти секциях у меня 1000пф получилось и полоса до 58 кгц . Вполне хватает .

Оффлайн Заботин

  • Новичок
  • *
  • Сообщений: 63
  • Zabotin
Re: Клуб любителей намотать трансформатор
« Ответ #814 : Мая 02, 2016, 22:24:21 »
Мне тоже, кажется надо убрать первую и последнюю вторичные обмотки. Так ли? Т.е. пересчитать вторичку, но первую и последнюю убрать. Похоже именно они дают такую емкость.
« Последнее редактирование: Мая 02, 2016, 22:26:02 от Заботин »

Оффлайн Валентин Гаврилов

  • Эксперт
  • *****
  • Сообщений: 2453
  • Long live Rock-n-Roll !!
Re: Клуб любителей намотать трансформатор
« Ответ #815 : Мая 02, 2016, 22:28:34 »
Ну , часть вторички - пол первички-часть вторички-пол первички -часть вторички . И межобмоточную изоляцию 0,4-0,5 мм 

Оффлайн Заботин

  • Новичок
  • *
  • Сообщений: 63
  • Zabotin
Re: Клуб любителей намотать трансформатор
« Ответ #816 : Мая 02, 2016, 22:38:44 »
А вот где то на сайте я увидел вот эту диаграмму. Это одинаково законно и для пушпуля и однотактника Т.е на аноды ламп должны идти начало и конец обмоток.
« Последнее редактирование: Мая 02, 2016, 22:42:35 от Заботин »

Оффлайн Валентин Гаврилов

  • Эксперт
  • *****
  • Сообщений: 2453
  • Long live Rock-n-Roll !!
Re: Клуб любителей намотать трансформатор
« Ответ #817 : Мая 02, 2016, 22:48:40 »
для хиенда и однотакта 9 слоёв -нормально . Для гитарного -7 слоёв -  максимум.

Оффлайн Заботин

  • Новичок
  • *
  • Сообщений: 63
  • Zabotin
Re: Клуб любителей намотать трансформатор
« Ответ #818 : Мая 02, 2016, 23:02:33 »
Попробую перемотать, но изоляция - 0.5мм места возможно много займет. Возможно и так. Бум пробовать. Спасибо! А данные на ТП208- 1331Р может есть у кого? Поделитесь, пожалуйста! Но похоже там первичная разбита на 3 секции. И сопротивление по постоянному току половин первички почти равны.(56оМ)

... и добавил:

Под лупой долго рассматривал ТП208-1331Р - кажется понял систему намотки. Ничего особенного. А первичная секционирована только для уравнивания плеч по сопротивлению постоянному току.
« Последнее редактирование: Мая 03, 2016, 00:16:40 от Заботин »

Оффлайн Заботин

  • Новичок
  • *
  • Сообщений: 63
  • Zabotin
Re: Клуб любителей намотать трансформатор
« Ответ #819 : Мая 04, 2016, 13:45:36 »
Ну может и 1+11+1 Там без разборки не понять!

Оффлайн Виталийй

  • Частый посетитель
  • **
  • Сообщений: 232
  • GuitarPlayer.Ru fan!
Re: Клуб любителей намотать трансформатор
« Ответ #820 : Мая 04, 2016, 14:35:10 »
"Попробую перемотать" Зачем так сразу, хотя бы попробовать, послушать, перемотать всегда успеется, я на своих вообще ёмкость первичка-вторичка не мерил, правда и количеством секций не увлекаюсь и стараюсь располагать обмотки так, чтоб емкостное влияние первички на вторичку были примерно одинаковым от обеих анодов.
 Вот тут в теме масса примеров, можно на них ориентироваться, я так думаю)))
 https://guitarplayer.ru/index.php?topic=355518.0

Оффлайн Заботин

  • Новичок
  • *
  • Сообщений: 63
  • Zabotin
Re: Клуб любителей намотать трансформатор
« Ответ #821 : Мая 04, 2016, 23:46:49 »
Виталийй ! Вот спасибо за ссылки! А то бы проискал по сайтам. А время - это новый транс!!! Да - сделаны они на халяву, не то что наши ребята делают! В принципе я так и полагал. Но за что же цена? За престиж! Вот наши самодельщики делают именно фирму!! Кстати сегодня был в магазине и там увидел клейкую ПВХ ленту, кажется для заделки окон. Не знаешь что за штука? И можно ли её применить. Вот малярную ленту я прикупил. В силовиках применял. А в выходниках не пробовал.
Понимаешь - у меня две задачи - сделать другу гитарный усилок - 2 канала( стерео) и себе в студию ламповый РР усилок, но с широкой полосой попробовать и сравнить с моим студийным транзисторным. Для друга я приобрел ТП208-1331Р у Ерасова-2 шт. Вот теперь мотаю себе и собираю инфу.
« Последнее редактирование: Мая 05, 2016, 01:43:55 от Заботин »

Оффлайн Виталийй

  • Частый посетитель
  • **
  • Сообщений: 232
  • GuitarPlayer.Ru fan!
Re: Клуб любителей намотать трансформатор
« Ответ #822 : Мая 05, 2016, 03:55:08 »
 Про ленту ничего не скажу, мотаю, между слоями бумага от факса, пропитываю её трансформаторным маслом, между секциями лакоткань.

Оффлайн Заботин

  • Новичок
  • *
  • Сообщений: 63
  • Zabotin
Re: Клуб любителей намотать трансформатор
« Ответ #823 : Мая 05, 2016, 11:51:10 »
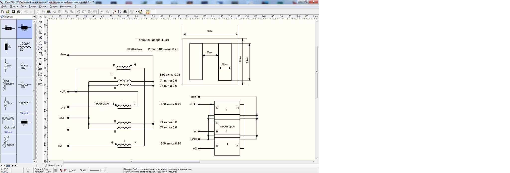
Вот откопал 2 транса- старых из прибора ЕЛ-1 - 73 года. Посмотрите, пожалуйста получится ли из них пара выходных трансов к РР усилку на 6П3С в режиме АВ1(20 - 25вт) - 400в анод - 395в на сетке. Я вот примерно расчитал - правильно ли ? Если неправильно - поправьте, пожалуйста! Да - железо разрезное - 0.35мм. Кстати заметил у всех фирменных трансах сечение железа ( соотношение ширины керна и толщины набора почти равно 1 или набор ненамного шире ширины керна). Ну это понятно - меньше сопротивление обмотки, т.к. длина витка на виток минимальна.
« Последнее редактирование: Мая 05, 2016, 17:25:02 от Заботин »

Оффлайн kdtp

  • Завсегдатай
  • ***
  • Сообщений: 316
  • Виктор.
Re: Клуб любителей намотать трансформатор
« Ответ #824 : Мая 05, 2016, 18:52:10 »
Вот откопал 2 транса- старых из прибора ЕЛ-1 - 73 года....
По быстрым прикидкам, железо на 77 - 78 Ватт габаритной мощности. С таким количеством первички (3400 Витков), на этом железе, и мощности усилителя 20 Ватт - в "низу" должно быть НЕ хуже 25 Герц. А в "верху", с таким секционированием, как правило, бывает не хуже 22000 Герц..., а то и больше.