Автор Тема: Ламповое усиление, делимся полезной информацией.  (Прочитано 262612 раз)

0 Пользователей и 1 Гость просматривают эту тему.

Оффлайн AZG

  • Живу на форуме
  • *******
  • Сообщений: 95553
  • Санкт-Петербург
    • AZG CUSTOM
Да там самоделка какая-то, не на что смотреть, фигня короче.  ;D

Согласен на все 100500!  :D :D :D :alc:

  Да, но , поциент, же планирует всего-лишь макетный-конструктор вариант уся  ??? базирующийся на схеме xtc  ???

Срочно галопередолу и пора заниматься нормальными изделиями.  >:(

Оффлайн surfin bird

  • Эксперт
  • *****
  • Сообщений: 2968
  • Поциент-заМКАДыш
    • Surfin Bird
Спасибо! Удивительное рядом но оно запрещено  ;D

Ну, хорошо , поциент готов заказать один нормальный (типа для аля аутентичного ХТС  ;D ) транс и один екскрементальный ( для макета конструктора ) , для такого интересного занятия лишних  $100 абсолютно не жалко ( на таблетки для поциента куда больше уходит ) :D

Что по поводу аутентичности, то  при аказии ( сильно опасаюсь шо  побьют при доставке в рф ) тупо приобрету фабричный xtc в качестве некоего эталона,  для того же ранее приобретался марк4 
« Последнее редактирование: Ноября 19, 2021, 10:40:22 от surfin bird »

Оффлайн AZG

  • Живу на форуме
  • *******
  • Сообщений: 95553
  • Санкт-Петербург
    • AZG CUSTOM
surfin bird, ну заказывай универсальные. Проблем нет. Это дороже, габаритнее и тяжелее.  :crazy:

Оффлайн surfin bird

  • Эксперт
  • *****
  • Сообщений: 2968
  • Поциент-заМКАДыш
    • Surfin Bird
surfin bird, ну заказывай универсальные. Проблем нет. Это дороже, габаритнее и тяжелее.  :crazy:
После травмы сильно сдал,  подтянусь 6 раз максимум,  отожмусь максимум 60  :pozor: Универсальный на Еl114  , аля аутентичный на EL96,  $20-30 разницы, а сколько радости и счастья!  ;D

Оффлайн AZG

  • Живу на форуме
  • *******
  • Сообщений: 95553
  • Санкт-Петербург
    • AZG CUSTOM
После травмы сильно сдал,  подтянусь 6 раз максимум,  отожмусь максимум 60  :pozor: Универсальный на Еl114  , аля аутентичный на EL96,  $20-30 разницы, а сколько радости и счастья!  ;D

УГУ, размышляй...  8)

Оффлайн surfin bird

  • Эксперт
  • *****
  • Сообщений: 2968
  • Поциент-заМКАДыш
    • Surfin Bird
Еще раз Огромное Вам Спасибо за консалтинг и подсказки  !  :alc:

Оффлайн Картошка

  • Эксперт
  • *****
  • Сообщений: 1345
  • Отжигаем лампы
Да там самоделка какая-то, не на что смотреть, фигня короче.  ;D
И лампы безбожно греют шасси сверху..фигня какая то))

Оффлайн surfin bird

  • Эксперт
  • *****
  • Сообщений: 2968
  • Поциент-заМКАДыш
    • Surfin Bird
И лампы безбожно греют шасси сверху..фигня какая то))
Почитываю забугорное по теме питалова, смещения и тп  ;D
« Последнее редактирование: Ноября 19, 2021, 15:09:58 от surfin bird »

Оффлайн Картошка

  • Эксперт
  • *****
  • Сообщений: 1345
  • Отжигаем лампы
На счет смещения заграница во всей красе. Кто сказал, что смещение гитарного двухтакта должно быть около 70% ? Покажите мне эту рожу?
Я тоже смотрю массу зарубежных роликов, где мастера лепят 70% на все вокруг, даже не послушав конкретный усилитель с конкретным типом ламп на 50 или на 40!!! Не говоря о том, чтоб послушать его громко.
..вот и засовывают потом вентиляторы себе в задницу.

Оффлайн surfin bird

  • Эксперт
  • *****
  • Сообщений: 2968
  • Поциент-заМКАДыш
    • Surfin Bird
Еще, где то там попадалось, шо мол Великий и Ужасный Рэбэ Бохнер сильно жлобиццо и не дает схемы своих усей даже ремонтникам  :D

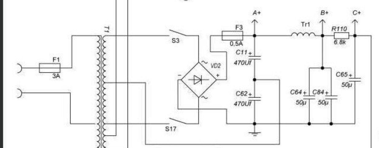
Если верно понимаю при такой схеме выпрямления 180-0-180  анодной обмотки преобразуются  ( 360В ×1,4 ) в 504 В постоянки. :o  А как быть с вольтажем 500 вольтовых электролитов, стоящих после дросселя,  заменять их этажерками ?
« Последнее редактирование: Ноября 19, 2021, 16:32:14 от surfin bird »

Оффлайн AZG

  • Живу на форуме
  • *******
  • Сообщений: 95553
  • Санкт-Петербург
    • AZG CUSTOM
surfin bird, Я тебе написал про 350В. На выходе будет около 490В выпрямленных. 500В электролиты выдержат.

Если конструкция готовая, то есть электролиты на 560В у JJ. Если нет, то этажерки.

Оффлайн surfin bird

  • Эксперт
  • *****
  • Сообщений: 2968
  • Поциент-заМКАДыш
    • Surfin Bird
То есть анодная обмотка 180-0-180 - это перебор,  и, грамотнее делать 175-0-175 ?
« Последнее редактирование: Ноября 19, 2021, 17:38:24 от surfin bird »

Оффлайн AZG

  • Живу на форуме
  • *******
  • Сообщений: 95553
  • Санкт-Петербург
    • AZG CUSTOM
surfin bird, Если этажерка, то без проблем 360В. В целом типовые 34-ки штатно до 700В держат. Так что 520В им не беда.

Оффлайн surfin bird

  • Эксперт
  • *****
  • Сообщений: 2968
  • Поциент-заМКАДыш
    • Surfin Bird
Лоханулся, штук сорок электролитов в коробке и все 500в  :pozor: :D Будем этажерку ставить, она поди и надежнее, а то куды их столько, солить что ли ? ;D Посерфил англонет, пишут шо мол у В101 хтс  525-540в бывает.  ???
« Последнее редактирование: Ноября 19, 2021, 17:50:31 от surfin bird »

Оффлайн AZG

  • Живу на форуме
  • *******
  • Сообщений: 95553
  • Санкт-Петербург
    • AZG CUSTOM
ну ничего страшного. Норм анодка. С пары ватт 60 заберешь.