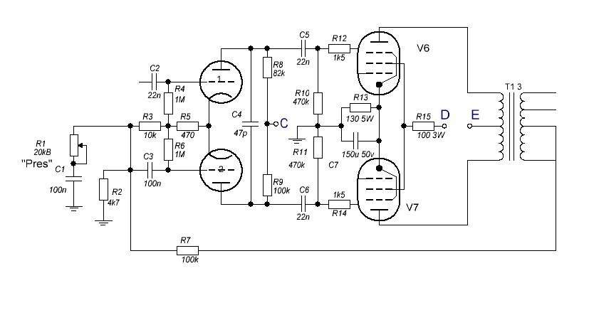
Да я уже видел эти схемы, наизусть уже знаю их ))) . Просто сначала сделал по схеме LocTora , а потом подумал, что лучше поставить все номиналы как в оригинале. В итоге я уже перепаял сеточные резисторы с 1.5 к на 5.6 к ( R12 , R14 по моей схеме) , а R3 в фазике с 10к на 47 к. Кстати, вот схема , из-за которой я решил поменять номиналы резисторов.
... и добавил:
Вот, кстати небольшой фотоотчёт процесса создания усилителя. Шасси , фальшпанели и трансы заказывал. В первую очередь немного подогнал шасси ( порассверливал отверстия под поты, а то немного не совпадало, добавил отверстия под стяжки для проводов, сделал обойму для выходника из жести, а то он был без неё) . Очень порадовали золотистые накладки -фальшпанели. Мне прислали ещё и второй вариант- серебристые накладки- за то, что я долго ждал ))) Лазерная резка, и гравировка, - вобщем лицевухи достойны самых лучших похвал. Так что в принципе, подготовительные работы окончены. Начал распаивать провода.


собрал по первой схеме, сейчас отлаживаю только конец.
есть проблема с фоном или свистом. выходной транс на тороиде, с обмотками 4,8,16.
при отключении r7, все хорошо фона свиста нет.
только подключу к 4,8 свист, 16 фон(постоянка).
уже все попробовал что приходило на ум.