Автор Тема: Мой мини Ректифаер на 6П3С  (Прочитано 28552 раз)

0 Пользователей и 1 Гость просматривают эту тему.

Оффлайн High Hopes Автор темы

  • Опытный
  • ****
  • Сообщений: 931
  • Воля и Разум
Re: Мой мини Ректифаер на 6П3С
« Ответ #285 : Июня 25, 2021, 18:27:59 »
Поменял 2 кондера на 22 нФ с выхода фазика на новые , 630 в, только поставил по 100 нФ, как на схеме оконечника Месы. Вобщем смещение вроде рулится адекватно , на обеих лампах по -37 В , не гудит уже . Но на анодах фазика почему то такой же перекос остался 320 и 200 В.
« Последнее редактирование: Июня 25, 2021, 18:29:48 от High Hopes »

Оффлайн alkuz

  • Ветеран форума
  • ******
  • Сообщений: 4481
  • Зарегистрированный
    • http://
Re: Мой мини Ректифаер на 6П3С
« Ответ #286 : Июня 25, 2021, 19:02:35 »
Поменял 2 кондера на 22 нФ с выхода фазика на новые , 630 в, только поставил по 100 нФ, как на схеме оконечника Месы. Вобщем смещение вроде рулится адекватно , на обеих лампах по -37 В , не гудит уже . Но на анодах фазика почему то такой же перекос остался 320 и 200 В.
После замены емкостей, что на анодных выводах без лампы фазика? Должно быть одинаково, при условии исправности окружения. Если не одинаково, ищи утечку. Возможно панелька виновата

Оффлайн High Hopes Автор темы

  • Опытный
  • ****
  • Сообщений: 931
  • Воля и Разум
Re: Мой мини Ректифаер на 6П3С
« Ответ #287 : Июня 25, 2021, 19:21:25 »
Без лампы фазика на обеих анодах по 350 В. Пробовал разные лампы в фазик ставить - без изменений 200 и 320 В. На панельке фазика пропаял ещё раз , думал может нет где-то контакта , и режимы не те . Но  без результата
« Последнее редактирование: Июня 25, 2021, 19:56:09 от High Hopes »

Оффлайн alkuz

  • Ветеран форума
  • ******
  • Сообщений: 4481
  • Зарегистрированный
    • http://
Re: Мой мини Ректифаер на 6П3С
« Ответ #288 : Июня 25, 2021, 20:12:06 »
High Hopes, нарисуй схему своего фазика, желательно с натуры.

Оффлайн sadky

  • Эксперт
  • *****
  • Сообщений: 2626
Re: Мой мини Ректифаер на 6П3С
« Ответ #289 : Июня 25, 2021, 20:20:21 »
High Hopes,  а на каком аноде фазика 320 вольт? На входном триоде?
Какие напряжения на катоде/сетке первого триода? Прости за глупый вопрос, ëмкость перед  его сеткой не забыл поставить? Она не течëт?
И да, желательно срисовать физическую схему фазика, мало ли ;)
« Последнее редактирование: Июня 25, 2021, 20:22:27 от sadky »

Оффлайн High Hopes Автор темы

  • Опытный
  • ****
  • Сообщений: 931
  • Воля и Разум
Re: Мой мини Ректифаер на 6П3С
« Ответ #290 : Июня 25, 2021, 20:20:36 »
Стандартный маршаловский фазик по схеме Jcm 800 2204 ( одна пара выходных ламп) Собран по Цериатоновской лейке  800- ки.. ничего особенного фазик как фазик. Напряжения на 3-х остальных выводах фазика что-то в раене 24 в. 330 В кажется не на стороне входного триода , входную ёмкость на мощник заодно тоже поменял на новую, 100 нФ.
« Последнее редактирование: Июня 25, 2021, 20:43:30 от High Hopes »

Оффлайн sadky

  • Эксперт
  • *****
  • Сообщений: 2626
Re: Мой мини Ректифаер на 6П3С
« Ответ #291 : Июня 25, 2021, 20:24:12 »
Тут много кто знает, как выглядит схема фазика 800-ки, нам очень интересно, как выглядит схема кривоработающего фазика 800-ки ;)

Оффлайн alkuz

  • Ветеран форума
  • ******
  • Сообщений: 4481
  • Зарегистрированный
    • http://
Re: Мой мини Ректифаер на 6П3С
« Ответ #292 : Июня 25, 2021, 20:35:00 »
High Hopes, я сам как-то разок был грешен - собрал усилитель, и фазик по схеме вроде правильно собран, и проверил раз десять... А звук как из кастрюли... На одиннадцатый раз вдруг понял, что конденсатор 0,1uF не в ту точку прилепил  :rolleyes:

Оффлайн High Hopes Автор темы

  • Опытный
  • ****
  • Сообщений: 931
  • Воля и Разум
Re: Мой мини Ректифаер на 6П3С
« Ответ #293 : Июня 25, 2021, 21:06:39 »
Монтаж по лейке , уже перепроверил

Оффлайн alkuz

  • Ветеран форума
  • ******
  • Сообщений: 4481
  • Зарегистрированный
    • http://
Re: Мой мини Ректифаер на 6П3С
« Ответ #294 : Июня 25, 2021, 21:35:45 »
Монтаж по лейке , уже перепроверил
Отпаяй всю периферию и ось в том числе, лишние лампы вынь, оставь фазик в голом виде и проверь все напряжения

Оффлайн High Hopes Автор темы

  • Опытный
  • ****
  • Сообщений: 931
  • Воля и Разум
Re: Мой мини Ректифаер на 6П3С
« Ответ #295 : Июня 25, 2021, 22:01:27 »
Вобщем на лампе фазика такие напряжения  ( по оригинальной схеме 800 ки) :.   сетки
 ( 2 выв . 19 В,  7 выв. 21 В ) ,катоды 3+8 выв. 30 В , андоды ( 1 выв . 207 в , 6 выв. 320 в.) При вытянутых выходных лампах напряжения на фазике такие же , при вытянутой лампе фазика анодное одинаковое по 350 в. Ну и самое интересное что мощник в целом уже нормально работает , не гудит при выкрученном мастере в ноль.

... и добавил:

Ураааа товарищи я нашел причину перекоса фазика !!!! )) Отпаял провод обратной связи от вторички выходника, и фазик вошёл в режим - 240 и 230 В на анодах. Странно , почему это причина в обратной связи была ? Резистор стоит на 100 кОм в ООС , никаких самовозбудов не было... Может тогда надо увеличить сопротивление резистора в ООС ? Но надо что то придумать , так как Презенс не работает без нее . Или может это надо просто поменять местами выводы от вторички выходника ?
« Последнее редактирование: Июня 25, 2021, 22:28:00 от High Hopes »

Оффлайн M1g

  • Живу на форуме
  • *******
  • Сообщений: 7211
  • The MUTILATOR
Re: Мой мини Ректифаер на 6П3С
« Ответ #296 : Июня 25, 2021, 22:44:57 »
Ректифаер режим винтаж чтоль?

Оффлайн High Hopes Автор темы

  • Опытный
  • ****
  • Сообщений: 931
  • Воля и Разум
Re: Мой мини Ректифаер на 6П3С
« Ответ #297 : Июня 25, 2021, 23:17:04 »
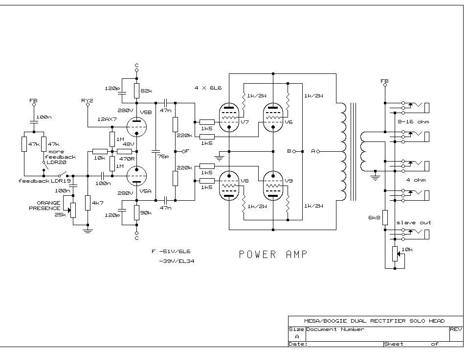
Не знаю что за режим, главное что разобрался в чем дело... Посмотрел на схеме месовского  оконечника , там оос от вторички подключена через 100 нФ. А у меня было без него, вот и причина . Ну и может ещё прикручу регулятор Дептх заодно
« Последнее редактирование: Июня 25, 2021, 23:19:07 от High Hopes »

Оффлайн M1g

  • Живу на форуме
  • *******
  • Сообщений: 7211
  • The MUTILATOR
Re: Мой мини Ректифаер на 6П3С
« Ответ #298 : Июня 25, 2021, 23:22:09 »
Это не причина, кондёр там чтоб ручка презенса не шуршала, без него с тем же успехом работает.
А Презенс в преампе не делался вовсе? Просто какое то странное повторение ректы, больше в сторону сло

... и добавил:

Смотри как Презенс собрал, возможно там засада
« Последнее редактирование: Июня 25, 2021, 23:40:52 от M1g »

Оффлайн High Hopes Автор темы

  • Опытный
  • ****
  • Сообщений: 931
  • Воля и Разум
Re: Мой мини Ректифаер на 6П3С
« Ответ #299 : Июня 25, 2021, 23:46:34 »
Я понял , проверю ещё раз плату с презенсом . Хотя он работал нормально , и никаких возбудов не было значит выходник распаян правильно .. Усилитель по схеме ректифаера а не сло . Просто в преампе оставил только чистый и лид , а оранжевый канал кранча не делал. А, да и презенса в преампе нет , он мне там не нужен. Презенс только в мощнике