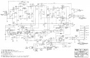
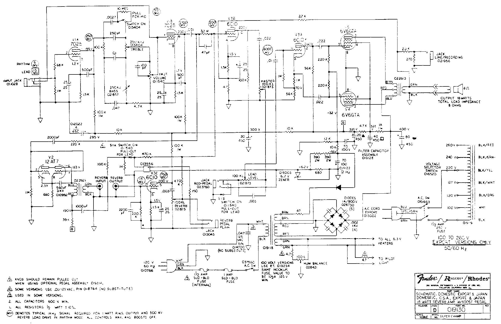
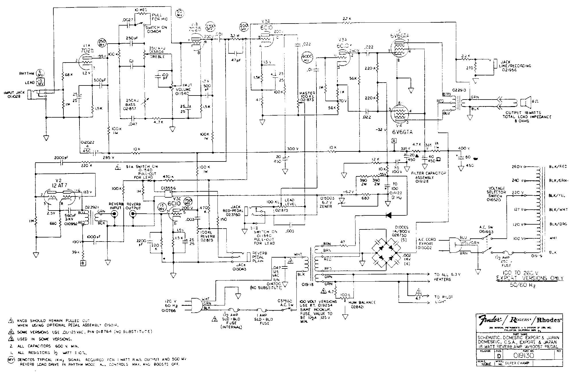
C22(анод-катод первого каскада) тут - это что за магия? 
Магия следующая - ставится в зависимости от производителя ЕСС83.
Если версия, похожая по конструкции на 12ах7, с маленьким размером анодов и прочей конструкции соответственно, то кондёр не ставится.
Если похожая на наши 6н2п с "огромными" анодами и потрохами, то кондёр ставится, чтобы привести ёмкости анод-сетка-катод к первому варианту, поскольку у него эти ёмкости заметно выше благодаря меньшим расстояниям между "обкладками".
Вот как то так
