Автор Тема: Питание PREAMP и УНЧ  (Прочитано 4300 раз)

0 Пользователей и 1 Гость просматривают эту тему.

Оффлайн Алексей Зеленов Автор темы

  • Новичок
  • *
  • Сообщений: 39
  • GuitarPlayer.Ru fan!
Питание PREAMP и УНЧ
« : Января 08, 2019, 22:04:36 »
Всем Привет!
Ребят у меня такой тупой вопрос. но есть у меня сомнение все так делаю.
Есть PREAMP с однополярным питанием на микросхемах и УНЧ с двухполярным питанием на TDA7294. Полезный сигнал на вход УНЧ а вот минус на общий УНЧ. Но начинает фонить. Но выкручиваешь громкость на гитаре в ноль. УНЧ не фонит. Я так понимаю напряжение смещение что ли проходит на выход и нужно поставить кондёр пленочный. Или я вообще не то говорю.
Рассжуйте пожалуйста чайнику.
Заранее благодарен.

Оффлайн Geezer

  • Живу на форуме
  • *******
  • Сообщений: 12779
  • Atypique
Re: Питание PREAMP и УНЧ
« Ответ #1 : Января 08, 2019, 22:41:40 »
Надо по питанию преампа поставить электролит 100, а лучше 1000 мкФ, а там видно будет - помогло или нет.
Может быть и неудачная точка соединения электрической массы ("земли") с корпусом у одного из устройств.

Оффлайн Алексей Зеленов Автор темы

  • Новичок
  • *
  • Сообщений: 39
  • GuitarPlayer.Ru fan!
Re: Питание PREAMP и УНЧ
« Ответ #2 : Января 08, 2019, 22:53:25 »
ок попробую.

Оффлайн Владислав Утюмов

  • Завсегдатай
  • ***
  • Сообщений: 410
  • И со свечкой искали они, и с умом...
Re: Питание PREAMP и УНЧ
« Ответ #3 : Января 09, 2019, 04:46:34 »
Но выкручиваешь громкость на гитаре в ноль. УНЧ не фонит.

Напрашивается вывод, что гитара фонит.

А вообще схему бы, хотя бы от руки нарисованную + отсканированную/сфотографированную. А то не очень-то понятно с чем имеем дело.

Оффлайн Geezer

  • Живу на форуме
  • *******
  • Сообщений: 12779
  • Atypique
Re: Питание PREAMP и УНЧ
« Ответ #4 : Января 09, 2019, 08:19:34 »
Чтобы выяснить причину фона, вынимаем джек из гитары, приконтачиваем к нему резистор порядка 10 кОм и внимательно слушаем.
Фон остался - виновато оборудование, фон пропал - гитара. Синглы фонят охотно, хамбакеры - нет. Дальше смотрим заземления и экранировку гитары.

Оффлайн Алексей Зеленов Автор темы

  • Новичок
  • *
  • Сообщений: 39
  • GuitarPlayer.Ru fan!
Re: Питание PREAMP и УНЧ
« Ответ #5 : Января 09, 2019, 13:29:33 »
Напрашивается вывод, что гитара фонит.

А вообще схему бы, хотя бы от руки нарисованную + отсканированную/сфотографированную. А то не очень-то понятно с чем имеем дело.
схему имеется как подключал PREAMP к УНЧ ?

... и добавил:

Чтобы выяснить причину фона, вынимаем джек из гитары, приконтачиваем к нему резистор порядка 10 кОм и внимательно слушаем.
Фон остался - виновато оборудование, фон пропал - гитара. Синглы фонят охотно, хамбакеры - нет. Дальше смотрим заземления и экранировку гитары.
Попробовал подключить получше провода. стал фон ниже. А потом попробовал примочку заводскую и гитару другую взял фон практически пропал. я пробовал самопальную примочку без корпуса. да и УНЧ у меня тоже без корпуса.
да кондер не помог.
« Последнее редактирование: Января 09, 2019, 14:07:25 от Алексей Зеленов »

Оффлайн Dying Fetus

  • Moderator
  • *****
  • Сообщений: 10308
  • DIYng Fetus
    • http://cathar.ru
Re: Питание PREAMP и УНЧ
« Ответ #6 : Января 09, 2019, 14:12:32 »
Алексей Зеленов, схемы всего. преда и усилка. и как подключаешь

Оффлайн Алексей Зеленов Автор темы

  • Новичок
  • *
  • Сообщений: 39
  • GuitarPlayer.Ru fan!
Re: Питание PREAMP и УНЧ
« Ответ #7 : Января 09, 2019, 14:40:48 »
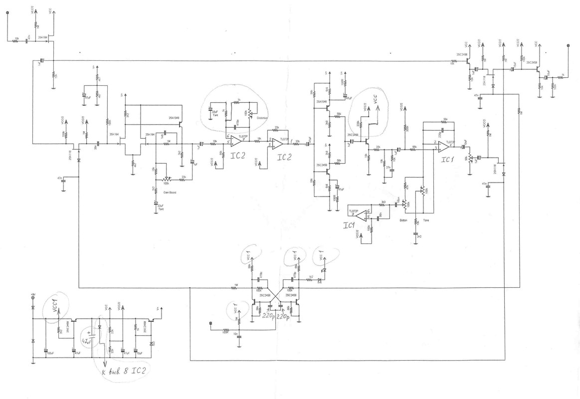
схема примочки



схема УНЧ





Как то вот так получилось



Оффлайн Владислав Утюмов

  • Завсегдатай
  • ***
  • Сообщений: 410
  • И со свечкой искали они, и с умом...
Re: Питание PREAMP и УНЧ
« Ответ #8 : Января 09, 2019, 18:58:19 »
Если я правильно понял, то выход примочки, это кружочек в верхнем правом углу схемы. Там уже есть разделительный конденсатор на 10 мкф, кроме того вход притянут к земле через резистор 100К. Все грамотно сделано, надо просто соединить выход примочки с входом усилителя.

Городить дополнительные земляный провода, как Вы изобразили на схеме соединения примочки с усилителем, не надо. Все входы и выходы и так соединены по земле общим проводом внутри примочки  (должны быть соединены, печатную плату не проверял). Обычно стараются не делать лишних "земляных петель". Не факт что эти провода являются виновником фона, но ничего не улучшат это точно.

То что в примочке питание однополярное, а в усилителе двухполярное роли не играет никакой, у них питание независимое. Если бы они оба от одного адаптера гирляндой питались, там были бы варианты словить проблем.

Фон мне кажется ловит отчасти гитара, отчасти примочка - тем более это какой-то дисторшн без корпуса. Усилитель мы исключили - с хорошей гитарой и примочкой фона нет.

Теперь надо понять какой фон дает Ваша гитара, с проверенным дистом и отсюда понимать какой фон можно вообще ожидать от самодельной примочки.
Надо понимать, что любой перегруз усиливает все шумы и фон гитары в том числе. Это зависит от уровня гейна. Поэтому сравнивать педали надо на примерно одинаковом гейне, как-то на слух определить. Т.е. если у вас с малогейнистым овердрайвом нет фона вообще, а со злющим дистом фон появился - это ничего не значит. Возможно вы гейном вытащили собственный фон гитары.

Как то так.



... и добавил:

Посмотрел еще печатную плату, увидел, где на ней вход, выход и питание. На ней не обозначено куда паять земли входа, выхода и батарейки. Возможно имеет значение, куда припаять землю входа. Я бы начал с того, что все три земли припаял к точке Gnd - не зря же она там обозначена. Может кто еще подскажет, у меня опыта в этом вопросе не хватает.
« Последнее редактирование: Января 09, 2019, 19:10:35 от Владислав Утюмов »

Оффлайн Алексей Зеленов Автор темы

  • Новичок
  • *
  • Сообщений: 39
  • GuitarPlayer.Ru fan!
Re: Питание PREAMP и УНЧ
« Ответ #9 : Января 09, 2019, 19:29:08 »
Если я правильно понял, то выход примочки, это кружочек в верхнем правом углу схемы. Там уже есть разделительный конденсатор на 10 мкф, кроме того вход притянут к земле через резистор 100К. Все грамотно сделано, надо просто соединить выход примочки с входом усилителя.

Городить дополнительные земляный провода, как Вы изобразили на схеме соединения примочки с усилителем, не надо. Все входы и выходы и так соединены по земле общим проводом внутри примочки  (должны быть соединены, печатную плату не проверял). Обычно стараются не делать лишних "земляных петель". Не факт что эти провода являются виновником фона, но ничего не улучшат это точно.

То что в примочке питание однополярное, а в усилителе двухполярное роли не играет никакой, у них питание независимое. Если бы они оба от одного адаптера гирляндой питались, там были бы варианты словить проблем.

Фон мне кажется ловит отчасти гитара, отчасти примочка - тем более это какой-то дисторшн без корпуса. Усилитель мы исключили - с хорошей гитарой и примочкой фона нет.

Теперь надо понять какой фон дает Ваша гитара, с проверенным дистом и отсюда понимать какой фон можно вообще ожидать от самодельной примочки.
Надо понимать, что любой перегруз усиливает все шумы и фон гитары в том числе. Это зависит от уровня гейна. Поэтому сравнивать педали надо на примерно одинаковом гейне, как-то на слух определить. Т.е. если у вас с малогейнистым овердрайвом нет фона вообще, а со злющим дистом фон появился - это ничего не значит. Возможно вы гейном вытащили собственный фон гитары.

Как то так.



... и добавил:

Посмотрел еще печатную плату, увидел, где на ней вход, выход и питание. На ней не обозначено куда паять земли входа, выхода и батарейки. Возможно имеет значение, куда припаять землю входа. Я бы начал с того, что все три земли припаял к точке Gnd - не зря же она там обозначена. Может кто еще подскажет, у меня опыта в этом вопросе не хватает.
По поводу земляной петли это я так нарисовал не понятно. Я просто сомневался можно ли так подключать. Я когда подключал пред к УНЧ только было все на оборот. усилитель был однополярным а пред двухполярным. так у меня там че то все коротило. так и не разобрался и поставил пред однополярный.
По поводу корпуса да есть такое надо будет пробовать. в корпусе. и заземлить его(корпус). Я думаю будет норм.

Оффлайн Geezer

  • Живу на форуме
  • *******
  • Сообщений: 12779
  • Atypique
Re: Питание PREAMP и УНЧ
« Ответ #10 : Января 09, 2019, 19:31:55 »
Boss MD-2, клоном которого является этот примус, я как-то вертел в руках и смотрел с приборами - владелец жаловался на избыточный шум.
Оказалось, что у него пороговая чувствительность (вход в ограничение) составляет 1 мВ, а с полностью введённым регулятором GAIN BOOST доходит до 0,2 мВ.
В результате безумного коэффициента усиления вылезает собственный шум схемы, а гитара ловит с воздуха всё, что только можно.
Мораль: много - это ещё не значит хорошо. Всё должно быть в меру...

Оффлайн Алексей Зеленов Автор темы

  • Новичок
  • *
  • Сообщений: 39
  • GuitarPlayer.Ru fan!
Re: Питание PREAMP и УНЧ
« Ответ #11 : Января 09, 2019, 20:00:59 »
Boss MD-2, клоном которого является этот примус, я как-то вертел в руках и смотрел с приборами - владелец жаловался на избыточный шум.
Оказалось, что у него пороговая чувствительность (вход в ограничение) составляет 1 мВ, а с полностью введённым регулятором GAIN BOOST доходит до 0,2 мВ.
В результате безумного коэффициента усиления вылезает собственный шум схемы, а гитара ловит с воздуха всё, что только можно.
Мораль: много - это ещё не значит хорошо. Всё должно быть в меру...
GAIN BOOST Вообще в ноль увел. Звук в кашу превращается. Вопрос я вот тут тоже не уверен это PREAMP или примочка.  У меня задача собрать комбик. Я вот хочу собрать PREAMP чистый и грязный. В качестве грязного хотел эту схему использовать. 

Оффлайн Dying Fetus

  • Moderator
  • *****
  • Сообщений: 10308
  • DIYng Fetus
    • http://cathar.ru
Re: Питание PREAMP и УНЧ
« Ответ #12 : Января 09, 2019, 21:51:21 »
Алексей Зеленов, а зачем собирать? просто рукосуйство или попытки сделать подешевше? Самый оптимальный вариант рэнделл 50 и какие-нибудь буквы. и зудит норм и стоит вменяемо  ???

Оффлайн Алексей Зеленов Автор темы

  • Новичок
  • *
  • Сообщений: 39
  • GuitarPlayer.Ru fan!
Re: Питание PREAMP и УНЧ
« Ответ #13 : Января 09, 2019, 22:14:35 »
Алексей Зеленов, а зачем собирать? просто рукосуйство или попытки сделать подешевше? Самый оптимальный вариант рэнделл 50 и какие-нибудь буквы. и зудит норм и стоит вменяемо  ???
Из за того что есть корпус динамиками и шасси без плат. Попытки сделать для того чтобы использовать.

Оффлайн Geezer

  • Живу на форуме
  • *******
  • Сообщений: 12779
  • Atypique
Re: Питание PREAMP и УНЧ
« Ответ #14 : Января 10, 2019, 00:17:02 »
Алексей Зеленов, Не вижу особых проблем в исполнении задуманного: схема профессиональная, просчитанная грамотными людьми и выпускается серийно.
Ручки Gain и Dist следует использовать по принципу коромысла - прибавляя одно, убавлять другое.
Если что-то не устраивает, то всегда можно переделать схему под себя, тем более, если это клон.
Термин "каша" неинформативен, надо внятно сформулировать, что именно не нравится в звуке - чего не хватает, а с чем перебор.
Думаю, для решения проблемы окажется достаточно перепайки нескольких деталей в схеме.