Автор Тема: Подискутируем на тему "кранкенштейн"  (Прочитано 13068 раз)

0 Пользователей и 1 Гость просматривают эту тему.

Оффлайн Makaroff Автор темы

  • Живу на форуме
  • *******
  • Сообщений: 10487
  • DIY - my life
Близится к завершению этот проект мой и есть несколько вопросов.
Сегодня записал семплик и дал его послушать Роману ЕаНоту, он повторял подобный усилитель и у него звук был совершенно другой. Что конкретно не нравится, это какой то фузз и мыльность. Пред по схеме 1в1, оконечник на паре 6П3С в фиксе, фазик на 6Н1П и ООС по схеме Маршала.
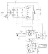
Вот фото:235213-0
Схема оконечника:235236-1
Схема преда:235238-2
А вот семплик, гитара на пониженном строе* death-load.mp3 (641.25 КБ - загружено 383 раз.)
« Последнее редактирование: Февраля 17, 2010, 22:04:05 от _SlipknoT_ »

Оффлайн FEV

  • Опытный
  • ****
  • Сообщений: 721
Re: Подискутируем на тему "кранкенштейн"
« Ответ #1 : Февраля 17, 2010, 21:33:40 »
У меня с кранками все ОК, мыльности не наблюдаю.
какие лампы в преде? Пытались ли воткнуть в другой мощник?
Какова схема ФИ и режимы в мощнике?
Побольше информации бы:)
Трансы какие?

Оффлайн Makaroff Автор темы

  • Живу на форуме
  • *******
  • Сообщений: 10487
  • DIY - my life
Re: Подискутируем на тему "кранкенштейн"
« Ответ #2 : Февраля 17, 2010, 21:37:56 »
трансы мои, с ними все ок. фузит именно пред. Лампы ЕСС83 Tungsram 12AX7 TS втыкал все что только можно.

Оффлайн FEV

  • Опытный
  • ****
  • Сообщений: 721
Re: Подискутируем на тему "кранкенштейн"
« Ответ #3 : Февраля 17, 2010, 21:41:18 »
Режимы напиши пожалуйста. И преда и мощника,если можно.
Повторюсь: дргуие комбинации мощника и преда не пробовали?

Оффлайн Makaroff Автор темы

  • Живу на форуме
  • *******
  • Сообщений: 10487
  • DIY - my life
Re: Подискутируем на тему "кранкенштейн"
« Ответ #4 : Февраля 17, 2010, 21:45:05 »
FEV, нет не пробовал. Что значит режимы? 6Н1П в своем режиме работает, 6П3С стоят вместо 6Л6, приведенка 5600Ом, ток анода 40мА.

Оффлайн FEV

  • Опытный
  • ****
  • Сообщений: 721
Re: Подискутируем на тему "кранкенштейн"
« Ответ #5 : Февраля 17, 2010, 21:50:12 »
Как тогда можно со 100% вероятностью говорить, что это пред?
Выложи плз схемку с подписанными напряжениями. Тогда и все режимы будут ясны:)
Просто маловато информации.

Приведенку кстати я обычно беру 4к для пары 6L6... но не буду утверждать что это единственно возможный вариант:)

Оффлайн Makaroff Автор темы

  • Живу на форуме
  • *******
  • Сообщений: 10487
  • DIY - my life
Re: Подискутируем на тему "кранкенштейн"
« Ответ #6 : Февраля 17, 2010, 21:54:16 »
FEV, ну я смотрел по даташитам для 6Л6 - 5,6к
http://tdsl.duncanamps.com/show.php?des=6L6GC

Просто втыкал педали в голову в разрыв и все было ок. На этом семпле разрыв в байпасе. Завтра напишу напруги, сегодня поздно уже.

Оффлайн FEV

  • Опытный
  • ****
  • Сообщений: 721
Re: Подискутируем на тему "кранкенштейн"
« Ответ #7 : Февраля 17, 2010, 21:56:17 »
просто хорошо бы еще и пред в другой мощник попробовать, для чистоты эксперимента:)
Насчет приведенки: http://forum.gtlab.net/cgi-bin/yabb2/YaBB.pl?num=1170965297/0

Оффлайн AZG

  • Живу на форуме
  • *******
  • Сообщений: 95582
  • Санкт-Петербург
    • AZG CUSTOM
Re: Подискутируем на тему "кранкенштейн"
« Ответ #8 : Февраля 17, 2010, 22:00:54 »
_SlipknoT_, Попробуй все же классический фазик. Я уже несколько раз замечал, что с 6Н1П в родных режимах не все адекватно звучит. Но это редко...

Ну и проверять монтаж, панельки и т.п. Может куда цапон-лак затек и т.п.

Оффлайн Makaroff Автор темы

  • Живу на форуме
  • *******
  • Сообщений: 10487
  • DIY - my life
Re: Подискутируем на тему "кранкенштейн"
« Ответ #9 : Февраля 17, 2010, 22:06:25 »
Вот еще экраны поубираю с проводов и послушаю, контакт везде нормальный не в этом дело.

... и добавил:

Ну а по звуку что можете сказать?

... и добавил:

кстати у меня есть еще 12AU7 и 12AT7
« Последнее редактирование: Февраля 17, 2010, 22:09:40 от _SlipknoT_ »

Оффлайн AZG

  • Живу на форуме
  • *******
  • Сообщений: 95582
  • Санкт-Петербург
    • AZG CUSTOM
Re: Подискутируем на тему "кранкенштейн"
« Ответ #10 : Февраля 17, 2010, 22:26:40 »
С30, С31 уменьшай, возможно даже до 22н. Низ основательно станет другим.

Резисторы вторых сеток великоваты, подсчитай режим...

Оффлайн Makaroff Автор темы

  • Живу на форуме
  • *******
  • Сообщений: 10487
  • DIY - my life
Re: Подискутируем на тему "кранкенштейн"
« Ответ #11 : Февраля 17, 2010, 22:29:59 »
Вот завтра этим и займусь. Во вторых сетках поставим 470Ом.

Оффлайн shlema

  • Ветеран форума
  • ******
  • Сообщений: 6135
  • skiper
Re: Подискутируем на тему "кранкенштейн"
« Ответ #12 : Февраля 18, 2010, 05:31:53 »
_SlipknoT_, это все потому что ты его слишком аккуратно собрал ;D Звук мне не понравился, такое впечатление что он "рассыпается" и чрезмерную компрессию применили) Это субъективно конечно, незнаю как еше описать..

Оффлайн Makaroff Автор темы

  • Живу на форуме
  • *******
  • Сообщений: 10487
  • DIY - my life
Re: Подискутируем на тему "кранкенштейн"
« Ответ #13 : Февраля 18, 2010, 09:35:55 »
ладно, будем дальше искать проблему

Оффлайн AZG

  • Живу на форуме
  • *******
  • Сообщений: 95582
  • Санкт-Петербург
    • AZG CUSTOM
Re: Подискутируем на тему "кранкенштейн"
« Ответ #14 : Февраля 18, 2010, 09:42:38 »
_SlipknoT_, Слушай, а желтая пленка в проходе? Поменяй на что-то другое, ближе к звуку. Я тут недавно с одной конструкцией уперся - с ней все вроде хорошо, но звук выхолощенный, мертвый и с некислой частоткой. Хотя вроде все прозрачно и читаемо, но характер уходит в никуда.