Автор Тема: REGENT 60 вопрос к знатокам  (Прочитано 18834 раз)

0 Пользователей и 1 Гость просматривают эту тему.

Оффлайн SG59 Автор темы

  • Частый посетитель
  • **
  • Сообщений: 107
REGENT 60 вопрос к знатокам
« : Апреля 10, 2015, 23:18:15 »
МОЖНО ли отключить сигнальные провода от выходных ламп ? потому что при включении и прогреве ламп сразу жуткий гул и свист !!
я сразу выключаю , что б не испортить динамик .
И есть желание выяснить откуда ЭТО - с пред.усилителя или это оконечник гудит .
(есть подозрение , что происходит какое то возбуждение ..)
т.е отпаять от панелек и посмотреть-послушать  что будет ...
но судя по всему гудит и свистит ( как буд то микрофон заводится ) оконечник .
потому что громкость везде в ноль .

[ Указанное вложение недоступно ]
« Последнее редактирование: Апреля 11, 2015, 11:50:43 от SG59 »

Оффлайн ra6da

  • Завсегдатай
  • ***
  • Сообщений: 338
Re: REGENT 60 вопрос к знатокам
« Ответ #1 : Апреля 10, 2015, 23:41:17 »
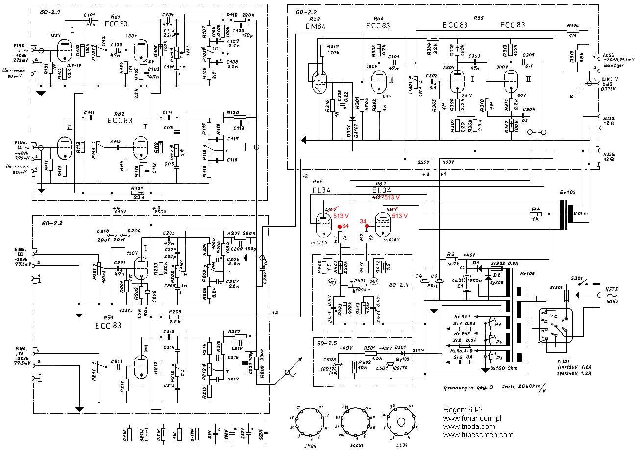
SG59, Сам засвистел, или после того, как кто-то в нём поковырялся? Входные или выходные цепи выходного каскада не перепаивались? Местами не мог их поменять?  Не вход с выходом, конечно, а цепи входные между собой, или выходные между собой? Похоже, вместо отрицательной обратной связи выполнили положительную, получился генератор.
« Последнее редактирование: Апреля 10, 2015, 23:46:00 от ra6da »

Оффлайн SG59 Автор темы

  • Частый посетитель
  • **
  • Сообщений: 107
Re: REGENT 60 вопрос к знатокам
« Ответ #2 : Апреля 10, 2015, 23:54:46 »
да . как то неожиданно загудел ..
прямо бесовщина какая то . никто ничего не перепаивал .
я вот посмотрел и обонаружил пробитый диод D301 /
заменил . но  гул и свист не исчез ..  Жуть ..

... и добавил:

а вот .
вместо импортной лампы EM84 индикаторной я поставил  лампу нашу 6Е3П .
но вроде полный аналог написано было
« Последнее редактирование: Апреля 11, 2015, 00:01:03 от SG59 »

Оффлайн ra6da

  • Завсегдатай
  • ***
  • Сообщений: 338
Re: REGENT 60 вопрос к знатокам
« Ответ #3 : Апреля 11, 2015, 00:05:31 »
SG59, 6Е3П аналог, с ним проблем не должно быть. Убедись, включив усилитель без индикатора. Он всё же сигнал с выходника снимает. Провода выходника тоже не менял местами?

Оффлайн SG59 Автор темы

  • Частый посетитель
  • **
  • Сообщений: 107
Re: REGENT 60 вопрос к знатокам
« Ответ #4 : Апреля 11, 2015, 00:07:49 »
провода с выхода транса до разьема джек" заменил .
старые были местами без изоляции .
может полярность неправильно припаял ... ??

Оффлайн ra6da

  • Завсегдатай
  • ***
  • Сообщений: 338
Re: REGENT 60 вопрос к знатокам
« Ответ #5 : Апреля 11, 2015, 00:10:03 »
SG59, Конечно. Я же не зря спросил об этом. Поменяй их местами и проблема закончится.

Оффлайн SG59 Автор темы

  • Частый посетитель
  • **
  • Сообщений: 107
Re: REGENT 60 вопрос к знатокам
« Ответ #6 : Апреля 11, 2015, 00:12:49 »
1335998-0я думал там переменка на выходе ... без разницы ...
хорошо .
сейчас попробую !! 
...............
неужели от проводов гудеть и свистеть может ??
еще и диод сгорел !!

... и добавил:

я думал там переменка на выходе ... без разницы ...
хорошо .
сейчас попробую !! 
...............
неужели от проводов гудеть и свистеть может ??
еще и диод сгорел !!
на вых.трансе маркировки тоже нет никакой ... где там плюс-минус
« Последнее редактирование: Апреля 11, 2015, 00:20:06 от SG59 »

Оффлайн ra6da

  • Завсегдатай
  • ***
  • Сообщений: 338
Re: REGENT 60 вопрос к знатокам
« Ответ #7 : Апреля 11, 2015, 00:20:04 »
SG59, Переменка. С частотой звука. Но в схеме присутствует цепь обратной связи. С выхода усилителя на один из предыдущих каскадов. Меняем местами провода выходника и получаем вместо ООС, ПОС.
П.С. там не плюс минус, там, если внимательно посмотреть по схеме, проводок идёт от лампы предварительного каскада к одному из выводов вторички выходника! Кстати, оттуда же снимается и сигнал на индикатор.
« Последнее редактирование: Апреля 11, 2015, 00:23:59 от ra6da »

Оффлайн SG59 Автор темы

  • Частый посетитель
  • **
  • Сообщений: 107
Re: REGENT 60 вопрос к знатокам
« Ответ #8 : Апреля 11, 2015, 00:22:38 »
да .. блин ..
поменял провода ...
а ничего там от этого сгореть или испортится не могло ??

Оффлайн ra6da

  • Завсегдатай
  • ***
  • Сообщений: 338
Re: REGENT 60 вопрос к знатокам
« Ответ #9 : Апреля 11, 2015, 00:27:17 »
Нет, после перепайки ведь работает?

Оффлайн SG59 Автор темы

  • Частый посетитель
  • **
  • Сообщений: 107
Re: REGENT 60 вопрос к знатокам
« Ответ #10 : Апреля 11, 2015, 00:31:06 »
еще не перепаивал ... паяльник только включил ...
да и проверять сейчас опасно .. такой вой - как сирена . соседи в окна прыгать начнут , типа война началась )))

Оффлайн ra6da

  • Завсегдатай
  • ***
  • Сообщений: 338
Re: REGENT 60 вопрос к знатокам
« Ответ #11 : Апреля 11, 2015, 00:34:18 »
А сейчас в моде нормы ГТО сдавать. Пусть у соседей будут ночные прыжки. В десант пройдут вне конкурса.)) После перепайки можно включать, на сон соседей не повлияет, точно.))

Оффлайн SG59 Автор темы

  • Частый посетитель
  • **
  • Сообщений: 107
Re: REGENT 60 вопрос к знатокам
« Ответ #12 : Апреля 11, 2015, 00:38:12 »
 :) хорошо бы ...
это очень хороший усилитель , и такая неприятность случилась ..  :(

Оффлайн ra6da

  • Завсегдатай
  • ***
  • Сообщений: 338
Re: REGENT 60 вопрос к знатокам
« Ответ #13 : Апреля 11, 2015, 00:46:03 »
Ну, тем более, надо перепаять и проверить сейчас. Сон будет крепким и счастливым.)))

Оффлайн SG59 Автор темы

  • Частый посетитель
  • **
  • Сообщений: 107
Re: REGENT 60 вопрос к знатокам
« Ответ #14 : Апреля 11, 2015, 11:37:31 »
поменял провода
Включил ...
очень угрожающе гудит !!!!
такой низкий гул . как будто тут 10000 вольт !!!
но не засвистел .
--------------
я один раз кондер разрядил отверткой на землю ,
Может от этого кондер-электролит испортится и ЗАгудеть ??

... и добавил:

А !!
ВОТ ЕЩЕ ЧТО !!
обратил внимание - выходные лампы внутри светятся голубым светом !!
это нормально ??
« Последнее редактирование: Апреля 11, 2015, 11:52:24 от SG59 »