Автор Тема: Закончен проект: SLO-RECTO-TWIN от AZG.(семпл и фото на 1 и 12 страницах)  (Прочитано 147688 раз)

0 Пользователей и 2 Гостей просматривают эту тему.

Оффлайн AZG

  • Живу на форуме
  • *******
  • Сообщений: 95703
  • Санкт-Петербург
    • AZG CUSTOM
Вот что-то сейчас подумалось, а может трансик на 230 по первичке, а в розетке 220 по старому или вообще 210. Вот и -10% тобишь 0,6в по накалу вниз ???

Вполне может быть. Но на сколько помню начало, атм таки трансик на 220В был.

Оффлайн Лёха2009

  • Эксперт
  • *****
  • Сообщений: 1256
Да, на трансформаторе написано 220в 0,07А. первичка.
Ну завтра кондеры то допаяю и посмотрим что дальше делать, может и так норм будет.

Оффлайн Umnick

  • Опытный
  • ****
  • Сообщений: 737
  • Генератор бреда
Дабы не плодить тем
Решил собрать SRT с мощником SLO-50, накидал схему. Прошу указать ошибки


Оффлайн Alex_SG

  • Живу на форуме
  • *******
  • Сообщений: 7526
  • хейтер и пессимист :crazy:
Мелко и ничерта не видно :)
Но полтора килоома в катоде КП на V3A всё-таки режут глаз ;)
Подъём накала для облегчения жизни лампы КП и снижения фона в целом не было мысли сделать?

... и добавил:

Ещё с заземлением катода в первом каскаде не понял. Точно туда свитч подключен?
« Последнее редактирование: Декабря 11, 2023, 06:01:12 от Alex_SG »

Оффлайн Лёха2009

  • Эксперт
  • *****
  • Сообщений: 1256
Переделал на импульсник, накал 6,3в анодка 350в. Допаял кондеры на гейны, теперь не мутно)

Теперь клин. Делаем как нарисовал получается?


Еще вопрос, реле можно от накала запитать в таком случае? Даташит прикрепляю, насколько понял реле на 5в можно до 6,5в подавать, правильно?

Кстати еще обнаружил что с лид канала перегруз в клин пролезает к тому же, но не сильно, в основном конечно сам клин драйвит.

« Последнее редактирование: Декабря 11, 2023, 06:22:54 от Лёха2009 »

Оффлайн Alex_SG

  • Живу на форуме
  • *******
  • Сообщений: 7526
  • хейтер и пессимист :crazy:
Еще вопрос, реле можно от накала запитать в таком случае? Даташит прикрепляю, насколько понял реле на 5в можно до 6,5в подавать, правильно?
Ну даташит позволяет, значит можно :)
Я бы подал наподольше да пощупал чего там с нагревом. Возможно, будет полезно резистор последовательно поставить. Сопротивление катушки там указано, посчитать не сложно.

... и добавил:

А схему повышайки 12-320 можно, если не секрет?  :rolleyes:
« Последнее редактирование: Декабря 11, 2023, 06:27:44 от Alex_SG »

Оффлайн Лёха2009

  • Эксперт
  • *****
  • Сообщений: 1256
Alex_SG,, вот, автор Torbjorn c гитар гир. Правда там темы не сохранилось, он все удалил. Но кое что я сохранил. 8)

Оффлайн AZG

  • Живу на форуме
  • *******
  • Сообщений: 95703
  • Санкт-Петербург
    • AZG CUSTOM
Импульсник на анодку только от безысходности. Динамика сразу в минус, жесткий и холодный звук.

Лёха2009, Я вообще предпочитаю 5В реле питать от 6В. Они лучше так работают. Почему то не все экземпляры четко срабатывают от 5В. А если еще и ключ электронный, который откушивает прилично... А вот 12В реле большинство работают уже от 9-10В вполне четко.

На предмет просасывания перегруза - мют же присутствует на схеме. Реализован? Срабатывает четко?

Оффлайн Umnick

  • Опытный
  • ****
  • Сообщений: 737
  • Генератор бреда
Мелко и ничерта не видно :)
Но полтора килоома в катоде КП на V3A всё-таки режут глаз ;)
Подъём накала для облегчения жизни лампы КП и снижения фона в целом не было мысли сделать?

... и добавил:

Ещё с заземлением катода в первом каскаде не понял. Точно туда свитч подключен?


Держи в PDF

Оффлайн Alex_SG

  • Живу на форуме
  • *******
  • Сообщений: 7526
  • хейтер и пессимист :crazy:

Держи в PDF
Ну держи по пунктам :)
1 - К1В подключается МЕЖДУ С1-R4
2 -  R24=100k
3 - выпрямитель питания реле я лично прицепил бы на накал выходных ламп, а среднюю точку накальной обмотки ECC83 зацепил бы на делитель вольт на 30-50 от анодки. Просто из давнишнего опыта сборки.

Оффлайн Лёха2009

  • Эксперт
  • *****
  • Сообщений: 1256
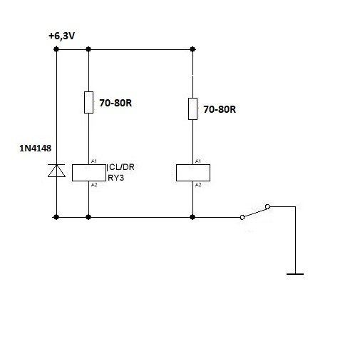
Alex_SG, то есть вот так подключаем и все? По даташиту получается 6 вольтовое реле 240R.

... и добавил:


AZG, да, мют работает, а что по последней схеме в  #559 посту, пойдет так темброблок между каскадами?
« Последнее редактирование: Декабря 11, 2023, 08:50:53 от Лёха2009 »

Оффлайн Umnick

  • Опытный
  • ****
  • Сообщений: 737
  • Генератор бреда
Ну держи по пунктам :)
1 - К1В подключается МЕЖДУ С1-R4
2 -  R24=100k
3 - выпрямитель питания реле я лично прицепил бы на накал выходных ламп, а среднюю точку накальной обмотки ECC83 зацепил бы на делитель вольт на 30-50 от анодки. Просто из давнишнего опыта сборки.

Пофиксил

Оффлайн AZG

  • Живу на форуме
  • *******
  • Сообщений: 95703
  • Санкт-Петербург
    • AZG CUSTOM
Лёха2009, диод параллельно самому реле. резистор можно подобрать, но я отказался. Тут надо смотреть все ситуации. Особенно если футсвич с последовательным светодиодом.

Оффлайн Alex_SG

  • Живу на форуме
  • *******
  • Сообщений: 7526
  • хейтер и пессимист :crazy:
Особенно если футсвич с последовательным светодиодом.
А оно сработает вообще от 5в с последовательным светодиодом? а то они любят на себе 3в падения организовывать так то...

Оффлайн AZG

  • Живу на форуме
  • *******
  • Сообщений: 95703
  • Санкт-Петербург
    • AZG CUSTOM
А оно сработает вообще от 5в с последовательным светодиодом? а то они любят на себе 3в падения организовывать так то...

Читай выше про 5 вольт реле... Они не все и от ключа на транзисторе то работают.