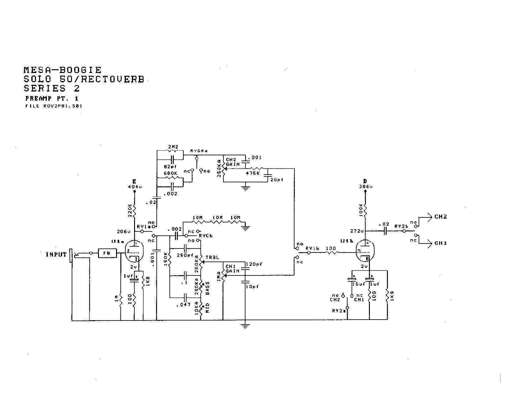
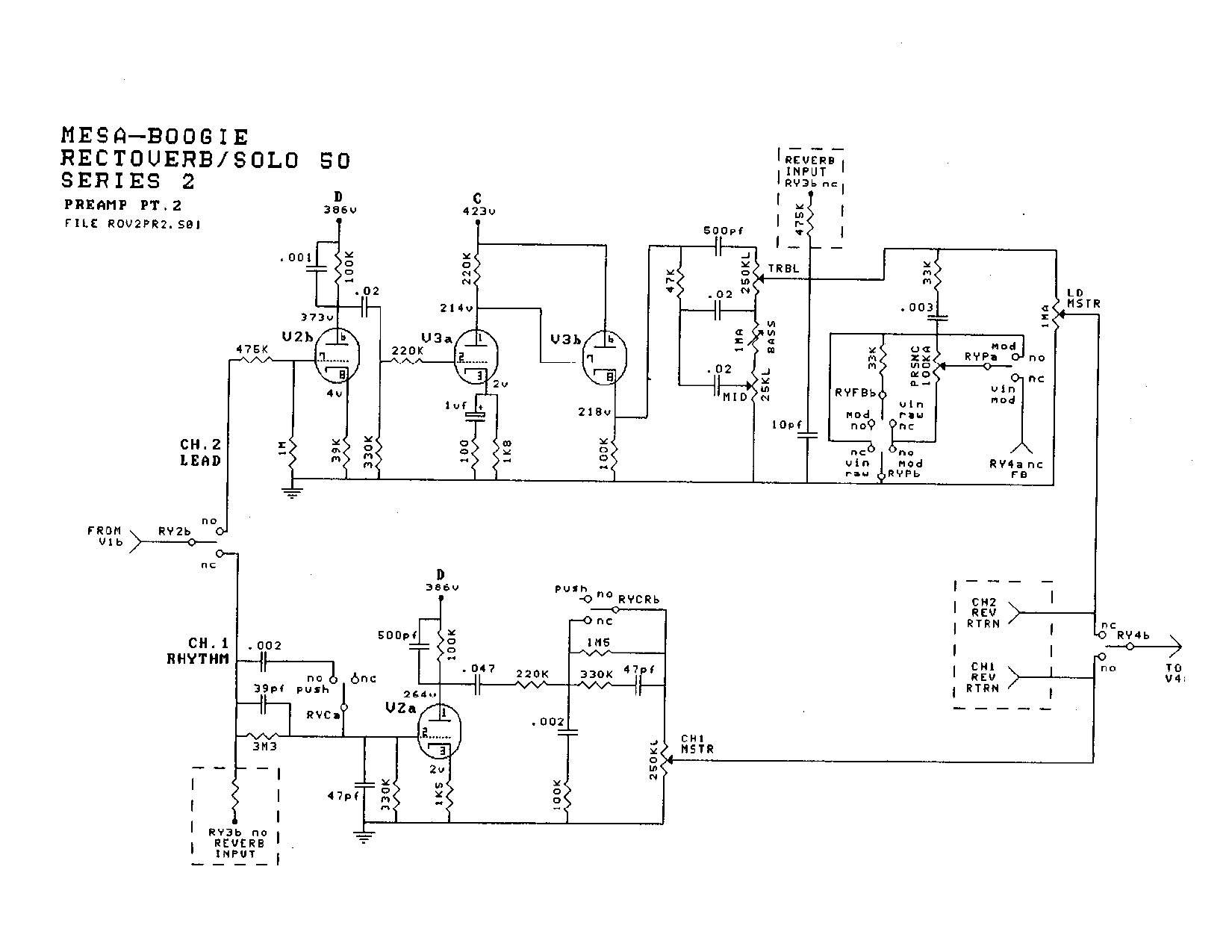
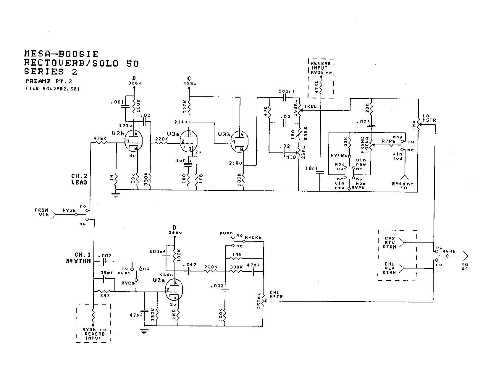
Вот, кстати, для
fewa-watraco идейка экспериментальная, если захочет..

Попробовать бы на одной и той же схеме усилка, желательно хайгенистого, прогнать розовый шум с очень низким входным уровнем и с максимально-допустимым, .т.е тихий и громкий исходники
Да с разными тонстеками, классикой типа фендеровского, маршалловского ит.д..
Тогдаможно было бы глянуть разницу в ачх , меняется ли она динамически?
Такой тест имел бы большую научную пользу...
... и добавил:Если точнее, то лучше, конечно так:
1. Тихий шум через преамп до тонстека с низким гейном
2. Громкий шум через преамп до тонстека с выс. гейном
3. Тихий с низк. гейном после тонстека №1
4. С выс. гейном посл тс №1
5. Тоже самое после тонстека №2
6... и т.д...
Вот тогда такой тест будет, наверное, весьма информативным
... и добавил:Еще аналогично можно белый шум прогнать, будет еще информативнее в сравнениях...