Автор Тема: Как поступить ?  (Прочитано 7601 раз)

0 Пользователей и 1 Гость просматривают эту тему.

Оффлайн тов.Китайгородский. Автор темы

  • Частый посетитель
  • **
  • Сообщений: 141
  • GuitarPlayer.Ru fan!
Re: Как поступить ?
« Ответ #90 : Декабря 14, 2019, 23:02:57 »
Неееее, сначала закупаем все детали, потом рисеум шасси и корпус. Иначе могут лампы ПО ВЫСОТЕ не влезть в будку. Или гнездо питания с силовиком не сходиться. Или не отзеркалишь панель заднюю и получится, что питание по диагонали  :D
Коллега как я понял в этом у вас большой опыт.  :)
 Задай сто вопросов по теме и обязательно где нибудь накосячиш. Печалька. Но пока ничего так , места конечно впритык , но вроде всё размещается, а вот если по дороге вводить всякие моды то да места для них нет. :(

Оффлайн Medvedeff8

  • Ветеран форума
  • ******
  • Сообщений: 3026
  • Слабоумие и отвага!
Re: Как поступить ?
« Ответ #91 : Декабря 14, 2019, 23:40:03 »
Я думал, будет серьезный подход, обсуждение схемы, макетирование, снова обсуждение, потом уже сборка вчистовую. А тут уже с корабля на бал... Так не делают, особенно, если что-то несерийное, нестандартное. Задумка дерзкая, а подход необдуманный. Еще толком схема не родилась, а шасси уже воплотили в железе...

Оффлайн тов.Китайгородский. Автор темы

  • Частый посетитель
  • **
  • Сообщений: 141
  • GuitarPlayer.Ru fan!
Re: Как поступить ?
« Ответ #92 : Декабря 15, 2019, 01:01:43 »
Я думал, будет серьезный подход, обсуждение схемы, макетирование, снова обсуждение, потом уже сборка вчистовую. А тут уже с корабля на бал... Так не делают, особенно, если что-то несерийное, нестандартное. Задумка дерзкая, а подход необдуманный. Еще толком схема не родилась, а шасси уже воплотили в железе...
;) Давно родилась,



« Последнее редактирование: Декабря 15, 2019, 20:02:59 от тов.Китайгородский. »

Оффлайн Dying Fetus

  • Moderator
  • *****
  • Сообщений: 10308
  • DIYng Fetus
    • http://cathar.ru
Re: Как поступить ?
« Ответ #93 : Декабря 15, 2019, 07:17:47 »
Коллега как я понял в этом у вас большой опыт.  :)

Если только большой опыт в косячинге :crazy:

Оффлайн тов.Китайгородский. Автор темы

  • Частый посетитель
  • **
  • Сообщений: 141
  • GuitarPlayer.Ru fan!
Re: Как поступить ?
« Ответ #94 : Декабря 15, 2019, 08:08:57 »
Если только большой опыт в косячинге :crazy:
Ну вот "сырая" схема, как видно вход  на пентоде (6ж32п) далее ручка усиления (типа "гейна") катодный повторитель (как в схеме фендеровских ус. ) темброблок , фазорасщепитель, , где прямой сигнал идёт через сдвоенный регулятор громкости но правый канал, на левый канал с катодного выхода на петлю (сенд на линию задержки) и возврат на усилитель (половинка триода ) после чего на тот же сдвонный регулятор мастер громкости и на левый оконечник. (одна проблемма куда вешат "ревер ?)
(уупс !"забыл нарисовать входные лампы драйвера оконечников и цепи регулируемых ООС) :rolleyes:
« Последнее редактирование: Декабря 15, 2019, 08:12:04 от тов.Китайгородский. »

Оффлайн Geezer

  • Живу на форуме
  • *******
  • Сообщений: 12749
  • Atypique
Re: Как поступить ?
« Ответ #95 : Декабря 15, 2019, 08:20:53 »
Через регулятор гейна предполагается протекание тока напряжения питания?

Оффлайн тов.Китайгородский. Автор темы

  • Частый посетитель
  • **
  • Сообщений: 141
  • GuitarPlayer.Ru fan!
Re: Как поступить ?
« Ответ #96 : Декабря 15, 2019, 08:26:21 »
Ну нет конечно. Перепутал.
Честно признаюсь слабое место здесь "фазорасщепитель" ну на ум более ничего практичного не пришло .

Оффлайн Geezer

  • Живу на форуме
  • *******
  • Сообщений: 12749
  • Atypique
Re: Как поступить ?
« Ответ #97 : Декабря 15, 2019, 08:38:23 »
Посмотрите как устроены типовые схемные решения в ламповой технике, там же всё отработано десятилетиями.
Реостатные регуляторы уровня на входах оконечных каскадов тоже достаточно сомнительное решение...

Оффлайн тов.Китайгородский. Автор темы

  • Частый посетитель
  • **
  • Сообщений: 141
  • GuitarPlayer.Ru fan!
Re: Как поступить ?
« Ответ #98 : Декабря 15, 2019, 08:56:43 »
Посмотрите как устроены типовые схемные решения в ламповой технике, там же всё отработано десятилетиями.
Реостатные регуляторы уровня на входах оконечных каскадов тоже достаточно сомнительное решение...
Так не нашел же как это реализовано в  такой конфигурации, нет стерео комбиков (да ещё на лампах). Кстати, последняя фаза не понятна? ! Чем "мастер громкость"не типовое решеие? :)

Оффлайн Geezer

  • Живу на форуме
  • *******
  • Сообщений: 12749
  • Atypique
Re: Как поступить ?
« Ответ #99 : Декабря 15, 2019, 09:14:55 »
Все вопросы по ламповой технике - к AZG, как к безусловному эксперту и практику в этой области.
Я лишь отметил то, что явно режет глаз даже дилетанту...

Оффлайн Vitallka

  • Эксперт
  • *****
  • Сообщений: 1175
  • Антиум
Re: Как поступить ?
« Ответ #100 : Декабря 15, 2019, 11:57:51 »
Предусилитель (пентод + катодный повторитель) - так никто не делает с многих причин.


Оффлайн Tuvalu

  • Опытный
  • ****
  • Сообщений: 592
  • GuitarPlayer.Ru fan!
Re: Как поступить ?
« Ответ #101 : Декабря 15, 2019, 17:14:44 »
Сетки выходных ламп висят в воздухе...

Оффлайн тов.Китайгородский. Автор темы

  • Частый посетитель
  • **
  • Сообщений: 141
  • GuitarPlayer.Ru fan!
Re: Как поступить ?
« Ответ #102 : Декабря 15, 2019, 18:50:15 »
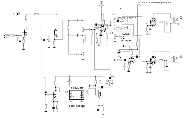
http://guitarwork.ru/electronic/Vox/AC4_Amplifier/

http://guitarwork.ru/electronic/Altec_Lansing/A333A_Amplifier/

Ну ладно ! Поступим в соответствии с критикой ! ;D

Переделал ПРИНЦИПИАЛЬНУЮ  схему . Теперь входной каскад на двойном триоде левая половинка отвечает за пред.усиление, правая за согласование с тёхполосным классическим темброблоком. После чего левая половинка следующего двойного триода усиливает сигнал темброблока и подаёт его на фазорасщепитель (на левой половинке лампы) откуда с анода сигнал через сдвоенный потенциометр идёт в правый канал с катода же через разьём "посыл" передаётся на дилэй (который мне здесь предлагали как чисто линию задержки). После "возврата" этот сигнал сигнал с левого канала идёт на триод усиления , который доводит уровень сигнала до необходимого и так же подаёт сигнал на потенциометр "Мастер громкости" в сетку выходной лампы. Критикуйте ! По уровням усиления можно ли обойтись таким схемным решением ?





« Последнее редактирование: Декабря 15, 2019, 19:08:39 от тов.Китайгородский. »

Оффлайн Vitallka

  • Эксперт
  • *****
  • Сообщений: 1175
  • Антиум
Re: Как поступить ?
« Ответ #103 : Декабря 15, 2019, 19:04:03 »
Прикрепите схему к сообщению или даже в сплане и я подкорректирую схему

Оффлайн тов.Китайгородский. Автор темы

  • Частый посетитель
  • **
  • Сообщений: 141
  • GuitarPlayer.Ru fan!
Re: Как поступить ?
« Ответ #104 : Декабря 15, 2019, 19:09:47 »
Прикрепите схему к сообщению или даже в сплане и я подкорректирую схему
Извините а как это сделать ? :rolleyes:
« Последнее редактирование: Декабря 15, 2019, 19:21:10 от тов.Китайгородский. »