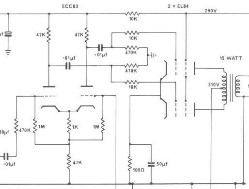
tube-freak, речь об обмотки со средней точкой или об емкостной этажерке с ней же? Или про разницу между мостом и двумя диодами?
А то моя мало-мало запутался 
Этажерка не играет роли, дело именно в разнице между вторичками типа например 0-350 и 350-0-350. Если представить, что два транса в остальном одинаковые, имеют один обычную вторичку, а второй две со средней точкой, при этом активное сопротивление втор. со средней точкой ровно в два раза больше той, что одна...
Так вот, тот что со средней точкой будет в определённых сценариях "шуметь" менее заметно.
Особенно, если он симметрично намотан.
Я тут где-то рисовал петлю через паразит. емкость. С мостом она проходит через диоды, которые периодически выключаются (100Гц).
Просто непрерывный шум замаскируется, модулированый будет лучше слышно.