Автор Тема: Меняем резистор на дроссель и наоборот  (Прочитано 37664 раз)

0 Пользователей и 3 Гостей просматривают эту тему.

Оффлайн akl

  • Живу на форуме
  • *******
  • Сообщений: 8114
  • не шарю ваще
Re: Меняем резистор на дроссель и наоборот
« Ответ #15 : Августа 28, 2012, 16:11:25 »
Я же никому ничего не хочу "рассказать", я блин совета спрашиваю  :(
а, это у меня просто привычка дурная в чужие темы со своими нубскими вопросами вклиниваться :shy2: с другой стороны, не создавать же отдельные ???

Оффлайн ytrikoz Автор темы

  • Живу на форуме
  • *******
  • Сообщений: 13062
  • Tone isn't just in the gear, its in your head
Re: Меняем резистор на дроссель и наоборот
« Ответ #16 : Августа 28, 2012, 16:18:28 »
Ребят, пожалуйста, потратьте 5 мин своего времени, чтобы вникнуть в мой вопрос и выбрать модель на http://www.hammondmfg.com/ , или указать диапазоны в которых должен быть дроссель для моего усилителя, готов на телефон вам какую-нибудь разумную сумму за консультацию перевести.

Оффлайн runing

  • Живу на форуме
  • *******
  • Сообщений: 12572
  • Киев
Re: Меняем резистор на дроссель и наоборот
« Ответ #17 : Августа 28, 2012, 16:21:49 »
ytrikoz, ты выбери кого то одного авторитетного для себя человека и действуй по его рекомендации. А то вчера мы с тобой всё обсудили, потом ты с Крисом контрольное обсуждение совершил, bottle не оставил тебя без внимания, AZG подключился... Может ещё Майку Солдано коллективное письмо составим?

Тебе хватит дросселя на 50мА, только подключай его правильно, вместо резистора 500-ом.

Вот выбирай:

http://www.triodeelectronics.com/vistfech.html

http://www.triodeelectronics.com/ch90ma4hfe.html


http://www.hammondmfg.com/pdf/EDB194A.pdf





готов на телефон вам какую-нибудь разумную сумму за консультацию перевести.

Лучше на телевизор мне сумму переведи  :D
« Последнее редактирование: Августа 28, 2012, 16:58:03 от runing »

Оффлайн ytrikoz Автор темы

  • Живу на форуме
  • *******
  • Сообщений: 13062
  • Tone isn't just in the gear, its in your head
Re: Меняем резистор на дроссель и наоборот
« Ответ #18 : Августа 28, 2012, 16:36:43 »
ytrikoz, ты выбери кого то одного авторитетного для себя человека и действуй по его рекомендации. А то вчера мы с тобой всё обсудили, потом ты с Крисом контрольное обсуждение совершил, bottle, не оставил тебя без внимания, AZG подключился... Может ещё Майку Солдано коллективное письмо составим?
Да, почему то думал, что тут вопрос расчетный и не может иметь десятка мнений, а когда услышал сразу несколько противоречивых друг-другу мнений, это меня только смутило. Грешен, если сам не понимаю, стараюсь разобраться/собрать информацию из разных источников, проанализировать, принять решения.
Большое спасибо, за разъяснения.

Оффлайн AZG

  • Живу на форуме
  • *******
  • Сообщений: 95353
  • Санкт-Петербург
    • AZG CUSTOM
Re: Меняем резистор на дроссель и наоборот
« Ответ #19 : Августа 28, 2012, 16:40:25 »
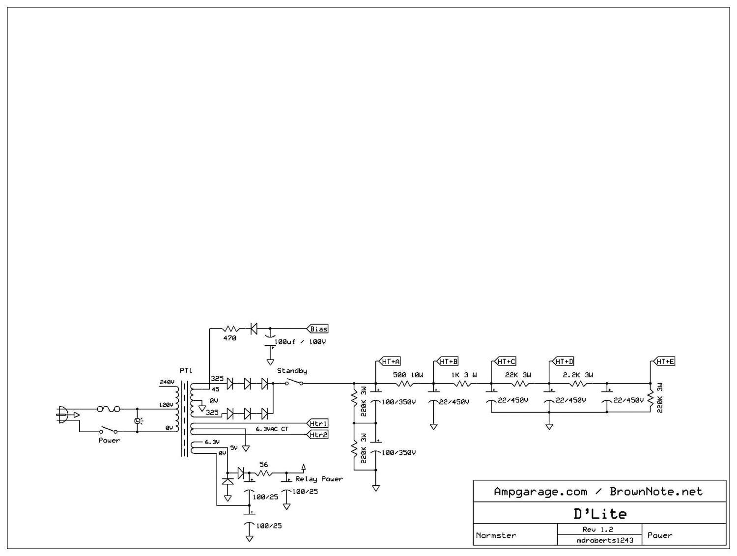
ytrikoz, Видать Хачатур ноликом случайно ошибся. Мог написать 30мА минимум. Ну нет там такого потребления. Весь аппарат по анодке потребляет не более 180 мА в самом жутком режиме. Итак, считаем. Вторые сетки потребляют максимум 5мА. Каждая мелкая лампа суммарно 5 мА, оных три. Итого получаем 25мА номинального тока. Даем небольшой запас на всякий. Итого 30мА.

Оффлайн runing

  • Живу на форуме
  • *******
  • Сообщений: 12572
  • Киев
Re: Меняем резистор на дроссель и наоборот
« Ответ #20 : Августа 28, 2012, 16:41:15 »
ytrikoz, говоря по простому, схема твоего усилителя по кол-ву ламп, потребляемому току и по режиму оконечника аналогична Фендер Блекфейс Делюкс. Из этого следует, что можешь просто купить дроссель для такого фендера и так же его подключить. Hammond 194A именно от него  :)

Оффлайн AZG

  • Живу на форуме
  • *******
  • Сообщений: 95353
  • Санкт-Петербург
    • AZG CUSTOM
Re: Меняем резистор на дроссель и наоборот
« Ответ #21 : Августа 28, 2012, 16:45:14 »
runing, Согласен. Это для Юры, чтобы он понимал, что нет разницы во мнении.

Оффлайн Dying Fetus

  • Moderator
  • *****
  • Сообщений: 10302
  • DIYng Fetus
    • http://cathar.ru
Re: Меняем резистор на дроссель и наоборот
« Ответ #22 : Августа 28, 2012, 16:47:03 »
я тожэ за 50 мА!

Оффлайн ytrikoz Автор темы

  • Живу на форуме
  • *******
  • Сообщений: 13062
  • Tone isn't just in the gear, its in your head
Re: Меняем резистор на дроссель и наоборот
« Ответ #23 : Августа 28, 2012, 16:54:56 »
Всем огромное спасибо!

Оффлайн runing

  • Живу на форуме
  • *******
  • Сообщений: 12572
  • Киев
Re: Меняем резистор на дроссель и наоборот
« Ответ #24 : Августа 28, 2012, 17:01:51 »
ytrikoz, на сколько я понимаю, у тебя выходной транс от МС. Имеет смысл дроссель купить того же производителя, что бы гармонично смотрелось  ???

http://www.triodeelectronics.com/40-18040.html

Оффлайн ytrikoz Автор темы

  • Живу на форуме
  • *******
  • Сообщений: 13062
  • Tone isn't just in the gear, its in your head
Re: Меняем резистор на дроссель и наоборот
« Ответ #25 : Августа 28, 2012, 17:46:50 »
ytrikoz, на сколько я понимаю, у тебя выходной транс от МС. Имеет смысл дроссель купить того же производителя, что бы гармонично смотрелось  ???
http://www.triodeelectronics.com/40-18040.html
Как бы еще в одном месте и дроссель взять и переключатель :)
Чтобы реализовать переключение (choke/off/resistor) мне по любому DPDT (on/off/on) или могу обойтись SPDT (оn/off/on), я так понимаю мне один провод перебрасывать надо будет, а на найденных диаграммах все DPDT используют... 
Вот не думал, что это такое непростое (для меня) дело окажется :(

Наверно все же ограничусь "внутренним" переключением, а то придется менять оба свитча (из эстетическим соображений). Тогда подойдет SPDT (on/on)? В таком случает http://www.tube-town.net/ttstore/product_info.php/info/p3700_Toggle-Switch-Carling-112-63--SPDT-ON-ON.html подойдет?
« Последнее редактирование: Августа 28, 2012, 17:54:39 от ytrikoz »

Оффлайн runing

  • Живу на форуме
  • *******
  • Сообщений: 12572
  • Киев
Re: Меняем резистор на дроссель и наоборот
« Ответ #26 : Августа 28, 2012, 17:55:06 »
А я по прежнему не рекомендую пичкать усилитель лишними переключателями, потому что пустое это  ???

Вот тебе дроссель:

http://tubedepot.com/tr-ck-02.html


Вот переключатель:

http://tubedepot.com/p-2gc51.html

Оффлайн ytrikoz Автор темы

  • Живу на форуме
  • *******
  • Сообщений: 13062
  • Tone isn't just in the gear, its in your head
Re: Меняем резистор на дроссель и наоборот
« Ответ #27 : Августа 28, 2012, 18:26:42 »
Блин, усилитель кажется большим, пока ты не решишь туда поставить дроссель...
Если красным прямоугольником обозначено текущее положение резистора, а зеленым предположительное положение дросселя +- в любую сторону на этой части шасси (так как нигде его больше не поставишь - между PT и ОТ он не влезет), провода придется тянуть либо сверху, либо снизу, но под ним плата... наводки там всякие...
Возможна подобная компоновка, как лучше прокладывать провод?
« Последнее редактирование: Августа 28, 2012, 18:30:12 от ytrikoz »

Оффлайн runing

  • Живу на форуме
  • *******
  • Сообщений: 12572
  • Киев
Re: Меняем резистор на дроссель и наоборот
« Ответ #28 : Августа 28, 2012, 18:37:06 »
ytrikoz, ты вообще то сначала купи дроссель, а потом держа его в руках поймёшь куда его ставить.
Размер того дросселя, что по моей ссылке, примерно как коробок спичек.
Он легко станет внутрь, на боковую стенку. Обозначил белым квадратом.

828191-0

... и добавил:

Если захочешь ставить сверху, тебе нужна будет такая втулка, размером 3/8 дюйма:

http://tubedepot.com/p-grommet.html

« Последнее редактирование: Августа 28, 2012, 18:41:06 от runing »

Оффлайн ytrikoz Автор темы

  • Живу на форуме
  • *******
  • Сообщений: 13062
  • Tone isn't just in the gear, its in your head
Re: Меняем резистор на дроссель и наоборот
« Ответ #29 : Августа 28, 2012, 20:35:49 »
Оформил заказ на необходимые комплектующие... попробую поставить ClassicTone 40-18040 (спецификация)... абсолютно гипотетический вопрос, если ток в цепи превысит максимально допустимый для этого дросселя в 50мА, что произойдет?  ;)