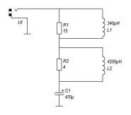
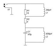
KMG, вот подключение нагрузок к 8 Омной нагрузке - 4-8-16-без нагрузки

вот с боку нагрузки линейный выход

а вот что на выходе линейного выхода

И вот на выходе линейного выхода как раз тот эфект что описан в статье
Или я что-то не правильно понял?
и вот картинка что на выходах всех выходов (сори за тавтологию)

вот если делитель на землю, а не на токовый резистор - получается кака
и вот при аттенюации показания с линейного выхода

да, сбоку нагрузки для усилителя - ничего не меняется,
но вот в линию сигнал существенным образом отличается. Я это имел ввиду.