Автор Тема: Микро Торпедо лайв из желудей и спичек.  (Прочитано 121736 раз)

0 Пользователей и 1 Гость просматривают эту тему.

Оффлайн Тимон

  • Ветеран форума
  • ******
  • Сообщений: 3556
  • Мохнатый
Re: Микро Торпедо лайв из желудей и спичек.
« Ответ #60 : Апреля 29, 2014, 12:00:11 »
Вол адаптер для питания спикосима, примочки, еще какой-нибудь лабуды и т.д. и т.п. — будет весь вол в адаптерах :) Автономность же рулит, не? :hmmm:

Оффлайн Lev1nson

  • Опытный
  • ****
  • Сообщений: 870
Re: Микро Торпедо лайв из желудей и спичек.
« Ответ #61 : Апреля 29, 2014, 12:22:08 »
Дайте пожалуйста схему лоадбокса с реактивной нагрузкой ( говорят что это лучше чем просто что то там бла бла). Мне друг спаяет её. Спасибо.

Оффлайн KMG

  • Опытный
  • ****
  • Сообщений: 844
  • completely insane
    • KMG personal page
Re: Микро Торпедо лайв из желудей и спичек.
« Ответ #62 : Апреля 29, 2014, 13:06:24 »
Цитировать
Дайте пожалуйста схему лоадбокса с реактивной нагрузкой ( говорят что это лучше чем просто что то там бла бла). Мне друг спаяет её. Спасибо.
А отмотать тему на пару страниц не судьба?
https://guitarplayer.ru/index.php?topic=257962.30

Оффлайн Lev1nson

  • Опытный
  • ****
  • Сообщений: 870
Re: Микро Торпедо лайв из желудей и спичек.
« Ответ #63 : Апреля 29, 2014, 13:33:55 »
А отмотать тему на пару страниц не судьба?
https://guitarplayer.ru/index.php?topic=257962.30
А это вся схема?
Спасибо, передам мастеру её.
« Последнее редактирование: Апреля 29, 2014, 13:36:55 от Lev1nson »

Оффлайн KMG

  • Опытный
  • ****
  • Сообщений: 844
  • completely insane
    • KMG personal page
Re: Микро Торпедо лайв из желудей и спичек.
« Ответ #64 : Апреля 29, 2014, 13:49:34 »
Ну + еще параллельно делитель с потенциометром для регулировки уровня сигнала в линию.
Для 5 Ватт у меня стоит 33к+А10к потенциометр.
Не забываем про требования к катушкам и конденсаторам 680mH должна быть рассчитана на ток, отдаваемый усилком, а вот 8.2mH на ток раза в 2.5 больший, так как на частоте резонанса по кнтуру течет гораздо больший ток. Также и неполярный конденсатор должен быть рассчитан на такой же максимально допустимый ток пульсаций.

Оффлайн Sofa_Guitarrero

  • Опытный
  • ****
  • Сообщений: 712
  • Диванщик! Из палаты мер и весов! BMWMotorrad-труЪ!
Re: Микро Торпедо лайв из желудей и спичек.
« Ответ #65 : Апреля 29, 2014, 18:07:58 »
Sofa_Guitarrero, Потребление спикерсима милливатты, выходная мощность усилителя десятки ватт. Можно подобрать постоянные времени, чтоб и на питание хватало и звук не корежило.
  Я как бы не праздно потрещать, а заинтересовался сделать подарок супруге и соседям - избавить их от прослушивания своих занятий. Без расчетов не обойтись, а знания не позволяют сходу прикинуть. Так, мысль вслух - снимать энергию с дросселя дополнительной обмоткой.
  Или действительно, поставить батарейку и забить.

Оффлайн sinister

  • Эксперт
  • *****
  • Сообщений: 1961
Re: Микро Торпедо лайв из желудей и спичек.
« Ответ #66 : Марта 01, 2015, 19:43:00 »
Подскажите пожалуйста, как можно снять график кривой импеданса?

Оффлайн KMG

  • Опытный
  • ****
  • Сообщений: 844
  • completely insane
    • KMG personal page
Re: Микро Торпедо лайв из желудей и спичек.
« Ответ #67 : Марта 02, 2015, 10:06:39 »
С помощью усилка и RMAA можно снять, правда это будет кривая соотношения Rвых усилителя и нагрузки.

Оффлайн sinister

  • Эксперт
  • *****
  • Сообщений: 1961
Re: Микро Торпедо лайв из желудей и спичек.
« Ответ #68 : Марта 02, 2015, 17:55:22 »
Если я провильно понял, то с выхода звуковой подать сигнал на ретерн усилителя а потом через делитель на вход карты.  Верно?

Оффлайн KMG

  • Опытный
  • ****
  • Сообщений: 844
  • completely insane
    • KMG personal page
Re: Микро Торпедо лайв из желудей и спичек.
« Ответ #69 : Марта 02, 2015, 18:29:59 »
Да, только желательно снимать в "линейном" режиме оконечника - не более 30% мощности

Оффлайн sinister

  • Эксперт
  • *****
  • Сообщений: 1961
Re: Микро Торпедо лайв из желудей и спичек.
« Ответ #70 : Марта 02, 2015, 18:32:58 »
KMG, спасибо, буду пробовать

Оффлайн Midgardius

  • Новичок
  • *
  • Сообщений: 31
  • GuitarPlayer.Ru fan!
Re: Микро Торпедо лайв из желудей и спичек.
« Ответ #71 : Марта 11, 2015, 08:39:21 »
Извиняюсь за нубский вопрос, плохо дружу со схемами...
Правильно ли я понял, что Line out снимается параллельно нагрузке как на рисунке?

И как нужно подключить патенциометр для регулировки выхода в линию?

Оффлайн KMG

  • Опытный
  • ****
  • Сообщений: 844
  • completely insane
    • KMG personal page
Re: Микро Торпедо лайв из желудей и спичек.
« Ответ #72 : Марта 11, 2015, 09:04:20 »
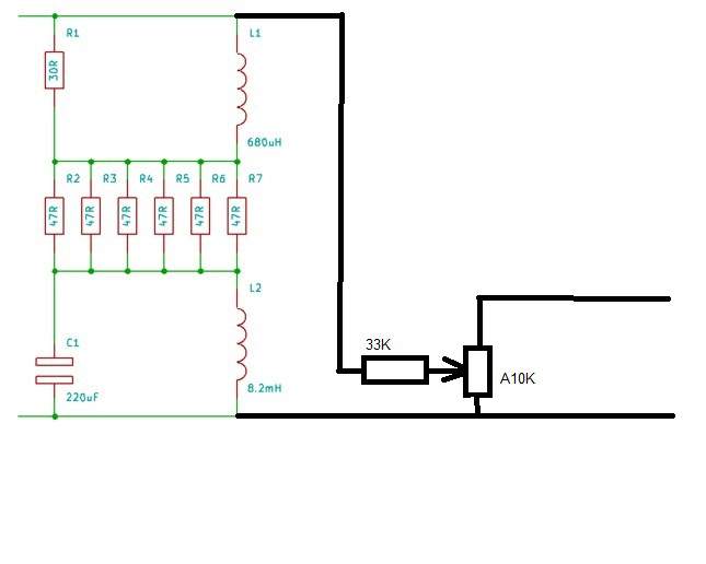
Туда, где у тебя написано LINE OUT подключаешь цепочку из постоянного резитора (для ограничения максимального напряжения, чтобы не спалить звуковуху когда пот на максимум) и потенциометра. Для 5 ваттника я ставил 33к постоянный и А10К пот.

Оффлайн Midgardius

  • Новичок
  • *
  • Сообщений: 31
  • GuitarPlayer.Ru fan!
Re: Микро Торпедо лайв из желудей и спичек.
« Ответ #73 : Марта 11, 2015, 10:57:16 »
KMG, спасибо большое!
Я правильно Вас понял?

Оффлайн KMG

  • Опытный
  • ****
  • Сообщений: 844
  • completely insane
    • KMG personal page
Re: Микро Торпедо лайв из желудей и спичек.
« Ответ #74 : Марта 11, 2015, 11:00:47 »
нет, 33к должны идти на "верхний" вывод пота, а сигнал нужно снимать с движка