Автор Тема: Slodano SLO-0.25W  (Прочитано 14059 раз)

0 Пользователей и 1 Гость просматривают эту тему.

Оффлайн mars088 Автор темы

  • Новичок
  • *
  • Сообщений: 3
Slodano SLO-0.25W
« : Июля 31, 2013, 22:42:49 »
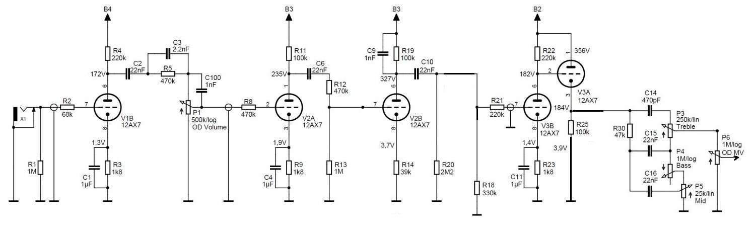
Здравствуйте, уважаемые форумчане, меня зовут Данила, я  начинающий гитарист и паяльщик. Около года читаю форумы gtlab, gutarplayer, guitar-gear. Год назад собрал преамп Tomato, несколько позже, усилитель Hi-octane. Сейчас начал собирать микро голову на основе канала перегруза Soldano SLO и микрооконечника KMG 0.25W.
Схема состоит из 4 частей:
1. Предусилитель+истоковый повторитель на LND150.
2. Микрооконечник KMG 0.25W.
3. БП.
4. Обратная связь.
Правильно ли...
…перенесён Master Volume? Нужен резистор R26 с движка Treble об землю?
… заменён BAV99 на 1n4148?
…убрана коммутация каналов?
…нарисована схема БП?









Оффлайн Santjago

  • Живу на форуме
  • *******
  • Сообщений: 10916
  • Hard As A Rock
Re: Slodano SLO-0.25W
« Ответ #1 : Августа 01, 2013, 03:26:50 »
mars088,
1. При работе на этот оконечник нет надобности в ИП после ТБ, так как входной импеданс у него высокий, как и у ламповых, можно обойтись лишь делителем после мастера, т.к. этот оконечник рано подгружается (т.е. при гораздо меньшем входном уровне чем ламповые). Другое дело, - если собираешься делать разрыв для внешних эффектов, тогда ИП будет служить буферным каскадом с высокой нагрузочной способностью (для внешних приборов с низким входным импедансом) и понижением уровня сигнала, для нормальной перевариваемости педалями. Если есть желание уложиться в два баллона, КП перед ТБ можно смело заменять на ИП на LND150 с соответствующей обвязкой катодной цепи (см. Полевой вариант JCM800 на полевиках LND150). Я так и сделал, если интересно, поделюсь сравнительными примерами звучания.

2.
Цитировать
перенесён Master Volume? Нужен резистор R26 с движка Treble об землю?
никакой практической пользы от него нет.

3.
Цитировать
заменён BAV99 на 1n4148
уточни у Михаила, думаю вполне заменяем, если не изменяет память, падение напряжения на них одинаковое

4.
Цитировать
убрана коммутация каналов?
Ну так в соответствии твоим нуждам... Если оставлять три баллона, то почему бы не реализовать на свободном триоде второй каскад для клин канала, в связке с первым?

5.
Цитировать
нарисована схема БП?
БП как БП. Шунт анодных ёмкостей плёнкой лишним точно не будет. А на выход стаба я бы установил такую же пару емкостей как и на входе, только ещё повысил бы емкость электролитов.

6. Мне, лично, больше по вкусу 470n в первом катоде, низа в этой схеме и так с головой.

7. Если уж взялся оконечник по схеме KMG собирать, - собрал бы 5W, а 0.25 - это не более чем для "ночных" репетиций, или дополнительного подгруза при записи "в линию". Я испытывал лично оба.
« Последнее редактирование: Августа 01, 2013, 04:37:30 от Santjago »

Оффлайн Мясников

  • Эксперт
  • *****
  • Сообщений: 1861
  • myasnikov-custom.com
    • https://www.youtube.com/channel/UCHZESeK456yYQQXrzjPVB8g
Re: Slodano SLO-0.25W
« Ответ #2 : Августа 01, 2013, 07:51:16 »
ооо какой мощник  :crazy:......   суровый беспощадный   :7:    лампу обычную поставить то никак?

Оффлайн Mepk

  • Эксперт
  • *****
  • Сообщений: 1855
  • Еще один соберу - и всё...
    • Мой блог
Re: Slodano SLO-0.25W
« Ответ #3 : Августа 01, 2013, 08:07:20 »
mars088, а где нашел 2SK170?
Я их даже на Mouser не вижу в наличии

Оффлайн runing

  • Живу на форуме
  • *******
  • Сообщений: 12572
  • Киев
Re: Slodano SLO-0.25W
« Ответ #4 : Августа 01, 2013, 09:49:51 »

Оффлайн Mepk

  • Эксперт
  • *****
  • Сообщений: 1855
  • Еще один соберу - и всё...
    • Мой блог
Re: Slodano SLO-0.25W
« Ответ #5 : Августа 01, 2013, 10:08:52 »
runing, хотел в России купить. Замучался уже каждую деталюшку в забугорье покупать.
Но, похоже, по-другому никак. Или по 100 рублей за транзюк :pozor:

Оффлайн runing

  • Живу на форуме
  • *******
  • Сообщений: 12572
  • Киев
Re: Slodano SLO-0.25W
« Ответ #6 : Августа 01, 2013, 10:16:53 »
Замучался уже каждую деталюшку в забугорье покупать.

Для тебя это мучительная процедура? У меня это происходит в удобном кресле, перед компьютером, намного быстрее и проще, чем поездка по местным радиомагазинам с сомнительным результатом.

Оффлайн Mepk

  • Эксперт
  • *****
  • Сообщений: 1855
  • Еще один соберу - и всё...
    • Мой блог
Re: Slodano SLO-0.25W
« Ответ #7 : Августа 01, 2013, 11:15:58 »
runing, давай не будем утрировать. :my_flag: А то в оффтопик уже тему сводим.
Доставка из-за бугра требует или много времени или много денег. Жертв, в общем ;D

Оффлайн KMG

  • Опытный
  • ****
  • Сообщений: 844
  • completely insane
    • KMG personal page
Re: Slodano SLO-0.25W
« Ответ #8 : Августа 01, 2013, 13:11:32 »
http://www.megachip.ru/item.php?item_id=44606
Но! Выходную 4-ку (Q3-Q6) нужно подбирать.
Вполне достатчно по равному IDSS.

Оффлайн Лёха2009

  • Эксперт
  • *****
  • Сообщений: 1211
Re: Slodano SLO-0.25W
« Ответ #9 : Августа 01, 2013, 14:37:04 »
2SK170 у гитармании и СМБ есть
http://guitaramania.ru/product/2sk170-/
http://smb-effects.ru/shop?mode=product&product_id=458832801

Сам у себя в городе их через магазин заказывал года 2 назад, тоже по 25руб штука.
« Последнее редактирование: Августа 01, 2013, 14:38:47 от Лёха2009 »

Оффлайн KMG

  • Опытный
  • ****
  • Сообщений: 844
  • completely insane
    • KMG personal page
Re: Slodano SLO-0.25W
« Ответ #10 : Августа 01, 2013, 16:56:01 »
Еще один момент, 2SK170 имеет 3 градации диапазона разброса начального тока стока "IDSS classification GR: 2.6~6.5 mA, BL: 6.0~12 mA, V: 10~20 mA"
Лучше всего использовать градацию BL.

Оффлайн H.P.

  • Опытный
  • ****
  • Сообщений: 547
    • ВК
Re: Slodano SLO-0.25W
« Ответ #11 : Августа 01, 2013, 18:33:19 »
Mepk, 2SK170 есть здесь, например.

Оффлайн Mepk

  • Эксперт
  • *****
  • Сообщений: 1855
  • Еще один соберу - и всё...
    • Мой блог
Re: Slodano SLO-0.25W
« Ответ #12 : Августа 01, 2013, 18:48:21 »
Всем спасибо. Буду набирать комплектик.

Оффлайн Евгений Медведев

  • Частый посетитель
  • **
  • Сообщений: 112
  • GuitarPlayer.Ru fan!
Re: Slodano SLO-0.25W
« Ответ #13 : Января 13, 2017, 18:00:31 »
Приветствую всех! Есть задумка собрать компактную голову, с предусилителем хайгейнового канала Slo, и пуш-пулл оконечником на EL 84. Чтобы не плодить еще одну тему, решил написать здесь, так как концепция моей задумки аналогична - Солдановский перегруз с не очень мощным оконечником, без петли и прочих излишеств, для домашней игры и для записи. Поскольку голова по замыслу должна быть мегакомпактной, вначале думал сократить схему предусилителя до варианта Суперчарджера, убрав делитель с кутером на выходе, и дополнить его полноценным солдановским тонстеком. То есть, имеем два баллона в преампе, баллон фазоинвертора типа лонгтейл, и две 84 на выходе. Но возникли сомнения в правильности такого решения, ведь выход предусилителя будет нагружен на темброблок не через катодный повторитель, что не есть гут. А катодный повторитель подразумевает еще один баллон, который попросту некуда будет воткнуть (шасси не позволяет, да и накальная обмотка, боюсь не потянет). Чтобы остаться при тех же трех баллонах 12ах7, но с полноценным предусилителем с КП и темброблоком есть такое решение - собрать преамп по схеме СЛО, (5 триодов) на оставшейся половинке сделать фазоинвертор ФИРН, и двухтактный оконечник на 84-ках с автосмещением. Хотелось бы услышать мнения опытных форумчан о работоспособности данного схемного решения. Данный проект давно зреет в моей голове, надеюсь, с вашей поддержкой его реализовать
« Последнее редактирование: Января 13, 2017, 18:12:24 от Евгений Медведев »

Оффлайн AZG

  • Живу на форуме
  • *******
  • Сообщений: 95569
  • Санкт-Петербург
    • AZG CUSTOM
Re: Slodano SLO-0.25W
« Ответ #14 : Января 13, 2017, 18:20:38 »
Евгений Медведев, Делай полноценный родной фазик, это важно. А КП просто на полевике LND150 по классической схеме.