Автор Тема: Старый ламповый усилитель: выкинуть или переделать?  (Прочитано 114329 раз)

0 Пользователей и 1 Гость просматривают эту тему.

Оффлайн Lupus_Nocturnus

  • Ветеран форума
  • ******
  • Сообщений: 3509
Цитировать
Накальная цепь тоже не понятна. Один конец на земле, а др. на лампы. По этому и нарисовал, для обсуждения.

Все как обычно. Накал переменкой.

Цитировать
Сигнал, ну, видимо, через С2 на выходной каскад.

А зачем тогда перые два триода? ???

Оффлайн DiK

  • Частый посетитель
  • **
  • Сообщений: 207
Не, Господа.
Собрать заново - это само собой. Я уже говорил, в этой ветке, что имея набор-конструктор на 6п14п буду пробовать собирать vox ac4. Пытаюсь опереться на готовое питание и шасси. Интересно послушать тремоло.
Потом захочется попробовать кенотронное питание. И собрать Чамп. С нуля. Без конструктора.
Можно сразу раскурочить этот набор и плясать только от трансформатора. Но интересно и разобраться, с Вашей помощью. Ведь на этом я и учусь. Спасибо Вам.

Оффлайн shlema

  • Ветеран форума
  • ******
  • Сообщений: 6135
  • skiper
http://datagor.ru/tubes/165-tubes-6n3p-6p14p.html учиться лучше на этом.

Оффлайн Spero_In_Inteligo

  • Живу на форуме
  • *******
  • Сообщений: 8920
  • Код пишу, на досуге на проволоку нажимаю.
Ни в телевизорах нив приемниках о линейности долго никто не думал. Нелинейности там хватит. Насчет разницы в звуке - что то мне подсказывает что разницы с чампом будет немного при условии одинаковых ламп, единственное что пред конечно требует изменений номиналов. Поэтому сейчас собираю однотакт на 6п14п по типовой и распространенной схеме, то есть стандарт, а если уж не подойдет каким то боком для гитары тогда буду дорабатывать.

shlema, есть мнение, что думали.
И потом, - пробовал включаться в две радиолы, которые без изменений. Звучит гитара конечно прикольно, но все равно как-то не так как в гитарный усилитель.

Оффлайн serginio78

  • Эксперт
  • *****
  • Сообщений: 1184
  • Зарегистрированный
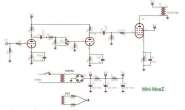
Из этого девайса можно сделать Mini-Z.

Оффлайн Rsmol

  • Эксперт
  • *****
  • Сообщений: 2990
Из этого девайса можно сделать Mini-Z.

Это Dr-Z Mini Z? Откуда схемка? И почему написано Mini-Meez?

Что можете сказать вот по этой схемке?

VHT Special 6: * VHT_Special_6_Schematic_5-17-10.pdf (37.68 КБ - загружено 179 раз.)

Оффлайн serginio78

  • Эксперт
  • *****
  • Сообщений: 1184
  • Зарегистрированный
Это Dr-Z Mini Z? Откуда схемка? И почему написано Mini-Meez?


Отсюда взял http://diyfactory.ru/forum/index.php?showtopic=1313

Оффлайн Rsmol

  • Эксперт
  • *****
  • Сообщений: 2990

Оффлайн maddest_loki

  • Завсегдатай
  • ***
  • Сообщений: 483
Rsmol, интересная схемка, надо будет попробовать, лови плюсик!

Оффлайн kfender

  • Ветеран форума
  • ******
  • Сообщений: 5915
  • к.т.н.
Из этого девайса можно сделать Mini-Z.

R6 и R7 тут лишние, а R10 стоит заменить на потенциометр - будет мастер-громкость.

Оффлайн Rsmol

  • Эксперт
  • *****
  • Сообщений: 2990
R6 и R7 тут лишние, а R10 стоит заменить на потенциометр - будет мастер-громкость.

А для чего их поставили? И что будет если убрать?

Оффлайн kfender

  • Ветеран форума
  • ******
  • Сообщений: 5915
  • к.т.н.
А для чего их поставили? И что будет если убрать?
из предрассудков видимо поставили, плохого ничего не будет, если убрать - только хорошее  ;D

Оффлайн runing

  • Живу на форуме
  • *******
  • Сообщений: 12572
  • Киев
Rsmol, резистором R6 зашунтирован потенциометр, стало быть их общее сопротивление 500к, можно поставить такой потенциометр, но приём с 1мегаомным и шунтом я часто наблюдал во всяких бутиковых ампах. Видимо есть смысл.
Резистор R7, резистор утечки сетки, он вместе с потенциометром громкости создаёт делитель сигнала на вход второго каскада.
Его можно подбирать на вкус. Меньшее значение ослабляет сигнал, большее усиливает. Можешь пробовать от 33к до 1М.

Оффлайн Rsmol

  • Эксперт
  • *****
  • Сообщений: 2990
из предрассудков видимо поставили, плохого ничего не будет, если убрать - только хорошее  ;D
А можно вкратце объяснить что они дают с точки зрения электротехники? Пытаюсь разобраться во всём этом перед тем как собирать...


... и добавил:

Rsmol, резистором R6 зашунтирован потенциометр, стало быть их общее сопротивление 500к, можно поставить такой потенциометр, но приём с 1мегаомным и шунтом я часто наблюдал во всяких бутиковых ампах. Видимо есть смысл.
Резистор R7, резистор утечки сетки, он вместе с потенциометром громкости создаёт делитель сигнала на вход второго каскада.
Его можно подбирать на вкус. Меньшее значение ослабляет сигнал, большее усиливает. Можешь пробовать от 33к до 1М.

Спасибо! :)

Оффлайн kfender

  • Ветеран форума
  • ******
  • Сообщений: 5915
  • к.т.н.
А можно вкратце объяснить что они дают с точки зрения электротехники? Пытаюсь разобраться во всём этом перед тем как собирать...


... и добавил:

Спасибо! :)
http://ru.wikipedia.org/wiki/%D0%94%D0%B5%D0%BB%D0%B8%D1%82%D0%B5%D0%BB%D1%8C_%D0%BD%D0%B0%D0%BF%D1%80%D1%8F%D0%B6%D0%B5%D0%BD%D0%B8%D1%8F