Проверил цоколевку ламп, все нормально, не ошибся переделывая под 6П1П.
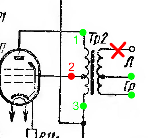
Теперь возможный косяк кроется в том, что я неправильно использовал выходной транс с ультралинейным включением.

Как его необходимо включить в Чамповую схему???
1-3
1-2
2-3
Сейчас он подключен как 1-3. Вывод 2 заизолирован.