slywink, Привет! По виду- это регент зо - Очень хороший усилок- не хуже вокс- оранж- мощность его природных лампах около 30 ват-
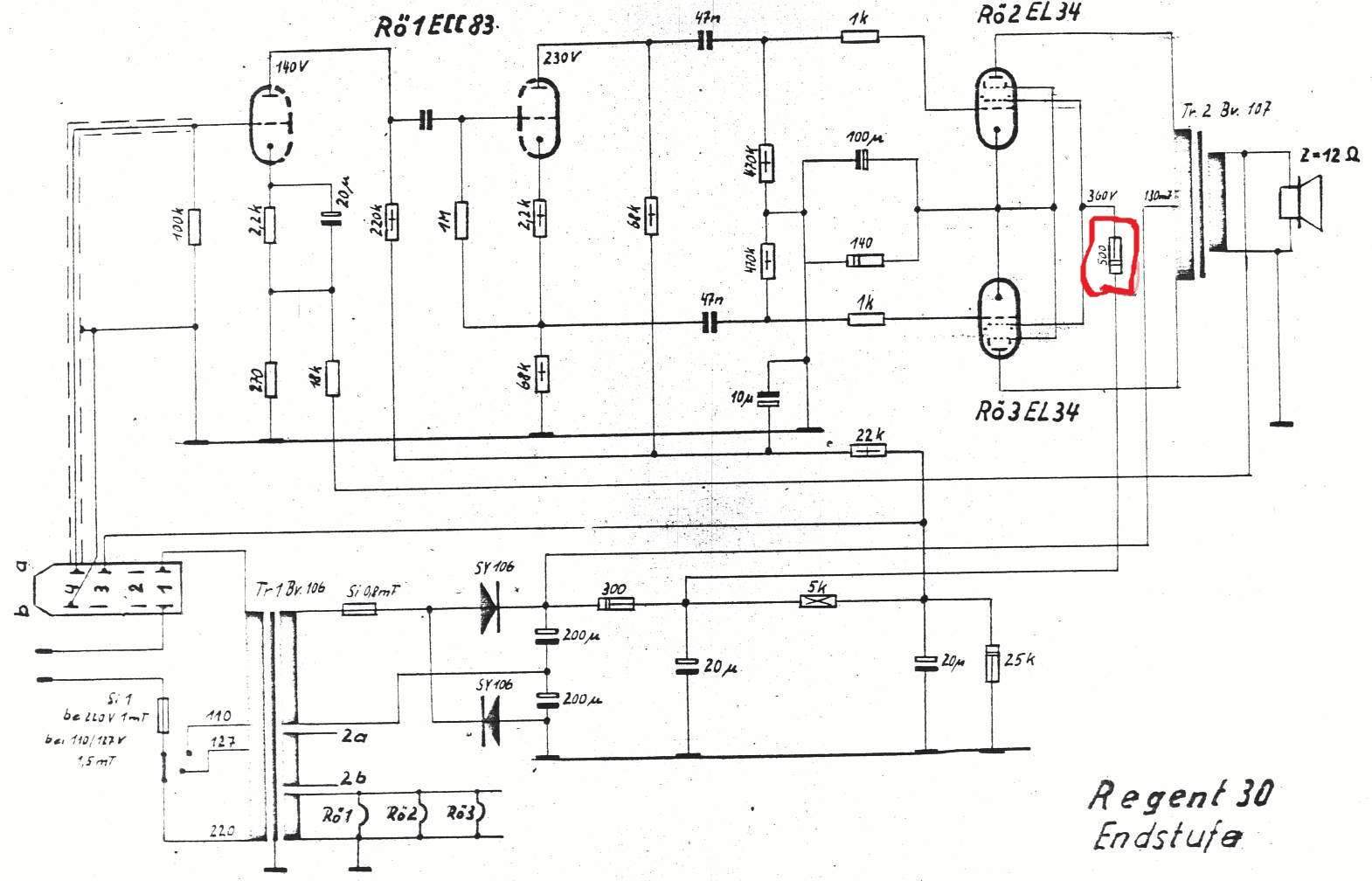
Когда выходные лампы сильно краснеют- первое это сгорел резистор -смотри по схеме на 500 ом - я обозначил его на схеме- красным.
Характеристика этого усилка- Немецкий усилок периода ГДР соц лагерь
Усилитель - сделан в щадящем режиме- потому в нормальном состоянии может работать сутками- выходные лампы- родные el 34 - работают в слабом режиме- дают всего до ватт 30 - потому долго- хотя из таких ламп вытаскавают - 50- ватт мощности - как типа на Маршалах.
По звуку напоминает очень близко усилки Энджл= немцы
Тембро блок у него - расположен отдельно от оконечника- потому может его и не быть- Фоток мало

такие крмбики были двух видов в названии если есть буква латин= Н значит что с ламповым пружинным ревером тогда ищи схему Regent 30 H
лампа миксер- родная ecc 83- лампа эта не проблема
на счет выходных ламп:
родные el 34
этот усилок тем хорошь что в место el 34- можно ставить лампы 6п3с - 6п3с е- 6l6 - 5881= 6п3с е
На счет предварительного блока- если есть блок- легко переделывается - на пред- типа маршал- фендер- лампы легко меняются на наши 6н2п е- надо перепаять провод накал лампы-
Короче! Усилитель Очень хороший- если не рубишь- отдай мастеру - который рубит в ламповых усилках-
Больше не включай его- Если сгорит выходной транс- это большая проблема.
схема усилка :
... и добавил:slywink, добавлю совет - динамик ставь 8ом или два по 16 ом
последовательно параллельно -= 8 ом.
усилок с не стандартным выходным сопротивлением = 12 ом- но 8ом он хорошо держит- при таком сопротивлении динамика= 8 ом- усилок выдаст все шо есть и без намека на сгорание.
... и добавил:MAGELLAN60, Сустейн- примочка очень не простая- хотя многие не понимают что она делает.
Главные параметры примочки сустейн компрессор:
На выходе максимально долго держать один уровень сигнала при затухании входного сигнала и очень главный параметр- АТАКА-
Плохой компрессор - придобавлении ручки сустейн- начинает пыхать
Даже очень хороший компрессор- дает пых-это срабатывание схемы на сигнал-
просто в хороших- это не сильно слышно- Для того что бы атаки была природной придумали такое= к чистому сигналу добавляется скомпрессированный-
лучшая по мне такая примочка для гитары это Эго
начало- хороших про компрессоров это mxr dina
сейчас сделать хороший компрессор не проблема- Но я прекратил эксперименты - работаю с mxr- но поменяю на Эго. Советую сделать тоже самое.
www.youtube.com/watch?v=QLF-XAHV_gAлучший по мне :
www.youtube.com/watch?v=4uhNyE4fudM