Автор Тема: Гитарная электроника (датчики, распайка,...)  (Прочитано 689613 раз)

0 Пользователей и 17 Гостей просматривают эту тему.

Оффлайн zloy kuki

  • Ветеран форума
  • ******
  • Сообщений: 3791
  • мне смешно на вас...

   Куки*, какие ко мне претензии? Фарадей ошибался?


К теоретикам и пациентам претензий нет. ???
Пока они учить других не начинают.
 С АЗГ я чаще не согласен, чем согласен. Но он всегда на стол может свои творения выложить.
А ты? А? То-то!

Оффлайн VT62

  • Ветеран форума
  • ******
  • Сообщений: 4842
  • не ел настоящих бигмаков с 14 марта 2022г
Цитировать
Сынок ни тебе мне говорить о том что срам,а что нет
ну так встань на чью нибудь сторону, батя. Что?  Ссыкотно в итоге оказаться в проигравшей сборной?

Цитировать
С АЗГ я чаще не согласен, чем согласен. Но он всегда на стол может свои творения выложить.
мне пофиг, что он на стол может положить, мне неинтересны творения паяльщика.
А ты, Куки, за какой интернационал?

 
Цитировать
а на другой пуш пулл громкость нека/тон?
запутанно выйдет для понимания. И кстати надо иметь ввиду что 2 громкости в пассиве нормально не могут работать одновременно.

==
так посмотришь - до чего же были гениальные люди - из того же житейского опыта что у всех, типа яблока на голову, выводили на первый взгляд примитивные законы физики. А тут тычешь носом в уже готовый закон, а он ну никак не увязывается с житейским опытом.
Помните горение объясняли выгоранием флогистона?     
« Последнее редактирование: Мая 19, 2021, 20:59:58 от VT62 »

Оффлайн Данил Стольнов

  • Новичок
  • *
  • Сообщений: 57

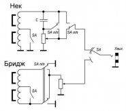
А можно тогда сделать на один пуш пул противофазу, а на другой пуш пулл громкость нека/тон?
А сможет мне кто-нибудь нарисовать данную схему, если не сложно?)

Оффлайн VT62

  • Ветеран форума
  • ******
  • Сообщений: 4842
  • не ел настоящих бигмаков с 14 марта 2022г
тебе ж наверное схему что куда припаять? с нарисованными 3д проводами? чур меня..
а если ты можешь читать принципиальные схемы то и сам нарисуешь.. возьми схему ЛП. выкинь из нее тонпоты. Посмотри схемы где есть отсечки и инверсии. скомбинируй. да наверняка готовая есть. единственно что такое пушпул громкость/тонпот непонятно.. громкость становится тонпотом? а самой громкости уже нет? или она перекочевывает на оставшуюся?


==
!! у меня ж валяется инвалидная ЛП Берни.
вот вам с некового датчика посредством кабеля 250пф и ЗК - графики.  Сетка по вертикали 10дб. по горизонтали  посреди -1кГц.
красный график - тонпот в 0. резонанс 450Гц. 2й порядок НЧ фильтр классика
розовый - 3, ни рыба ни мясо
синий - 5, типа того
зеленый -10 резонанс 2,8кГц, 2й порядок НЧ фильтр. а вялый такой потому, что железо говно в датчике. уже на таких низких частотах валит резонанс.
https://disk.yandex.ru/i/Nl3RVSNCq0c2sA
https://disk.yandex.ru/i/ZpdN2JSLVDQM0w

Оффлайн Vdm

  • Завсегдатай
  • ***
  • Сообщений: 334
Данил Стольнов, Вот примерно такое вырисовывается:

Оффлайн AZG

  • Живу на форуме
  • *******
  • Сообщений: 95482
  • Санкт-Петербург
    • AZG CUSTOM
Vdm, Там ФНЧ первого порядка в принципиальной схеме. Пишите обоснование, если не согласны. VT62 проявил толику ума и таки признвл, что сигнал мы снимаем ПОСЛЕ виртуальной индуктивности. Т.е. мы не можем эту индуктивность врисовать в фильтр схемы, т.к. она является частью источника. Все полностью аналогично и схемотехнике АС и других применений. А по факту да, в тех же АС фильтр 1-го порядка в эквивалентной схеме преобразуется в более высокий порядок за счет индуктивности динамика. Плюс расчеты комплексного сопротивления на резонансе и т.п. нюансы.

ZhukS, Идет обучение дилетанта. Какой срач и тем более междусобойчик? Товарищ заплутал в собственном памперсе.

мы разобрались только в том, что ты чудовищно невежественен в вопросе.

ГЫ! Ты можешь как угодно заблуждаться и считать других невежами. Но тут как-раз все наоборот. Ты не имеешь даже толики профильного образования. Что говорить о знаниях!

Цитировать
или ты уже опять переобулся?

На столько долбиться в глаза можешь только ТЫ! Ты хоть прочитай что написано в моей цитате! Ты на столько недалек, что в одной конкретной фразе все перевернул с ног на голову. Крыть нечем, значит надо врать? Ты уж подумай еще раз, если есть чем.

Цитировать
и чо? в чем противоречие? вот тебе определение:не юли.

Есть звукосниматели вообще без сердечника. Это не дроссель. Это катушка индуктивности. Я тебе это ранее писал. Но ты даже не понимаешь разницы. Дал определение, но воз и ныне там. Так что ты опять расписался в своем дилетантстве. А то твое определение написано таким же дилетантом как и ты, небось с Вики выдернуто? ГЫГЫГЫ!

Цитировать
что изменится если убрать совсем из под струн?

Если нет изменения магнитного поля, будет просто катушка индуктивности. Тогда в таком качестве включаем в схему и радуемся фильтру 2-го порядка. Никаких противоречий. В данном контексте она не является источником сигнала.

Цитировать
в таком случае все катушки с проводом - это НЕ катушки индуктивности так как есть еще поле земли, так?

Мнда. ТЯЖЕЛЫЙ СЛУЧАЙ! Опять мимо строк читаешь? Я дл я кого написал про изменение магнитного поля, которое генерирует ЭДС в катушке. Или ты этого не знаешь? Так вот узнай...

Цитировать
есть - генератор это именно витки. согласно блин закону Фарадея - ты с Фврадеем хочешь потягаться умом, что -ли? витки - это генератор, а индуктивность индуктивностью. хотя и есть связь.

Переобулся? Т.е. витки, но не катушка, но есть связь с индуктивностью. Я тебя понял. ТРЫНДЕЦ! Витки ты можешь в пространстве разложить как угодно. И при малой индуктивности толку от твоего датчика будет ноль, даже если сделаешь 6000 витков, но на расстоянии по метру между каждым витком. То, какой это "генератор" как-раз напрямую и зависит от индуктивности. Про геометрические параметры катушки ты даже ничего не слышал, небось?

Цитировать
Вот сколько не говори что жизненный опыт чуть в сторону и ставит подножку, что в механике , что в теории цепей.. ты видишь катушку и приравниваешь ее индуктивность к генератору. нет - это не так. Возвращаемся к закону Фарадея - в нем нет индуктивности.

Индуктивность показатель параметров катушки. Притом прямой, а не косвенный как ты хочешь представить.

Вывод из всего этого один - иди хоть подотрись. Памперс твой давно протекает, а сменного видать не дают.

... и добавил:

Данил Стольнов, Цветовые коды у производителей есть. Если будут вопросы по ним, напишите.

А так, схема приведена верная. Но если два пота, то без переключателя и конденсатора на верхнем датчике.
« Последнее редактирование: Мая 20, 2021, 09:36:37 от AZG »

Оффлайн VT62

  • Ветеран форума
  • ******
  • Сообщений: 4842
  • не ел настоящих бигмаков с 14 марта 2022г
Цитировать
Т.е. мы не можем эту индуктивность врисовать в фильтр схемы, т.к. она является частью источника.
еще как можем!!  :D индуктивность не является источноком. Источником являются витки . это не одно и тоже. Возьми свою методичку ТУЭ и вчитайся в закон Фарадея. Вполне вероятно что в его времена тоже увязывали ЭДС с индуктивностью. но она не увязывается, если подумать головой.

Цитировать
Все полностью аналогично и схемотехнике АС и других применений.
не пытайся сюда приплести еще АС. Тебе на ТВ работать - там тоже по любому поводу начинают плодить версии чтоб мозги засрать людям.

Цитировать
Ты не имеешь даже толики профильного образования. Что говорить о знаниях!
а ты типа имеешь? та самая Пряжка? она же универ, она же вуз где сопротивление бывает резистивное , а бывает активное :D :D. Нигде ты не учился. Ты шарлатан обыкновенный.
Да и ведь не нужно тут вышки чтобы разобраться. Вернее вышка не поможет. Тут думать надо не полагаясь на опыт.

Цитировать
Есть звукосниматели вообще без сердечника.
не сердечник а магнитопровод наверное ты хотел сказать?
да в звукоснимателе можно и без магнита обойтись. И что это меняет? Ничего.
как был 2й порядок так и остался. как были витки катушки источниками ЭДС так и остались, как были индуктивность , емкость и сопротивление - так и остались.
Ты врубись что ЭДС не связана с индуктивностью. очисти свои мысли.
 
Цитировать
Если нет изменения магнитного поля, будет просто катушка индуктивности. Тогда в таком качестве включаем в схему и радуемся фильтру 2-го порядка. Никаких противоречий. В данном контексте она не является источником сигнала.
а если 6 катушек как в Zexcoil - то какой будет порядок фильтра? или он будет зависеть от того сколько струн зацепил? от 1го до 6го? Хватит уже тупить, АЗГ. Спроси у когонить у своих в крафте.. Хотя может им выгодно - оттеняешь образованных.

Цитировать
Я дл я кого написал про изменение магнитного поля, которое генерирует ЭДС в катушке.
Это не ты написал а Фарадей, а ты хоть и плагиатишь - но не прорубаешь сути. попугай.

Цитировать
Индуктивность показатель параметров катушки. Притом прямой, а не косвенный как ты хочешь представить.
и чо? ЭДС это свойство витка. Индуктивность тоже свойство витка, но прямой связи нет. Замкни магнитопровод - индуктивность скакнет вверх, а сигнал пропадет. намотай в 2 раза больше витков - сигнал удвоится, а индуктивность блин учетверится. неужели этого мало чтобы задуматься?

Оффлайн Hotrodguitar

  • Ветеран форума
  • ******
  • Сообщений: 6420
  • Зарегистрированный
VT62,  AZG,  хорош уже, в вашем споре не истина рождается, а все дальше уходите от реальности гитарной, в игнор лист друг-друга поставьте и все ок... у меня 8 идиотов там сидят - вообще отлично, не вижу их сообщений и не реагирую...

если тебя человек не хочет слышать - объяснять что то - бесполезно, вы же понимаете...
« Последнее редактирование: Мая 20, 2021, 11:08:21 от Hotrodguitar »

Оффлайн AZG

  • Живу на форуме
  • *******
  • Сообщений: 95482
  • Санкт-Петербург
    • AZG CUSTOM
Hotrodguitar, Так нет спора. Обучение.

VT62, Я думал ты умнее, а оказывается еще тупеешь и тупеешь на глазах.

АС это очень показательный пример. Просто тебе он неудобный, ибо там все четко видно. Как и тут. Ну не привязывают в схемотехнике параметры источника или приемника сигнала. Ты этого не знал, так признай, что ты недоучка и все. И научись наконец то разделять принципиальную и эквивалентную схемы.

Так что далее идешь лесом, ты всех утомил. Слив тебе уже не поможет, т.к. ты пробил уже 100500-е дно.
« Последнее редактирование: Мая 20, 2021, 11:24:23 от AZG »

Оффлайн VT62

  • Ветеран форума
  • ******
  • Сообщений: 4842
  • не ел настоящих бигмаков с 14 марта 2022г
Цитировать
в игнор лист друг-друга поставьте и все ок
да я то как раз в реальности. а вот АЗГ в глюках. и никак не хочет оттуда выныривать.
А поскольку шарлатан из универовуза "Пряжка" корчит из себя специалиста, я не могу пройти мимо.
Я вчера выложил АЧХ с нека Берни - зависимость от положения тонпота. Кто видит там перестройку ФНЧ 1го порядка?
Вот этот спец смотри, что тебе написал:
Цитировать
Hotrodguitar, На максимум фильтр никуда не девается, но работает на самых верхних ВЧ. Изменяя положение пота тона меняешь частоту среза все ниже и ниже. Поэтому влияет все.
а вот что происходит на самом деле:


в крайних положениях классическая картина ФНЧ 2го порядка, с резонансом и завалом 12дб/окт. А между какая то размазанная хрень изза непомерной нагрузки..
А вот преамп САГЕ  действительно перестраивает ФНЧ 2го порядка по всему этому диапазону слева направо и это небо и земля по сравнению с тонпотом, поверьте. это типа плавный "Варитон".
« Последнее редактирование: Мая 20, 2021, 11:27:07 от VT62 »

Оффлайн Данил Стольнов

  • Новичок
  • *
  • Сообщений: 57
Данил Стольнов, Вот примерно такое вырисовывается:

Спасибо, но я не умею читать подобные схемы), я имел в виду рисунок схемы по типу тех, что есть на сайте https://www.seymourduncan.com

Оффлайн Tuvalu

  • Опытный
  • ****
  • Сообщений: 592
  • GuitarPlayer.Ru fan!
AZG, а вы принципиально не хотите отвечать на практические вопросы, связанные с измерениями? Избегаете их по каким-то неизвестным для нас причинам? Может, не понимаете смысл написанного? Так переспросите, я ещё более подробней разжую; хотя, что там ещё разжёвывать, и так любой чайник поймёт.
Я понимаю, вы специалист с блестящей теоретической подготовкой - престижный вуз, ТОЭ как основной профильный предмет, эквивалентные схемы и т.п. В общем, Теоретик с большой буквы. Но всё же, снизойдите до нас, простых малообразованных практиков и ответьте на несложный вопрос. Продублирую его:
(нажмите чтобы показать/спрятать)

ПС. Вот, и от меня три выдержки из книг о том, что магнитный звукосниматель - это ФНЧ 2-го порядка. 2-й и 3-й скан - это про маг. звукосниматели виниловых вертушек, но там всё то же самое, только номиналы другие, а формулы те же.
« Последнее редактирование: Мая 20, 2021, 14:39:27 от Tuvalu »

Оффлайн AZG

  • Живу на форуме
  • *******
  • Сообщений: 95482
  • Санкт-Петербург
    • AZG CUSTOM
Tuvalu, Теоретик тут VT62, так что не по адресу в данном ключе.

Измеряемый признак? Ни разу не видел, чтобы порядок фильтра по измерениям считали. Я выше дал пример по АС, где порядок фильтра как-раз схемотехнический, а по измерениям и во эквивалентной схеме все сильно по другому.
И я повторюсь, что нигде и никак не отрицал влияния на резонанс и т.п. Мы обсуждаем сугубо схемотехнику. Основная ошибка в том, что эквивалентная индуктивность НАРИСОВАНА после источника сигнала, в то время как катушка индуктивности и является этим источником. Не отделить и по сути сигнал у нас после этой виртуальной индуктивности. Странно, что этот момент не вызывает у вас сомнений.

Вот еще пример - есть первый блок, где просто конденсатор от сигнала на землю. Есть гнезда входа и выхода. Смотрим на этот блок отдельно - какой порядок фильтра?
Подключаем перед блоком источник с катушкой последовательно на выходе. Суммарно получаем 2-й порядок. Но в первом блоке отдельно этой катушки нет.
Вот и получается, что по принципиальной схеме первого блока там 1-й порядок. Если смотреть суммарно первый и второй, то 2-й порядок. Это простая логика.

Оффлайн Tuvalu

  • Опытный
  • ****
  • Сообщений: 592
  • GuitarPlayer.Ru fan!
Измеряемый признак? Ни разу не видел, чтобы порядок фильтра по измерениям считали.
Если я вас правильно понял, то при практических измерениях порядок фильтра установить невозможно? Или что?
ПС. Посмотрите картинки в предыдущем посте.

Цитировать
Основная ошибка в том, что эквивалентная индуктивность НАРИСОВАНА после источника сигнала, в то время как катушка индуктивности и является этим источником.
А в скане из книги Коха на эквивалентной схеме присутствует и генератор, и L . И в книге "Техника высококачеств. звуковоспроизведения" то же самое - последовательно включены er (генератор) и индуктивность L.
Что, и они врут, как Википедия? ДАШОЖТАКОЕ!!
« Последнее редактирование: Мая 20, 2021, 14:26:02 от Tuvalu »

Оффлайн VT62

  • Ветеран форума
  • ******
  • Сообщений: 4842
  • не ел настоящих бигмаков с 14 марта 2022г
Цитировать
И я повторюсь, что нигде и никак не отрицал влияния на резонанс и т.п.
какое такое влияние на резонанс? :o

Tuvalu
,
у него видишь датчик со своим собственным резонансом. А после фильтр, который перестраивается по частоте среза верхов. и он типа "влияет" на резонанс датчика.

Хорошая ссылка на звукосниматель проигрывателя.. А то я уже весь инет вычерпал по гитарным звукоснимателям. но все идиоты ж в инете, и в вики идиоты, и Фарадей хоть и не обозван идиотом, не говорил про индуктивность, но конечно имел ввиду именно ее ;D ;D

что же нам делать с пьяным матросом?(с) ???
« Последнее редактирование: Мая 20, 2021, 14:09:36 от VT62 »