Автор Тема: Клуб любителей намотать трансформатор  (Прочитано 434924 раз)

0 Пользователей и 1 Гость просматривают эту тему.

Оффлайн oxigen

  • Эксперт
  • *****
  • Сообщений: 1415
  • Если нельзя, но очень хочется, то можно
Re: Клуб любителей намотать трансформатор
« Ответ #1935 : Апреля 17, 2019, 17:34:50 »
tube-freak, Есть еще один момент - хватит ли места в магнитопроводе для намотки всех секций внавал!

Оффлайн tom cat

  • Эксперт
  • *****
  • Сообщений: 1846
  • На мой век металлолома хватит...
Re: Клуб любителей намотать трансформатор
« Ответ #1936 : Апреля 18, 2019, 20:47:46 »
Точно так!

Оффлайн Ерёма

  • Частый посетитель
  • **
  • Сообщений: 247
Re: Клуб любителей намотать трансформатор
« Ответ #1937 : Мая 08, 2019, 12:15:35 »
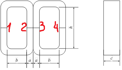
Здравствуйте! Хочу намотать выходной тр-р для SE на ШЛ сердечнике...



 
Возник вопрос? Как и где правильно организовать немагнитный зазор.


Для понятливости места разреза обозначены цифрами 1-2-3-4
Где то, в этой ветке слегка упоминали про это, но я ни чего не понял.

... и добавил:

у меня есть три варианта.
вариант 1    прокладка между зазорами 1-2-3-4
вариант 2                                                  1-4
вариант 3                                                  2-3
какой правильный?
« Последнее редактирование: Мая 08, 2019, 12:29:02 от Ерёма »

Оффлайн Валентин Гаврилов

  • Эксперт
  • *****
  • Сообщений: 2468
  • Long live Rock-n-Roll !!
Re: Клуб любителей намотать трансформатор
« Ответ #1938 : Мая 08, 2019, 17:46:17 »
Расчетная толщина прокладки (зазора) делится пополам  и  в каждый стык .  По длине магнитопровода ,т.е. ,  две прокладки по толщине соответствуют расчетному зазору . Понятно об"яснил ???? :) :)

Оффлайн ku2

  • Опытный
  • ****
  • Сообщений: 524
  • Санкт-Петербург
Re: Клуб любителей намотать трансформатор
« Ответ #1939 : Мая 08, 2019, 23:07:10 »
приветствую.. помогите с расчетами ТС-140 ...если доматать до 6.3v проводом/ сечение провода мм.кв 1/ на сколько ампер получится ? хотелось бы запитать Накал дух  EL34  ...нужно ведь номинально 3A...если помните намотал под кенотрон 5v...транс не грелся..реальный ток был 1.8A..анодное будет 400-420v ..hammer hed питается от ТС-130 набор железа там поменьше но  3.5 A на накал выходных и 1.2A на три маленьких..может провод толще..а  толще у меня не влезает в окно
(нажмите чтобы показать/спрятать)


... и добавил:

ТСШ-170  ПЭВ-1 1,25  3.2A 12.5  витков...вроде получается :hmmm:
« Последнее редактирование: Мая 08, 2019, 23:26:03 от ku2 »

Оффлайн Ерёма

  • Частый посетитель
  • **
  • Сообщений: 247
Re: Клуб любителей намотать трансформатор
« Ответ #1940 : Мая 09, 2019, 08:28:35 »
Валентин Гаврилов, Да. понятно. Спасибо!  :)

Оффлайн tom cat

  • Эксперт
  • *****
  • Сообщений: 1846
  • На мой век металлолома хватит...
Re: Клуб любителей намотать трансформатор
« Ответ #1941 : Мая 09, 2019, 08:57:56 »
ku2- Реальный ток- это то, что Вы померили на нагрузке? Я не мастер рассчитывать, но глубоко оехден, что 1,25 мм сечения хватит для Вашего усилителя, так как на моём Шоумане (4 6Л6 и 5 12 ах7) Накал разведен 0,75 моножилой и всё работает отлично уже много больше 50 лет... Думаю запускайте аппарат смело.

Оффлайн ku2

  • Опытный
  • ****
  • Сообщений: 524
  • Санкт-Петербург
Re: Клуб любителей намотать трансформатор
« Ответ #1942 : Мая 09, 2019, 11:18:17 »
ku2- Реальный ток- это то, что Вы померили на нагрузке? Я не мастер рассчитывать, но глубоко оехден, что 1,25 мм сечения хватит для Вашего усилителя, так как на моём Шоумане (4 6Л6 и 5 12 ах7) Накал разведен 0,75 моножилой и всё работает отлично уже много больше 50 лет... Думаю запускайте аппарат смело.
да на нагрузке....  сейчас подключил два кенотрона//только накал// как нагрузку ток 3.7 A ..усилитель включен на холостом час полет нормальный..на остальных обмотках напряжение в норме ..Транс не нагрелся вообще..но это на холостом..

Оффлайн tom cat

  • Эксперт
  • *****
  • Сообщений: 1846
  • На мой век металлолома хватит...
Re: Клуб любителей намотать трансформатор
« Ответ #1943 : Мая 09, 2019, 16:58:00 »
ku2- если я что то понимаю, сила тока зависит в большей степени от нагрузки, подключенной к усилителю, а на от количества ламп.  Да и кен же питает анодную цепь... Мне кажется Вы зря переживаете, собирайте усь дальше, с трансом все норм.

Оффлайн ku2

  • Опытный
  • ****
  • Сообщений: 524
  • Санкт-Петербург
Re: Клуб любителей намотать трансформатор
« Ответ #1944 : Мая 09, 2019, 18:29:20 »
ku2- если я что то понимаю, сила тока зависит в большей степени от нагрузки, подключенной к усилителю, а на от количества ламп.  Да и кен же питает анодную цепь... Мне кажется Вы зря переживаете, собирайте усь дальше, с трансом все норм.
в этой схеме кенотрона не будет...усилитель питается через диоды .сейчас 2x 6v6  3x 12ax7 ...2 кена  подключено чтобы дать нагрузку к пока еще свободной так сказать обмотке для испытания по тепловому режиму ..обмотка готовится под две EL34 вместо 6V6 ..если будет грется тогда 5881...6L6 ..2A .на них хватит точно // этот транс с кенотроном  в питании от данной обмотки работал неделю..и  был холодный как рыба :crazy:

... и добавил:

все собрано жду выходной транс
« Последнее редактирование: Мая 09, 2019, 18:37:54 от ku2 »

Оффлайн Владислав Утюмов

  • Завсегдатай
  • ***
  • Сообщений: 410
  • И со свечкой искали они, и с умом...
Re: Клуб любителей намотать трансформатор
« Ответ #1945 : Мая 09, 2019, 18:39:04 »
ku2- если я что то понимаю, сила тока зависит в большей степени от нагрузки, подключенной к усилителю, а на от количества ламп.  Да и кен же питает анодную цепь... Мне кажется Вы зря переживаете, собирайте усь дальше, с трансом все норм.
Речь идет об обмотке накала... С чего бы току накала зависеть от нагрузки?

Оффлайн ku2

  • Опытный
  • ****
  • Сообщений: 524
  • Санкт-Петербург
Re: Клуб любителей намотать трансформатор
« Ответ #1946 : Мая 09, 2019, 18:58:15 »
если появилась новая обмотка /накальная в данном случае/ то ток в первичной изменится правильно понимаю ?..насколько не знаю в формулах не силен..вот и делаю наобум..трансформатор то все таки 140 вт..железо 32x50

... и добавил:

каким проводом первичка не известно

... и добавил:

вопрос был такой каким проводом мотать на 3A..вопрос глупый понимаю..потому что зависит от от многих факторов..но меня бы устроил глупый ответ ..чем толще тем лучше :)

... и добавил:

пойду выпью .9 МАЯ  с праздником ! ;)
« Последнее редактирование: Мая 09, 2019, 19:24:58 от ku2 »

Оффлайн Владислав Утюмов

  • Завсегдатай
  • ***
  • Сообщений: 410
  • И со свечкой искали они, и с умом...
Re: Клуб любителей намотать трансформатор
« Ответ #1947 : Мая 09, 2019, 19:47:10 »
если появилась новая обмотка /накальная в данном случае/ то ток в первичной изменится правильно понимаю ?

Дак там все просто. Мощность на первичной обмотке примерно равна мощности на вторичной. Плюс потери. Добавили нагрузку - вырос ток.

Оффлайн Vitallka

  • Эксперт
  • *****
  • Сообщений: 1175
  • Антиум
Re: Клуб любителей намотать трансформатор
« Ответ #1948 : Мая 09, 2019, 20:21:36 »
вопрос был такой каким проводом мотать на 3A..вопрос глупый понимаю..потому что зависит от от многих факторов..но меня бы устроил глупый ответ ..чем толще тем лучше :)
Если есть документация на транс, то можно рассчитать плотность тока, а тогда уже и диаметр провода. Измерив сопротивление обмотки, зная ток нагрузки и напряжение на холостом ходу, можно посчитать напряжение под нагрузкой.

Оффлайн ku2

  • Опытный
  • ****
  • Сообщений: 524
  • Санкт-Петербург
Re: Клуб любителей намотать трансформатор
« Ответ #1949 : Мая 09, 2019, 20:27:59 »
написал сегодня yerasov  в контакте может ответят какие намоточные данные

... и добавил:

если не военная тайна :o