Автор Тема: Компрессор для баса  (Прочитано 17642 раз)

0 Пользователей и 1 Гость просматривают эту тему.

Оффлайн Tander Автор темы

  • Ветеран форума
  • ******
  • Сообщений: 3732
    • Efremoff
Компрессор для баса
« : Ноября 11, 2014, 14:47:49 »
Перепробовал я много чего - от Orange Squeezer до попыток собрать что-то ламповое. были - Orange Squeezer, ДинаКомп (самодельный, с модификацией под бас),Ross (c такими же модификациями), вариант на SSM2166 (но его отобрал гитарист, хотя вариант был очень даже неплох), пару оптических самодельных компрессов простых и более сложных. Пробовал разные софтовые варианты... Но до сих пор мне не получилось получить ничего действительно хорошего.

Конечно - можно махнуть рукой и купить например DBX166A (всего каких-то 130-150 евро за б.у.) - он мне очень понравился, какое-то время им пользовался - но щас нужно его отдавать уже, а без компрессора чувствую себя как без рук (точнее с руками, но какими-то кривыми чтоль). Понятное дело, что самый лучший вариант - играть ровно без всяких компрессоров. Но в живой работе не всегда за этим уследишь, плюс компрессор плотнит звук очень и очень приятно, что позволяет играть на чем угодно (в плане порталов и разного беклайна) без ощущения что "бас жидкий".

В общем - кто-то может посоветовать что-то достаточно не сложное, но действительно хорошее?
Выдумывать что-то и изобретать - смысла нет. Наиболее вероятно FET или VCA (оптика и лампа - более медленные, и не такие гибкие по настройке).

По крутилкам -Threshold, Attack, Release, Ratio. Степень компрессии - от 1:1 до 15-20:1. Желательно мягкое колено (либо еще лучше - переключаемое), может пара каких-то кнопочек-тумблеров.   

По цене комплектухи - чтобы не перевалило за 50-70 евро (т.к. если больше - то проще DBX купить, с их клевыми "щелкающими" потенциометрами).

Оффлайн Viewshkin

  • Завсегдатай
  • ***
  • Сообщений: 425
  • Зарегистрированный
Re: Компрессор для баса
« Ответ #1 : Ноября 12, 2014, 07:40:47 »
Попробуй собрать Demeter compulator http://revolutiondeux.blogspot.ru/2012/01/demeter-compulator.html
Крутилки всего две, но звучит хорошо. Я последние годы из педалек только оптические компрессоры признаю, они звук меньше всего поганят.

P.S. не заметил строчки про оптику  :pozor:

Оффлайн Tander Автор темы

  • Ветеран форума
  • ******
  • Сообщений: 3732
    • Efremoff
Re: Компрессор для баса
« Ответ #2 : Ноября 12, 2014, 10:14:20 »
На компуратор я смотрю, отзывы хорошие слышал. Ну да, оптика. ну и фиг с ней. )) . Можно попробовать собрать - схема - есть, печаток - море... Хотя вот версия компуратора PRO - по кол-ву крутилок больше импонирует. Может у кого схема есть для PRO версии, или как переделать обычный в PRO?


... и добавил:

Очень понравился этот прибор - http://www.empresseffects.com/compressor.html - может у кого и схема есть? Плюс он с очень удобной индикацией и с миксом компрессированного сигнала и чистого.
« Последнее редактирование: Ноября 12, 2014, 10:21:50 от Tander »

Оффлайн Viewshkin

  • Завсегдатай
  • ***
  • Сообщений: 425
  • Зарегистрированный
Re: Компрессор для баса
« Ответ #3 : Ноября 12, 2014, 11:04:02 »
На компуратор я смотрю, отзывы хорошие слышал.
Забыл сказать, что я играю на копии компулятора от Шифтлайн :). Был "бутиковый" Даймонд, отличная педаль, но пришлось дорабатывать, чтоб меньше компрессил.

Оффлайн Thorn

  • Завсегдатай
  • ***
  • Сообщений: 268
    • http://diyfactory.ru/
Re: Компрессор для баса
« Ответ #4 : Ноября 12, 2014, 11:06:10 »
А что-нибудь на THAT4301 пробовали? Я думаю есть реализация в виде гитарной педали. Вот их док The “One Knob Squeezer”  http://www.thatcorp.com/datashts/dn125.pdf
Периодически думаю развести собрать в виде педали.
И вообще по этой микросхемке http://www.thatcorp.com/4301_Analog_Engine_Dynamics_Processor.shtml

Оффлайн Tander Автор темы

  • Ветеран форума
  • ******
  • Сообщений: 3732
    • Efremoff
Re: Компрессор для баса
« Ответ #5 : Ноября 12, 2014, 13:07:56 »
Ну вот на THAT4301 смотрю, по даташиту вроде лучше чем CA3080 (которые юзают все кому не лень). достать их правда несколько сложновато тут, но реально. Просто насколько они реально лучше чем аппараты на CA3080? И я не сильно понимаю как атаку к ней прикрутить и отпускание. Плюс - если это будет рековый прибор, а не педалька (что вероятне) - то хотелось бы тогда и индикацию...

А что насчет SSM2166? по функционалу это именно компрессор, плюс есть бонус в виде Гейта. Гитаристу делал - вроде очень недурно получилось (только буфер по входу и по выходу обязательно - пришлось добавлять уже в готовый девайс). Надо будет у него обратно отобрать - попробовать.

... и добавил:

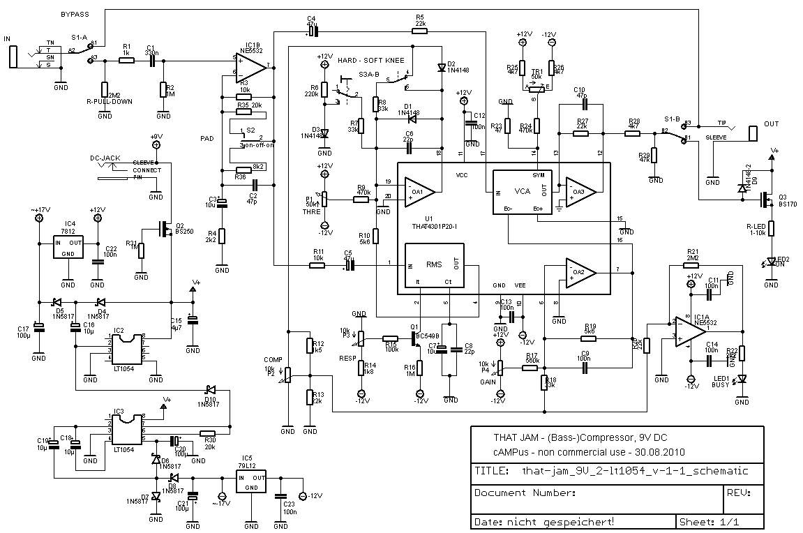
Нашел вот такую схемку.
Понравилось - регулировка мягкости изгиба (колено) мягкий или жесткий, индикация срабатывания.
Не понравилось - отсутсвие регулировки Атаки (хотя может просто нужной найти, какой резистор отвечает за нее, и заменить на потенциометр). Что делаетпотенциометр Response (P3)? за отпускание (Release) я так понимаю что отвечает конденсатор С7, или нет?

Непонятно - нафига такие заморочки с питанием? 9В, двухполярное 12В, двухполярное 17В (которое я так и не нашел, где пользуется). Как по мне - проще сделать стабилизированное двухполярное. Там прибор то ест - в лучшем случае 20-30мА.
« Последнее редактирование: Ноября 12, 2014, 13:42:42 от Tander »

Оффлайн Thorn

  • Завсегдатай
  • ***
  • Сообщений: 268
    • http://diyfactory.ru/
Re: Компрессор для баса
« Ответ #6 : Ноября 12, 2014, 14:43:33 »
По поводу SSM - если я правильно помню народ на groupdiy его не сильно хвалил.
http://groupdiy.com/index.php?topic=10296.msg121993#msg121993
По поводу that4301 вот здесь мы обсуждали.
http://diyfactory.ru/forum/index.php?showtopic=2047
Но это вариант рмс, очень быстрый, по мнению многих работает чисто, не корежит и т.д. Мод с атакой релизом у меня не завелся, пока нет времени довести до ума. В остальном - это тот же Pico компрессор. который многие хвалят.

А может тогда посмотреть что-нибудь вроде GSSL если хочется со всеми ручками?
http://www.gyraf.dk/gy_pd/ssl/ssl.htm

Оффлайн Tander Автор темы

  • Ветеран форума
  • ******
  • Сообщений: 3732
    • Efremoff
Re: Компрессор для баса
« Ответ #7 : Ноября 12, 2014, 15:15:24 »
Ок. спасибо за ссылки. На жирафа GSSL - я смотрел. мне показался сложным, плюс там чудная микросхема (хотя какая ж она микро то...) от DBX которая стоит от 60 баксов за штуку и выше (там указано решение с микросхемой от THAT - но это уже будет несколько не то.).
А почему не завелся на THAT4301 мод с атакой и релизом?

... и добавил:

может хотя б схема есть?

Оффлайн Thorn

  • Завсегдатай
  • ***
  • Сообщений: 268
    • http://diyfactory.ru/
Re: Компрессор для баса
« Ответ #8 : Ноября 12, 2014, 17:44:45 »
На VCA все схемы примерно одинаковые.
GSSL все делают на THAT2180 (есть у меня в магазине, сорри за коммерс). Если переразвести схему на один канал - то по идее и в гитарную педаль засунуть можно в большой корпус. Только питание надо как-то решить. Старый вариант на DBX уже никто не собирает.
Почему атака релиз не завелась на that4301 не могу понять пока. Ловлю возбуд, в посделней версии схемы изменили номиналы резисторов в цепи управления, но пока не дошли руки попробовать. Изначально задача была сделать аналог Pico компрессора, он без атаки релиза. На этом и остановились.
Схема есть на diyfactory (и ещё там в ветке обсуждения вариант от Вадима Володина), и вот в этом доке есть исходная http://www.thatcorp.com/datashts/dn115.pdf

Заинтриговали положительным отзывом по поводу SSM2166, я в свое время тоже на неё смотрел. Задумался над тем что может привезти немного. Схема просто из даташита, или есть уже готовые проекты в виде гитарных педалей? Даже с питанием вроде проблем нет, от кроны питать можно...
« Последнее редактирование: Ноября 12, 2014, 17:48:06 от Thorn »

Оффлайн Tander Автор темы

  • Ветеран форума
  • ******
  • Сообщений: 3732
    • Efremoff
Re: Компрессор для баса
« Ответ #9 : Ноября 12, 2014, 18:01:07 »
Да, этот док я уже нашел. Там только входной-выходной буфера подцепить. Формат педали не планирую - скорее всего корпус 1U или что-то подобное. Так же нашел что-то такое вот - * d_r___Compressor_Manual_Serv.PDF (290.61 КБ - загружено 378 раз.)
Схема на последней странице - там и отдельно прорисован Attack-Release, и индикация. В общем - огромное спасибо на наводку, буду думать в этом направлении. Скорее всего это будет пико компрессор, только с аддонами.

Насчет SSM2166 - Схема из даташита, но обязательно с входным-выходнм буфером, иначе печаль. На днях заберу устройство - еще раз на свежую голову протестю. Мне особо порадовал ноизгейт у нее на борту. ))

Кстати - может кто знает - есть ли какое-то простое решение для ноизгейта с одной ручкой?

... и добавил:

Thorn, Просмотрел я ваши схемы с DIYFactory.

Собрал из того что там обнаружил одну общую схему:
1079885-1

Будет ли работать с этими номиналами?
Я так понимаю что плату можно брать вашу (из доки на DIY-tubes), и отдельными компонентами сделать блоки Attack-Release и Индикацию. Так же думаю есть резон на каком нить THAT1646 (или DRV134, SSM2142) собрать балансный выход дополнительно.
« Последнее редактирование: Ноября 12, 2014, 19:09:14 от Tander »

Оффлайн Thorn

  • Завсегдатай
  • ***
  • Сообщений: 268
    • http://diyfactory.ru/
Re: Компрессор для баса
« Ответ #10 : Ноября 12, 2014, 20:12:06 »
Да так и задумывалось - отдельными блоками симметрия, индикация и т.д.
Лучше посмотрите последнюю версию схемы из документов для платы
http://diy-tubes.com/that4301-compressor-pcb.html
http://diy-tubes.com/image/data/manuals/that4301-v1.5.2.pdf
Там же страница для лута, можете пробовать сами вытравить. Я бы предложил сначала попробовать сам основной блок собрать, а потом всё остальное. Повторюсь у меня атака релиз не завелась как надо.

Оффлайн Tander Автор темы

  • Ветеран форума
  • ******
  • Сообщений: 3732
    • Efremoff
Re: Компрессор для баса
« Ответ #11 : Ноября 12, 2014, 20:39:11 »
Повторюсь у меня атака релиз не завелась как надо.
Не завелась именно на варианте с операционниками или оригинальный вариант на транзисторах?

... и добавил:

Я бы предложил сначала попробовать сам основной блок собрать, а потом всё остальное.

Ну так само собой )
« Последнее редактирование: Ноября 12, 2014, 20:41:59 от Tander »

Оффлайн Thorn

  • Завсегдатай
  • ***
  • Сообщений: 268
    • http://diyfactory.ru/
Re: Компрессор для баса
« Ответ #12 : Ноября 12, 2014, 20:51:14 »
Не завелась именно на варианте с операционниками или оригинальный вариант на транзисторах?

... и добавил:

Ну так само собой )
На транзисторах и вариант что на картинке выше (она отсюда http://diyfactory.ru/forum/index.php?act=Attach&type=post&id=21129). И ещё есть вариант от Pico II - та же схема из даташита, только с ОУ. Здесь просто нехватка времени, надо сесть  и тестировать...

Оффлайн Tander Автор темы

  • Ветеран форума
  • ******
  • Сообщений: 3732
    • Efremoff
Re: Компрессор для баса
« Ответ #13 : Ноября 12, 2014, 23:57:03 »
Кстати, смотрю на плате отсутсвует входной буфер. по какой причине от него отказались?

Оффлайн Thorn

  • Завсегдатай
  • ***
  • Сообщений: 268
    • http://diyfactory.ru/
Re: Компрессор для баса
« Ответ #14 : Ноября 13, 2014, 22:19:13 »
Я планировал отдельную плату вход-выход на that1646/that12xx, ну и все эти переходы симметрия-несимметрия часто больше мешают чем пользу приносят. Может и зря отказались, много коммутации "на проводках" тоже зло. По идее он должен нормально есть сигнал без буфера на входе.
« Последнее редактирование: Ноября 13, 2014, 22:20:49 от Thorn »