Сначал надо разобраться, для чего делают развязку по питанию. А тут две причины:
1) локальный байпас питания. Чтоб сигнальный ток не бегал по цепям питания куда попало
2) Разрыв петли обратной связи между каскадами через цепи питания! А она есть, ведь подавление пульсаций питания у триода в обычном включении довольно слабое.
Представить можно так - заземлить триду сетку и дать сигнал в цепь питания. Часть сигнала - даже с заземленной сеткой пролезет на выход.
И межкаскадные RC-фильтры сдвигают фазу на низких частотах на 90° каждый. При 2 каскадах от одной точки питания можно схватить 180° и ПОС вместо ООС, т.е. возбуд на низких частотах.
Я лучше объяснить не могу, если интересно - гугл на тему "Motorboating"
Считать это дело - довольно геморно. Спайс в помощь.
Как совет - нужно сильно отдалять друг от друга частоты мажкаскадных фильтров, тогда проблем не будет.
Например - первый каскад - срез 500Гц - 2.каскад - срез 50Гц - 3каскад - срез 5Гц
За счет разделения частот в 10раз, усиление в петле ООС через питание точно упадет ниже 0дБ, когда фаза дойдет до 180° - ПОС не будет.
Именно в 10раз не обязательно, просто красивый пример

И это - тут в теме возбуд высокочастотный, так что пункт 1) надо смотреть.
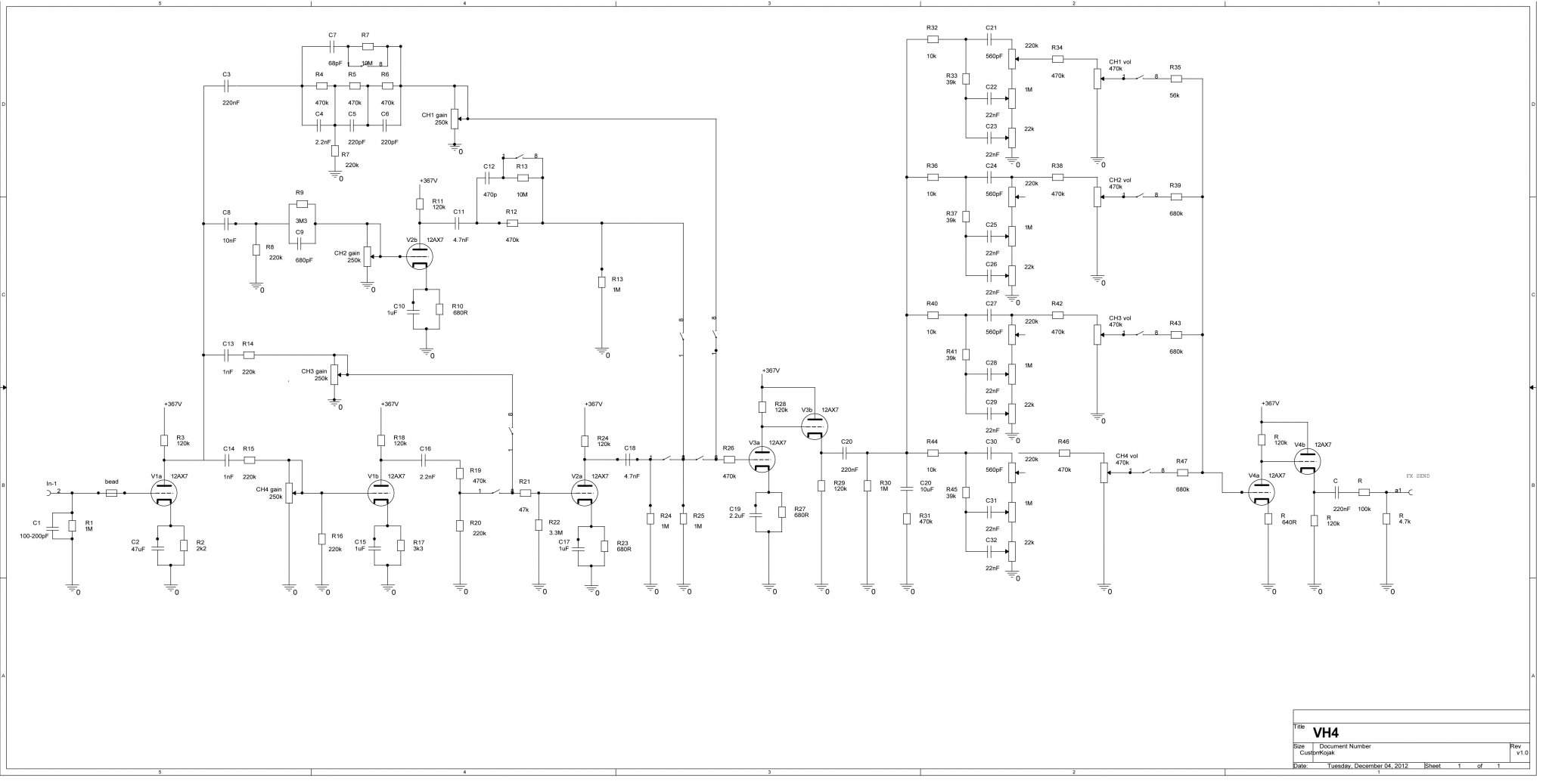
@sufin bird : diezel VH-4 (по немецки фау ха 4)