Автор Тема: Обсудим в очередной раз петлю  (Прочитано 156756 раз)

0 Пользователей и 2 Гостей просматривают эту тему.

Оффлайн Alex_SG

  • Живу на форуме
  • *******
  • Сообщений: 7526
  • хейтер и пессимист :crazy:
Re: Обсудим в очередной раз петлю
« Ответ #1305 : Декабря 31, 2023, 15:31:24 »


Но такое включение хорошо тем, что чем ниже положенние движка пота, тем ниже Rвых. На малых выходных сигналах (1Vp-p и ниже) оно будет очень низким, но на высоких не супер.

Стоп, стоп, стоп.

В таком включении выходное сопротивление истокового повторителя (без учёта импеданса С2 и пота R5) определяется исключительно крутизной характеристики транзистора. Читаем: https://studref.com/475766/tehnika/istokovyy_povtoritel
А вот когда в схеме появляется разделительный коденсатор и потенциометр, то импеданс конденсатора и текущее сопротивление верхней половины потенциометра должны суммироваться с выходным сопротивлением собственно повторителя.
Так что в околонулевом положении пота должен быть максимум выходного сопротивления схемы.

Оффлайн Rolly

  • Живу на форуме
  • *******
  • Сообщений: 9072
  • Мнение - не повод получить пулю сразу.
Re: Обсудим в очередной раз петлю
« Ответ #1306 : Декабря 31, 2023, 16:03:16 »
Так что в околонулевом положении пота должен быть максимум выходного сопротивления схемы.
максимум ослабления сигнала, но не максимум выходного сопротивления.

Оффлайн Alex_SG

  • Живу на форуме
  • *******
  • Сообщений: 7526
  • хейтер и пессимист :crazy:
Re: Обсудим в очередной раз петлю
« Ответ #1307 : Декабря 31, 2023, 16:06:17 »
Rolly, Разве выходное сопротивление условного чёрного ящика это не сопротивление в цепи от клеммы питания этого ящика до его выходной клеммы?

Оффлайн Rolly

  • Живу на форуме
  • *******
  • Сообщений: 9072
  • Мнение - не повод получить пулю сразу.
Re: Обсудим в очередной раз петлю
« Ответ #1308 : Декабря 31, 2023, 16:09:59 »
Что-то не получается Ку 7. Вот вроде такой оригинал? 46 получается (см. напряжения на пробниках).
Это весьма странно, потому что именно на большом ослаблении КУ было основано большое уменьшение входного сопротивления.

... и добавил:

Rolly, Разве выходное сопротивление условного чёрного ящика это не сопротивление в цепи от клеммы питания этого ящика до его выходной клеммы?
При чём здесь питание? Выходное сопротивление - это выходное напряжение на выходной ток. Вся цепочка "выше" движка подключена параллельно нижнему плечу движка. Выходное ИП около 1к, т.е. пренебрежительно мало. В околонулевых положениях движка выходное схемы практически равно нижнему плечу.

... и добавил:

Вот эквивалент сэнда с точки зрения выходного сопротивления
« Последнее редактирование: Декабря 31, 2023, 16:32:41 от Rolly »

Оффлайн Cornhol

  • Завсегдатай
  • ***
  • Сообщений: 391
Re: Обсудим в очередной раз петлю
« Ответ #1309 : Декабря 31, 2023, 17:17:19 »
Rolly, Разве выходное сопротивление условного чёрного ящика это не сопротивление в цепи от клеммы питания этого ящика до его выходной клеммы?
Я сам раньше придерживался этого мнения.

Это весьма странно, потому что именно на большом ослаблении КУ было основано большое уменьшение входного сопротивления.
Разомкнув ОС в этой схеме, Ку получается 144... Я сам наблюдал дикие уровни на выходе, когда у меня была собрана эта схема.

« Последнее редактирование: Августа 18, 2024, 00:04:48 от Cornhol »

Оффлайн Alex_SG

  • Живу на форуме
  • *******
  • Сообщений: 7526
  • хейтер и пессимист :crazy:
Re: Обсудим в очередной раз петлю
« Ответ #1310 : Декабря 31, 2023, 17:22:35 »
Cornhol, Rolly, А вы точно не путаете выходное сопротивление для источника тока с выходным сопротивлением для источника напряжения?
https://www.lcard.ru/lexicon/res_outp#:~:text=А%20выходное%20сопротивление%20RВЫХ,%3D%20U0%20%2F%20RВЫХ%20.

Оффлайн Rolly

  • Живу на форуме
  • *******
  • Сообщений: 9072
  • Мнение - не повод получить пулю сразу.
Re: Обсудим в очередной раз петлю
« Ответ #1311 : Января 02, 2024, 15:09:55 »
Разомкнув ОС в этой схеме, Ку получается 144... Я сам наблюдал дикие уровни на выходе, когда у меня была собрана эта схема.

(нажмите чтобы показать/спрятать)
Покопался ещё в теории, в общем да, в изначальном варианте КУ=47 вполне соответствует теории.

... и добавил:

Cornhol, Rolly, А вы точно не путаете выходное сопротивление для источника тока с выходным сопротивлением для источника напряжения?
https://www.lcard.ru/lexicon/res_outp#:~:text=А%20выходное%20сопротивление%20RВЫХ,%3D%20U0%20%2F%20RВЫХ%20.
Для начала надо точно определить, о какой схеме речь, с истоковым делителем или без оного. Я нарисовал эквивалент для схемы с истоковым делителем.
« Последнее редактирование: Января 02, 2024, 15:11:43 от Rolly »

Оффлайн Cornhol

  • Завсегдатай
  • ***
  • Сообщений: 391
Re: Обсудим в очередной раз петлю
« Ответ #1312 : Января 04, 2024, 23:08:00 »
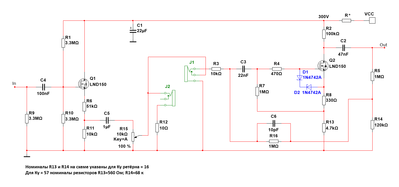
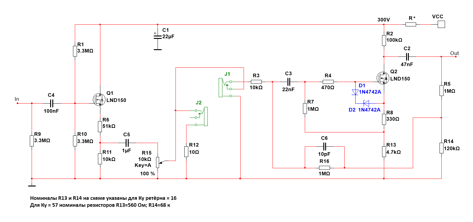
Вроде как закончил эксперименты, и нарисовал полную схему того, что сейчас у меня релизовано, кому интересно.
Rвых сенда 0...4.5 кОм
Rвх ретёрна 400 кОм
Ку ретёрна понизил до 16, хватает с запасом.
TQ1 ~67 °C
R13 влияет одновременно и на Ку и на Rвх, R14 влияет только на Rвх
Благодарность Rolly за схему ретёрна.

Для коэффициента усиления 57 (как в изначальной схеме) номиналы будут такие: R13=560 Ом; R14=68 к.


« Последнее редактирование: Февраля 22, 2026, 13:26:35 от Cornhol »

Оффлайн AZG

  • Живу на форуме
  • *******
  • Сообщений: 95639
  • Санкт-Петербург
    • AZG CUSTOM
Re: Обсудим в очередной раз петлю
« Ответ #1313 : Января 05, 2024, 08:41:59 »
Брал паузу чтобы разобраться что у меня и как. Ибо переделывал и довольно прилично под свои нужды. Посмотрел пару готовых плат, оказалось, что я убрал ООС. Мне надо было бОльшее усиление при наличии Мастер-громкости после Ретурна. В оригинальном виде петля норм была только для варианта встраивания в ограниченное количество аппаратов.

Просто лежат готовые платы в мастерской и я уже начал забывать нюансы.

В прозрачности петли не потерял вообще, искажений лишних нет на осцилле, все рулится хорошо. Соответственно, с входным сопротивлением и т.д. все хорошо. Хотя не так и много приборов осталось, которым требуется входное более 47 ком. Но не помешает.

... и добавил:

На предмет 10 ом в Сенде на земле - от петель помогает и очень хорошо. Это типовое значение сопротивления в про-схемах для развязки. Хотя бы попробуйте осознать для чего и как. Ранее приходилось народу рекомендовать делать один кабель без подпаянной земли на одном из джеков, который втыкается в Сенд. На данный момент эта проблема ушла и используются типовые кабели с тем же результатом.

Ну и про резистор утечки - а Вы уверены, что не воткнут в петлю какой-нибудь древний прибор с выходным в пару десятков килоом? А таких хватает. До педалборда в среднем 5 метров, а бывает просят кабели и по 10 метров. Т.е. суммарно это 20 метров. И добавляем еще пару метров коммутации на педалборде. Готовы это все проверить ПРАКТИЧЕСКИ, а не теоретически? Не просто так придумали буферы в педалборд ставить чтобы компенсировать все это кабельное хозяйство. А без буфера привет помехам и кривой АЧХ.

p.s. да. я на 100% практик. Теория со временем забывается, ибо применяется только очень узкая часть всего этого. Поэтому в расчетах схем на полевиках не шибко силен. Но что надо - проверяется. Потому и исходная петля была доработана и переработана. Ибо на практике меня не удовлетворяло. Вестимо сравнивал с ламповым аналогом.
« Последнее редактирование: Января 05, 2024, 09:38:58 от AZG »

Оффлайн Umnick

  • Опытный
  • ****
  • Сообщений: 737
  • Генератор бреда
Re: Обсудим в очередной раз петлю
« Ответ #1314 : Января 05, 2024, 10:30:44 »
Брал паузу чтобы разобраться что у меня и как. Ибо переделывал и довольно прилично под свои нужды. Посмотрел пару готовых плат, оказалось, что я убрал ООС. Мне надо было бОльшее усиление при наличии Мастер-громкости после Ретурна. В оригинальном виде петля норм была только для варианта встраивания в ограниченное количество аппаратов.

Просто лежат готовые платы в мастерской и я уже начал забывать нюансы.

В прозрачности петли не потерял вообще, искажений лишних нет на осцилле, все рулится хорошо. Соответственно, с входным сопротивлением и т.д. все хорошо. Хотя не так и много приборов осталось, которым требуется входное более 47 ком. Но не помешает.

... и добавил:

На предмет 10 ом в Сенде на земле - от петель помогает и очень хорошо. Это типовое значение сопротивления в про-схемах для развязки. Хотя бы попробуйте осознать для чего и как. Ранее приходилось народу рекомендовать делать один кабель без подпаянной земли на одном из джеков, который втыкается в Сенд. На данный момент эта проблема ушла и используются типовые кабели с тем же результатом.

Ну и про резистор утечки - а Вы уверены, что не воткнут в петлю какой-нибудь древний прибор с выходным в пару десятков килоом? А таких хватает. До педалборда в среднем 5 метров, а бывает просят кабели и по 10 метров. Т.е. суммарно это 20 метров. И добавляем еще пару метров коммутации на педалборде. Готовы это все проверить ПРАКТИЧЕСКИ, а не теоретически? Не просто так придумали буферы в педалборд ставить чтобы компенсировать все это кабельное хозяйство. А без буфера привет помехам и кривой АЧХ.

p.s. да. я на 100% практик. Теория со временем забывается, ибо применяется только очень узкая часть всего этого. Поэтому в расчетах схем на полевиках не шибко силен. Но что надо - проверяется. Потому и исходная петля была доработана и переработана. Ибо на практике меня не удовлетворяло. Вестимо сравнивал с ламповым аналогом.

То есть, мну стоит удалить обратную связь на петле? Я об этом думал, но положительные отзывы об этой петле слишком положительные

Оффлайн AZG

  • Живу на форуме
  • *******
  • Сообщений: 95639
  • Санкт-Петербург
    • AZG CUSTOM
Re: Обсудим в очередной раз петлю
« Ответ #1315 : Января 05, 2024, 10:54:04 »
То есть, мну стоит удалить обратную связь на петле? Я об этом думал, но положительные отзывы об этой петле слишком положительные

Просто попробуй...

Оффлайн Spero_In_Inteligo

  • Живу на форуме
  • *******
  • Сообщений: 8949
  • Код пишу, на досуге на проволоку нажимаю.
Re: Обсудим в очередной раз петлю
« Ответ #1316 : Января 05, 2024, 11:29:32 »
AZG, а что насчет делителя в сенде и пробоя полевика?

Оффлайн AZG

  • Живу на форуме
  • *******
  • Сообщений: 95639
  • Санкт-Петербург
    • AZG CUSTOM
Re: Обсудим в очередной раз петлю
« Ответ #1317 : Января 05, 2024, 11:37:28 »
AZG, а что насчет делителя в сенде и пробоя полевика?

Так это ТЕОРЕТИЧЕСКИ. Ни разу проблем не было. Анодка на самом полевике около 350В. делителя вестимо нет и не нужен. Притом даже паленые LND-шки не умирали. Там совсем другие проблемы с ними были.

Оффлайн Cornhol

  • Завсегдатай
  • ***
  • Сообщений: 391
Re: Обсудим в очередной раз петлю
« Ответ #1318 : Января 05, 2024, 12:01:15 »
Теоретически, пробой возможен и без КЗ нагрузки в схеме без делителя, но это надо на вход подать 200В удвоенной амплитуды при питании схемы 300В, что вряд ли достижимо. Но 120В после темброблока я у себя намерил при всех тембрах в максимум. В общем пусть каждый поступает, как ему хочется, я просто перестраховался на случай кз, тем более для этого никаких затрат. Да и десятки вольт мне не нужны на выходе сенда.

(нажмите чтобы показать/спрятать)
« Последнее редактирование: Января 05, 2024, 12:04:03 от Cornhol »

Оффлайн AZG

  • Живу на форуме
  • *******
  • Сообщений: 95639
  • Санкт-Петербург
    • AZG CUSTOM
Re: Обсудим в очередной раз петлю
« Ответ #1319 : Января 05, 2024, 12:44:11 »
Cornhol, Каждый строит под свои потребности. Мы не осуждаем, только делимся опытом. ;)