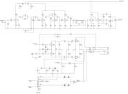
Так на исходной схеме было 100к
там не от 85 вольт обмотки, а от высокой, здесь же может не хватить весьма.
В оригинале там последовательно два по 270 мкФ. Есть возможность поставить 100 мкФ 500 В. Ничего критичного в звуке не будет?
насчет звука я не шарю, но мне кажется, что эта емкость имеет значение в плане аутентичного звучания всего усилка, в комплексе с родным оконечником, у тебя же и так оконечник будет довольно другой, с другими лампами и вообще, а в таких оконечниках на 6в6 из тех что я видел тут на гп обычно ставят стандартно 47мкф. к тому же два последовательно 270 это скорее ближе к одинарному 100, чем к 200.
Так на исходной схеме было. Правда, там отвод от 4 Ом обмотки. Вот я и спрашиваю, как исправить.
а я сам не разбираюсь в том, как правильно эти сопротивления в ОС подбирать, вот и спросил

но опять же, видел в оконечниках на 6в6 от 8ом 47к. это вроде как более-менее стандартно, но тут еще целые кучи обсуждений есть на эту тему, возможно правильнее будет заморочиться и подобрать во звуку.
Что именно?
ну вот например провод на транс выходной должен идти с первого электролита, а не после дросселя. и на C20 не дорисован провод соединения с остальным БП.
Есть у меня LND150. Только по какой схеме делать петлю и потеряется ли что-то в звуке?
я делал метроамповскую петлю вот такую.
MetroAmp FX loop single sided.pdf (157.51 КБ - загружено 100 раз.) тут целая тема есть про петли, там подробнее всё и там даже должны быть ссылки на подробный мануал по установке. насчет звука родной петли - хз, я только насчет СЛО видел как знающие говорили, что без родной петли он звучит так же хорошо. тут же несколько другой усилок.
Мой косяк - у меня ТС-140. Пятой лампы преда нет.
можно напимер хороший чистый канал замутить на лишней лампе

ради него я бы рискнул родной петлей
... и добавил:можно напимер хороший чистый канал замутить на лишней лампе
хотя там только половина лампы освободится и полноценного канала не получится

но тем не менее можно извернуться как-нибудь по типу как в СЛО полуканал