Автор Тема: Амп симуляторы от NaLex  (Прочитано 235875 раз)

0 Пользователей и 1 Гость просматривают эту тему.

Оффлайн NSb-2

  • Живу на форуме
  • *******
  • Сообщений: 7398
  • Shit in - Shit out
    • pornhub.com
Re: Амп симуляторы от NaLex
« Ответ #2265 : Февраля 01, 2021, 19:13:02 »
Если ты придавил низ и верх, что остается?

Оффлайн Macsimpain

  • Ветеран форума
  • ******
  • Сообщений: 3467
  • Follow your Dream
Re: Амп симуляторы от NaLex
« Ответ #2266 : Февраля 01, 2021, 19:16:58 »
Ну, про вариант D я сразу и написал что он с моим TD-1, он там не для угадайки, а так...

То что ты указывал где именно твой, я этому значение не предавал, честно.

Просто скачал все варианты, накинул eq и послушал.

Из всех D для меня более выигрышный.

Давай колись где спрятал лампу! :old:
« Последнее редактирование: Февраля 01, 2021, 19:21:47 от Macsimpain »

Оффлайн NSb-2

  • Живу на форуме
  • *******
  • Сообщений: 7398
  • Shit in - Shit out
    • pornhub.com
Re: Амп симуляторы от NaLex
« Ответ #2267 : Февраля 01, 2021, 19:17:48 »

Покажи схему единичного каскада где так получается, поделись опытом, а не оскорбляй

уж проще некуда
Если оно у тебя не сработает в ЛТС, значит программа не умеет просчитывать наличие местной ООС и зависимость нагрузки и внутреннего сопротивления, но у меня сомнения, что программа на столько кривая и все будет верно.

Оффлайн Винтик на отдыхе

  • Эксперт
  • *****
  • Сообщений: 2868
Re: Амп симуляторы от NaLex
« Ответ #2268 : Февраля 01, 2021, 19:20:51 »
Это незаконченный обрывок

Оффлайн NSb-2

  • Живу на форуме
  • *******
  • Сообщений: 7398
  • Shit in - Shit out
    • pornhub.com
Re: Амп симуляторы от NaLex
« Ответ #2269 : Февраля 01, 2021, 19:29:37 »
Чем он тебе не законченный?

Оффлайн DGray

  • Эксперт
  • *****
  • Сообщений: 1750
  • Зарегистрированный
    • http://
Re: Амп симуляторы от NaLex
« Ответ #2270 : Февраля 01, 2021, 19:48:33 »
Винтик на отдыхе, послушал в затычках, файлы очень похожи, C меньше всех понравился, B вроде помягче звучит

Оффлайн SkinnyVampire

  • Живу на форуме
  • *******
  • Сообщений: 13812
  • индастриал-блондинко =)
    • Братство Вампиров
Re: Амп симуляторы от NaLex
« Ответ #2271 : Февраля 01, 2021, 21:10:40 »
блин... кондер в аноде будет всегда резать верх, по сути это простая рц-цепь, то что он об + идет а не об землю например, как нам было бы привычно в классическом лоупасс фильтре, в данном случае вообще по барабану, потому что для сигнала, переменки, само сопротивление источника питания очень мало.

это буквально цепь резистор последовательно с сигналом (либо анодный резистор, когда он отдаёт ток, либо внутреннее сопротивление лампы, когда она тянет на себя), и этот конденсатор об землю (в данном случае не об землю но работает так же)

Оффлайн Винтик на отдыхе

  • Эксперт
  • *****
  • Сообщений: 2868
Re: Амп симуляторы от NaLex
« Ответ #2272 : Февраля 01, 2021, 21:11:49 »
Цитировать
Винтик на отдыхе, послушал в затычках, файлы очень похожи, C меньше всех понравился, B вроде помягче звучит

Ну, конечно, более похожи, из-за матчинга
Матчинг всех вариантов под какой-то один исключает разницу в линейных разницах, выделяя нелинейную.
Ведь, если варианты после матчинга станут 100% одинаковы - это будет значить, что подогнать один под другой можно лишь добавив соответствующий импульс!
А вот любые различия после матчинга всех вариантов под один - выявляют уже нелинейные различия...

Категорически рекомендуется для этого применять прогу deLuther-a - MatcherCL.
Как гарантирующую максимально точный результат матчинга.
За что ему завсегдашняя честь и хвала!

Все желающие уже попробовали угадайку, или можно уже сказать где что?

Цитировать
Чем он тебе не законченный?
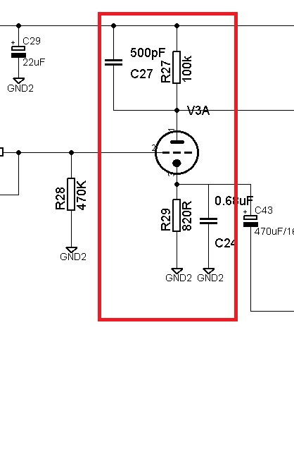
В правой части после твоего красного прямоугольника.
Общий анод в этом случае надо замыкать и через что, резистор?
Или его не надо продолжать, а замыкать цепь только через контакт между R27 и V3A... и опять таки, через что.. резистор? Какого номинала?

Цитировать
блин... кондер в аноде будет всегда резать верх
Точно всегда?
А если земля как раз на плюсе, а не на минусе?
Можешь проверить на LTspice

Где земля - там напряжение нулевое
И тогда мы можем понимать другой полюс как источник напряжения, а землю - как источник тока (разрядки)
Кондер перед резистором в простой схеме СR-фильтра - это какбе "хайпасс напряжения" - и если мы для своей пользы юзаем именно напряжение - будет хайпасс... а если ток - лоупасс...
Кондер после резистора в банальной схеме RC-фильтра - это уже какбе "зхйпасс тока" - что для напряжения в точке нде мы в качестве пользы снимаем именно няпр. - будет как раз наоборот - лоупасс.. а если бы мы брали ток - хайпасс
« Последнее редактирование: Февраля 01, 2021, 21:18:41 от Винтик на отдыхе »

Оффлайн SkinnyVampire

  • Живу на форуме
  • *******
  • Сообщений: 13812
  • индастриал-блондинко =)
    • Братство Вампиров
Re: Амп симуляторы от NaLex
« Ответ #2273 : Февраля 01, 2021, 21:15:27 »
Точно всегда?
А если земля как раз на плюсе, а не на минусе?
Можешь проверить на LTspice
да то же самое будет, переменному сигналу вообще без разницы где там плюс а где минус

Оффлайн Винтик на отдыхе

  • Эксперт
  • *****
  • Сообщений: 2868
Re: Амп симуляторы от NaLex
« Ответ #2274 : Февраля 01, 2021, 21:19:14 »
Цитировать
да то же самое будет, переменному сигналу вообще без разницы где там плюс а где минус

В подвешенной схеме, а не где есть "земля"

Оффлайн SkinnyVampire

  • Живу на форуме
  • *******
  • Сообщений: 13812
  • индастриал-блондинко =)
    • Братство Вампиров
Re: Амп симуляторы от NaLex
« Ответ #2275 : Февраля 01, 2021, 21:22:05 »
если ты только сигнал вдуваешь наоборот в туда где должно быть питание, или снимаешь его оттуда, перевернув все с ног на голову. в реальной жизни от этого нет смысла, усилитель же, а не чето там...

Оффлайн Винтик на отдыхе

  • Эксперт
  • *****
  • Сообщений: 2868
Re: Амп симуляторы от NaLex
« Ответ #2276 : Февраля 01, 2021, 21:24:31 »
Надо стараться лучше разобраться, не уповая лишь на школьные учебники...

Чего я желаю и себе и всем, особенно слишком успокоившимся в самомнении себя как "Знатоков"
Мне то легко - я и так нуб и лузер - у меня нет вредных зашоренностей нащет того что я якобы 100% понял то - что на самом деле понял так себе.... шаблонно, как втюхали в школе
Или ещё где-то там... ваши "водопроводческие" понимания электричества меня смешат и коробят
« Последнее редактирование: Февраля 01, 2021, 21:27:08 от Винтик на отдыхе »

Оффлайн NSb-2

  • Живу на форуме
  • *******
  • Сообщений: 7398
  • Shit in - Shit out
    • pornhub.com
Re: Амп симуляторы от NaLex
« Ответ #2277 : Февраля 01, 2021, 21:27:18 »
Винтик на отдыхе,

смари

... и добавил:

Винтик на отдыхе,

Цитировать
Общий анод в этом случае надо замыкать и через что, резистор?
Или его не надо продолжать, а замыкать цепь только через контакт между R27 и V3A... и опять таки, через что.. резистор? Какого номинала?
Да убери все лишнее, или сам рисуй простой каскад.
« Последнее редактирование: Февраля 01, 2021, 21:28:53 от NSb-2 »

Оффлайн Винтик на отдыхе

  • Эксперт
  • *****
  • Сообщений: 2868
Re: Амп симуляторы от NaLex
« Ответ #2278 : Февраля 01, 2021, 21:31:08 »
Цитировать
смари

Во!
Вот это уже конкретика!

Теперь осталось сообразить что в схеме порождает колебательный контур или его какой эквивалент

Тут надо еще много тестить и думать......

Оффлайн NSb-2

  • Живу на форуме
  • *******
  • Сообщений: 7398
  • Shit in - Shit out
    • pornhub.com
Re: Амп симуляторы от NaLex
« Ответ #2279 : Февраля 01, 2021, 21:32:01 »
Надо стараться лучше разобраться, не уповая лишь на школьные учебники...

Чего я желаю и себе и всем, особенно слишком успокоившимся в самомнении себя как "Знатоков"
Мне то легко - я и так нуб и лузер - у меня нет вредных зашоренностей нащет того что я якобы 100% понял то - что на самом деле понял так себе.... шаблонно, как втюхали в школе
Или ещё где-то там... ваши "водопроводческие" понимания электричества меня смешат и коробят

Мля, я тебе же русским языком объяснил!
Анод - влияние нагрузки и внутреннего сопротивления - сопротивление кондера зависит от частоты.
Катод - местная ООС, с увеличение частоты сопротивление кондера падает, ООС устраняется - усиление лампы начинает расти.

Причем тут зашоренность или снобизм и прочие твои бредни? Тебе русским языком описан происходящий процесс.
Ты сам не понимаешь.