Автор Тема: Bogner Sharp  (Прочитано 102563 раз)

0 Пользователей и 1 Гость просматривают эту тему.

Оффлайн vorlicheck

  • Новичок
  • *
  • Сообщений: 41
  • GuitarPlayer.Ru fan!
Re: Bogner Sharp
« Ответ #420 : Октября 20, 2018, 14:27:49 »
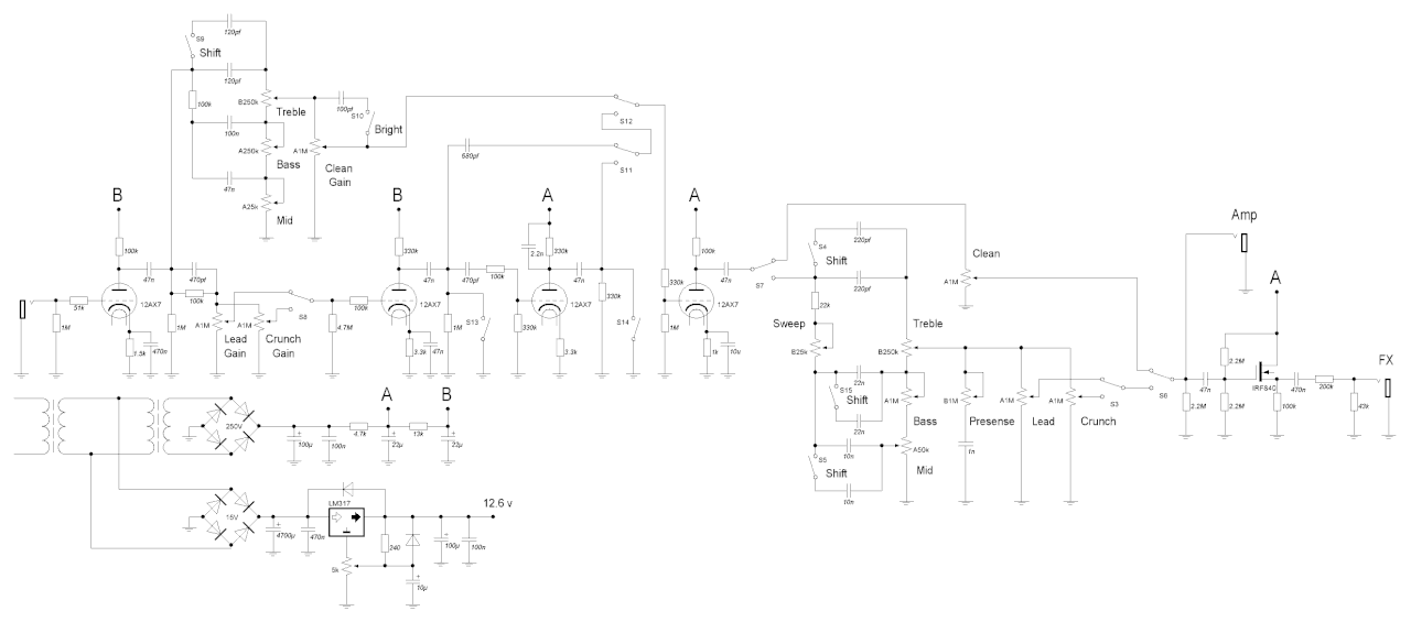
Добрейшего времечка суток. Нашёл на гтлабе схемку очередного шарпа. Есть идея запилить п.п. под рэк.
Не подскажите, S13 and S14 обязательны к установке или можно 3-х канальник в данном случае иначе обвязать. Если нет- то обязательно ли нужно шунтирование S13. Прошу поделиться соображениями на данный счёт.



Оффлайн AZG

  • Живу на форуме
  • *******
  • Сообщений: 95731
  • Санкт-Петербург
    • AZG CUSTOM
Re: Bogner Sharp
« Ответ #421 : Октября 20, 2018, 15:01:39 »
13 и 14 - это мюты. На реле переключения каналов. Обязательны. 13 - это общий мют перегруза, включается при переключении на чистый. 14-й это мют Лида при переключении на Кранч.

У 13-го шунтирования нет, резистор на 1М обязателен.

А вот все эти Shift-ы убрать нахрен, не нужны они в таком количестве. На ТБ перегруза в ВЧ можно один оставить и все.
Плюс не помешает разделить прегейновые цепочки Лида и Кранча с разной АЧХ.

В повторителе ИРФ заменить на LND150.

Оффлайн vorlicheck

  • Новичок
  • *
  • Сообщений: 41
  • GuitarPlayer.Ru fan!
Re: Bogner Sharp
« Ответ #422 : Октября 27, 2018, 20:08:48 »
Огромное спасибо! ;) будем пилить! :)

Оффлайн Vlds

  • Эксперт
  • *****
  • Сообщений: 2622
Re: Bogner Sharp
« Ответ #423 : Октября 31, 2018, 12:01:30 »
если в рэке, то может стоить добавить третью лампу и избавиться от транзисторного костыля на выходе? А так же развязать лид и кранч каналы своими триодами?

Оффлайн AZG

  • Живу на форуме
  • *******
  • Сообщений: 95731
  • Санкт-Петербург
    • AZG CUSTOM
Re: Bogner Sharp
« Ответ #424 : Октября 31, 2018, 12:06:01 »
Костыля тут нет. Повторитель чем прозрачнее тем лучше.

А так да, можно и все раздельно можно. Но я бы лучше сделал 3-х каскадный клин, чем полностью отдельный. Входной каскад ничего страшного клину не сделает.

Оффлайн SoMik

  • Завсегдатай
  • ***
  • Сообщений: 405
  • больше олова и будет здорова... наверное
    • Доска объявлений Кемеровской области
Re: Bogner Sharp
« Ответ #425 : Декабря 17, 2018, 17:53:54 »
Какой транс брать?
25Вт (240в+12в)
или
25Вт (300в+12в)

Онлайн M1g

  • Живу на форуме
  • *******
  • Сообщений: 7239
  • The MUTILATOR
Re: Bogner Sharp
« Ответ #426 : Декабря 17, 2018, 18:42:37 »
300

Оффлайн Tander

  • Ветеран форума
  • ******
  • Сообщений: 3732
    • Efremoff
Re: Bogner Sharp
« Ответ #427 : Декабря 18, 2018, 12:11:03 »
И вот вопрос - есть ли какие-то вменяемые трансформаторы импортные, которые дают 250-300в и 12в, для питания преампов, но так чтобы влазили в рэк 1U? транслед делает свои тпк-15-л033, но в европах его не купишь... А Indel - не делает ничего серийного в таких габаритах....

Оффлайн Angel

  • Опытный
  • ****
  • Сообщений: 769
Re: Bogner Sharp
« Ответ #428 : Декабря 18, 2018, 12:21:07 »

Онлайн M1g

  • Живу на форуме
  • *******
  • Сообщений: 7239
  • The MUTILATOR
Re: Bogner Sharp
« Ответ #429 : Декабря 18, 2018, 13:34:13 »
Tander, тпк-15-л033 тоже в рэк 1U не особо лезет, его лучше с первыми электролитами и мостами в корпус внешнего блока питания вынести.
В 1U однозначно тор напрашивается.


Оффлайн Tander

  • Ветеран форума
  • ******
  • Сообщений: 3732
    • Efremoff
Re: Bogner Sharp
« Ответ #430 : Декабря 18, 2018, 14:29:09 »
о, как.... а я вот был уверен что он влазит в рэк...
Angel, транс норм. Только вот цена....

Оффлайн SoMik

  • Завсегдатай
  • ***
  • Сообщений: 405
  • больше олова и будет здорова... наверное
    • Доска объявлений Кемеровской области
Re: Bogner Sharp
« Ответ #431 : Декабря 18, 2018, 14:54:40 »
300
спасибо. хотел брать 240

Оффлайн Darksid

  • Эксперт
  • *****
  • Сообщений: 1198
  • Паяю не спеша для души.....
Re: Bogner Sharp
« Ответ #432 : Декабря 18, 2018, 15:01:14 »
о, как.... а я вот был уверен что он влазит в рэк...
Angel, транс норм. Только вот цена....
Влазит ТПГ-15-048 но есть одно но приходиться подклееивать скотч под крышку\в итоге намотали по высоте Торик 30мм из 37мм допустимых по рэку1U
.https://picua.org/image/rntmv3zu4.nxwoCm
https://picua.org/image/lqzrqfkh8oijpg555.nxwNz0

Оффлайн AZG

  • Живу на форуме
  • *******
  • Сообщений: 95731
  • Санкт-Петербург
    • AZG CUSTOM
Re: Bogner Sharp
« Ответ #433 : Декабря 18, 2018, 16:31:32 »
У ТрансЛеда для реков идеально ТПК-30 идет. Плоский и вполне удобный по крепежу.

Оффлайн Tander

  • Ветеран форума
  • ******
  • Сообщений: 3732
    • Efremoff
Re: Bogner Sharp
« Ответ #434 : Декабря 18, 2018, 16:39:53 »
А кто мне может прислать парочку в польшу? )) с анодной в 240-250 и накальной на 12в? ))