Автор Тема: Домашний Push-Pull усилитель (3x12AX7 + ГУ-17) 4-6 Вт, один канал. (закончено)  (Прочитано 92628 раз)

0 Пользователей и 1 Гость просматривают эту тему.

Оффлайн OlegRad

  • Новичок
  • *
  • Сообщений: 59
  • GuitarPlayer.Ru fan!
Петля из CHAOS44, который теплый, ламповый, домашний. Просто в разрыв перед мастером втыкается
А золотой резистор 8 Om 25 W справа вверху - для отключения динамика ? Просто как защита при выдергивании штекера - линейный выход не добавлен ?

Оффлайн bicefar

  • Новичок
  • *
  • Сообщений: 6
  • GuitarPlayer.Ru fan!
Да. Просто защита выходника. Ну и при подключении с сэнда в другой оконечник можно кабинет переключить

Оффлайн major73727

  • Эксперт
  • *****
  • Сообщений: 1843
  • Новосибирск.
Добрый день. Хочу попробовать скрестить предусилитель жсм 800 с выходным на ГУ-17.
Как лучше согласовать по анодному напряжению.
Преду нужно под +400 В для нормальной работы, как я понимаю.
У ГУ-17 +400В - предельно допустимое анодное. Не полыхнет ГУ-шка в таком режиме?

Оффлайн AZG

  • Живу на форуме
  • *******
  • Сообщений: 95467
  • Санкт-Петербург
    • AZG CUSTOM
major73727, Придется ваять полностью раздельное питание. В принципе можно двух-трех-этажное сделать если говорить про питание вторых сеток ГУ-17.

Преампу достаточно 350-370В. По факту там примерно так и есть.

Оффлайн major73727

  • Эксперт
  • *****
  • Сообщений: 1843
  • Новосибирск.
На анодном трансе
4 обмотки по 93 В 70 мА
и 2 шт по 22 В 70 мА.
Т.е. правильно будет сделать питание по этажам и на ГУ отвести вольт 280-300?
С питанием вторых сеток планирую не заморачиваться - взять от анодного источника через RC фильтр.
« Последнее редактирование: Сентября 08, 2022, 11:29:59 от major73727 »

Оффлайн AZG

  • Живу на форуме
  • *******
  • Сообщений: 95467
  • Санкт-Петербург
    • AZG CUSTOM
major73727, ну раз такие шаги есть, то да, можно 2-3 этажа сделать. 200В на 2-ю сетку, 300В на анод ГУ, 350-400В на преамп.

Первый шаг 93+22+22, и далее по два шага по 93В. Хотя на последнем мы уже за 460 скакнем. Короче, варианты есть.

Оффлайн major73727

  • Эксперт
  • *****
  • Сообщений: 1843
  • Новосибирск.
Ну, что-то вот такое получилось:

Имеет право на жизнь?

« Последнее редактирование: Сентября 09, 2022, 11:37:48 от major73727 »

Оффлайн Alex_SG

  • Живу на форуме
  • *******
  • Сообщений: 7526
  • хейтер и пессимист :crazy:
major73727, В целом всё выглядит логично, но нужно учитывать, что при реальной нагрузке там не получится выжать анодного, равного амплитудному по переменке. Ну либо ёмкости после мостов какие то запредельные ставить.

Оффлайн sadky

  • Эксперт
  • *****
  • Сообщений: 2611
В реале под нагрузкой будет в районе 1,3÷1, 33 от переменки.

Оффлайн major73727

  • Эксперт
  • *****
  • Сообщений: 1843
  • Новосибирск.
Да, подсядет, конечно. Можно будет поиграть комбинациями обмоток анодных. А лучше в макете дать нашрузку реальную на все обмотки...

Оффлайн Spero_In_Inteligo

  • Живу на форуме
  • *******
  • Сообщений: 8874
  • Код пишу, на досуге на проволоку нажимаю.
Да, подсядет, конечно. Можно будет поиграть комбинациями обмоток анодных. А лучше в макете дать нашрузку реальную на все обмотки...

... и присмотреться в макете к ТАНу на предмет фона (уж лучше перестраховаться. да и экранной обмотки вроде нет в ТАНах). ;)

Оффлайн sadky

  • Эксперт
  • *****
  • Сообщений: 2611
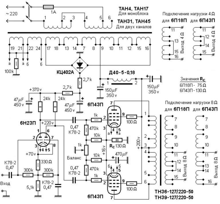
major73727,
Только что случайно попалась статья:
https://mainavi.ru/story/kak-sobrat-lampovyj-usilitel/
Там в середине есть схема - как раз с применением ТАН-4 и с "двухэтажным " питанием мощника и преампа, и даже напряжения на схеме подписаны. Вдруг пригодится хотя бы в качестве идеи...

Оффлайн Alex_SG

  • Живу на форуме
  • *******
  • Сообщений: 7526
  • хейтер и пессимист :crazy:
sadky, Если имеется в виду вот эта вот схема с питанием выходного каскада через дроссель от отвода ровно от середины первички, то я спросонья никак не могу врубиться как оно работает...
А банки из-под зелёного горошка в качестве колпаков трансформаторов это прикольно, да :)

Оффлайн yami

  • Опытный
  • ****
  • Сообщений: 759
  • GuitarPlayer.Ru fan!
major73727,
Только что случайно попалась статья:
https://mainavi.ru/story/kak-sobrat-lampovyj-usilitel/
Там в середине есть схема - как раз с применением ТАН-4 и с "двухэтажным " питанием мощника и преампа, и даже напряжения на схеме подписаны. Вдруг пригодится хотя бы в качестве идеи...
Первоисточник. Может там что есть почитать
http://www.radiostation.ru/home/usilitel-tntv1.html

Оффлайн Alex_SG

  • Живу на форуме
  • *******
  • Сообщений: 7526
  • хейтер и пессимист :crazy:
yami, Точно, схема то уж больно знакомая. И тут до меня дошло как работает выпрямитель для выходного каскада  :crazy: ;D