на заборе тожэ много чего пишут.
Если включить голову, то коэффициент пульсаций у двухполупериода больше, но частота меньше, чем у моста
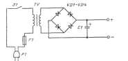
Я акцентировал раньше на то, что пишу только то что проверил лично, а не просто чешу язык. Может правда неправильно выразился, уточню. Выпрямитель двухполупериодный со средней точкой

менее подвержен помехам и фону, чем мостовой

Есть разные теории почему. Мне наиболее правдоподобна та, которая говорит что в первом случае обмотка всегда подключена к земле, независимо от работы выпрямителя. То же касается и схем где применен кенотрон.
Во втором случае синусоида напряжения проходя через порог "выключения" полупроводникового диода с частотой 100 раз отключает обмотку от земляной шины. Есть и другие негативные моменты.
В связи с этим, в первом случае для фильтрации вполне достаточно конденсаторов 8-10 мкф., во втором приходится увеличивать до нескольких десятков мкф (47-100 ).