Что то конкретно не так, чего то я видимо в упор не вижу, собрал старый конфиг, а он тоже фонить стал даже с двумя каскадами и даже при вытащенном трансформаторе.
Господа посоветуйте как можно собрать все в данном корпусе и с данными компонентами? Вот если кому не лень отрисовать сборочный чертеж? У меня уже просто вынос мозга случился 
Вот не хочу я покупать китайские резисторы и конденсаторы...
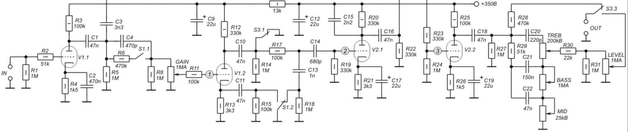
"Сборочный чертеж" называется layout, "лейка" по нашему. В сети масса леек на 800-ку. Вот, к примеру:

Не пойму, какого чуда вы ожидаете от совковых деталек? Никакой магии в них нет. Не хотите китайские - возьмите Vishay, Wima, Epcos. Те же тайваньские резисторы Royal Ohm дают стабильный предсказуемый результат.
Применение новых, заведомо исправных комплектующих значительно упростит задачу, а сборка строго по проверенной лейке даст 100% результат.
Городить кашу из совковых деталек, с совершенно другими номиналами, и прочей отсебятиной - возможно сам процесс весьма занимательный, но это в случае, если интересен процесс, а не результат