Rolly, Geezer, Outdoor,
Приступаем к выяснению последнего вопроса.
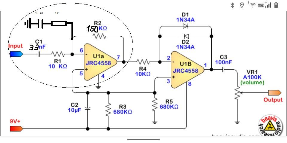
Почему к инверсному входу "импедансный" резюк подключен последовательно, а к неинверсному - параллельно ?
Вопрос очень наивный, свидетельствующий о том, что спрашивающий слабо представляет принцип работы схем на ОУ. Простой ответ: так устроены схемы.
Попытаюсь объяснить детальней.
Во-первых, резистор на +входе необязателен, его может и не быть, и его роль может прекрасно выполнять источник сигнала, например, тот же гитарный датчик. Этот R необходим только в случае, когдо имеется разделительный конденсатор или если необходимо какое-то определённое входное сопротивление (вот только в таком случае этот R можно назвать "импедансным" по вашей терминологии).
Нарисуем базовую схему без "лишних" элементов. Для упрощения полагаем, что источник гальванически связан с общим проводом, т.е. резистор на +входе не нужен.

Всего лишь меняя местами источник сигнала и общую точку (землю), получаем две основные схемы включения ОУ. В первой схеме R1 соединён с общим, во второй - с источником сигнала. При этом, можно дорисовать резистор к +входу (R+), от этого ничего принципиально не поменяется, т.к. этот резистор не входит в формулу рассчёта К ус.

Вот и всё, так устроены схемы, таково место элементов в этих схемах. Повторю, вопрос наивный. С таким же успехом можно спросить, почему резистор иногда стоит в коллекторе транзистора, иногда в эмиттере, а иногда и там, и там одновременно.
Намного интересней разобрать ситуацию с якобы похожим включением той самой злополучной дополнительной RC-цепочки. Если говорить о подобии, то вот её место в обеих схемах, в этом случае подобие 100% и влияние этой цепочки будет одинаковым.

Если необходимо регулирование, то оно тоже будет происходить одинаково и там, и там (стрелка на резисторе), правда, в различных пределах из-за различных формул К ус для этих схем.

А вот эта схема из стартового поста - это просто недоразумение, RC-цепочка 1uF/1k применена некорректно и того самого подобия - ровно ноль (сравните с моим рисунком), о чём вам тут все написали. Я уже объяснял, почему это так, но придётся повторить немного другими словами, т.к вы ничего не поняли. Итак, в инв. включении ОУ его инв. вход - это виртуальный 0, надеюсь, вы это знаете, а также имеете некоторое представление о том, что такое вирт. 0. Доп. RC-цепочка включена между общим проводом и этим вирт. 0, т.е. точками, между которыми нет напряжения сигнала, значит, сигнальный ток через неё не течёт, значит, эта цепочка не будет оказывать никакого влияния на работу схемы. Это с идеальным ОУ, с реальным что-то будет происходить, так как вирт. 0 не идеален, глубина ООС не бесконечна и т.п. Поэтому результат будет очень зависеть от типа ОУ (от степени его неидеальности), от номиналов R обвязки (притом, для различных ОУ в разной степени) и т.п. А вот так делать не стоит, т.к. сильная компонентозависимость - это порочная практика. Но если очень хочется, то конечно же, можно попробовать. Но при этом шум гарантировано возрастёт в R1/Rx раз, в данном случае, в 10 кОм/1кОм = в 10 раз или на 20 дБ(!) на ровном месте.
ПС. Вообще-то, подобная RC-цепочка в этом месте, но правда, с другими номиналами, применяется для корректировки декомпенсированных (частично скорректированных) ОУ, каковым 741, да и вообще все "примочечные" ОУ, не являются. Это называется Noise Gain Compensation, и об этом можно нагуглить много статей. Если номиналы правильные, то в звуковом диапазоне рост шума не наблюдается. Вот страницы из книги Титце и Шенка об этом.
