P/sДумаю... переключусь, наверное, пока на изучение ВЭквл полосного RLC-фильтра (band-pass)
Там взаимодействие катушки и кондёра - это как делитель тока с частотно-переменными резисторами...

Между делителем тока и делит. напряж - есть не только разница, но и кое что общее..
Недаром, я когда моделировал делитель напряжения о трёх резисторах -
задачка решилась использованием внутри делителя тока...

Может на сравнении обеих вариантов таки пойму некую суть, которую пока еще не догоняю до конца.
Алгоритмами всеж точнее и ты не привязан к конструктору. Можешь гибко выстругивать аленький цветочек как угодно +оптимизация на прожорливость.
Так у меня по большей части и есть на ологритмах, собственного изобретения велосипеда...
Как вон с тем модулем "X-Y кривой", к примеру...
... и добавил:P/s
Во... узрел очевидное...

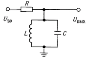
Если сравнить оба типа RLC-фильтров, и потыкать их в LTspice на всех любых контактах и деталях...
.. то оказывается, что там везде и всюду - и волна тока - и волна напряжения имеет характер полосной фильтрации, нет никаких хайпассов с лоупассами..
Все таки, видимо, для модели со всеми переменными (R, L и C) лучше применение двух цифровых полосных фильтров с разными настройками...
Эти два фильтра при банальном смешивании дают на резисторе искомую волну тока и соотв. обратную волну напряжения на контакте между R и LC
Надо было сразу с этой схемы начинать..
