Автор Тема: Обсудим в очередной раз петлю  (Прочитано 156294 раз)

0 Пользователей и 1 Гость просматривают эту тему.

Оффлайн JoeDominges

  • Эксперт
  • *****
  • Сообщений: 1120
Re: Обсудим в очередной раз петлю
« Ответ #330 : Января 10, 2013, 19:17:47 »
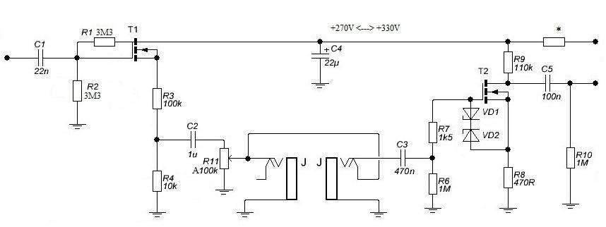
C1 и C5, я думаю, надо на 450 В.

Оффлайн siwang

  • Завсегдатай
  • ***
  • Сообщений: 405
Re: Обсудим в очередной раз петлю
« Ответ #331 : Января 11, 2013, 06:47:16 »

А поконкретнее пожалуйста. Там вобщем-то двусторонняя плата, и вторая сторона сплошная земля. Как-бы не должно быть гроундлупа  ???
Хотя теперь всё равно переделать нужно... :rolleyes:
между гнездами сенда-ретерна. земля на гнезде сенда должна подключаться только когда в ретерн ничего не воткнуто, а на ретерне должна быть постоянно.

... и добавил:

И ещё ... C1 22n не маловат?
там входное 3М3, 22n за глаза.
« Последнее редактирование: Января 11, 2013, 06:56:36 от siwang »

Оффлайн manul

  • Опытный
  • ****
  • Сообщений: 561
Re: Обсудим в очередной раз петлю
« Ответ #332 : Января 11, 2013, 07:55:44 »
между гнездами сенда-ретерна. земля на гнезде сенда должна подключаться только когда в ретерн ничего не воткнуто, а на ретерне должна быть постоянно.

... и добавил:
там входное 3М3, 22n за глаза.

Ups!!! Спасибо... ;)

Оффлайн KMG

  • Опытный
  • ****
  • Сообщений: 844
  • completely insane
    • KMG personal page
Re: Обсудим в очередной раз петлю
« Ответ #333 : Января 11, 2013, 09:00:16 »
Цитировать
там входное 3М3
Цитировать
Чтобы сохранить входной импеданс не менее 2М/2М, они по переменке в параллель сидят.
То есть 2х3М3 = 1М65 входного импеданса.
Но, 22n действительно хватит.
« Последнее редактирование: Января 11, 2013, 09:02:08 от KMG »

Оффлайн siwang

  • Завсегдатай
  • ***
  • Сообщений: 405
Re: Обсудим в очередной раз петлю
« Ответ #334 : Января 11, 2013, 09:09:14 »
То есть 2х3М3 = 1М65 входного импеданса.
Но, 22n действительно хватит.
в параллель с чем? с R1? тогда уж 1М677   :crazy:

Оффлайн KMG

  • Опытный
  • ****
  • Сообщений: 844
  • completely insane
    • KMG personal page
Re: Обсудим в очередной раз петлю
« Ответ #335 : Января 11, 2013, 09:21:59 »
3М3 на землю (R2) и 3М3 на питание  (R1) по переменке сидят в параллель!
Так как по переменке питание и земля замкнуты через C4.
« Последнее редактирование: Января 11, 2013, 09:26:22 от KMG »

Оффлайн siwang

  • Завсегдатай
  • ***
  • Сообщений: 405
Re: Обсудим в очередной раз петлю
« Ответ #336 : Января 11, 2013, 09:26:59 »
3М3 на землю (R2) и 3М3 на питание  (R1) сидят в параллель!
Так как по переменке питание и земля замкнуты через C4.
... к тому моменту когда С4 успеет разрядиться

Оффлайн KMG

  • Опытный
  • ****
  • Сообщений: 844
  • completely insane
    • KMG personal page
Re: Обсудим в очередной раз петлю
« Ответ #337 : Января 11, 2013, 09:31:13 »
Цитировать
... к тому моменту когда С4 успеет разрядиться
Не понял юмора, от чего разрядиться?
С4 - 22uF в фильтре питания, для звуковых частот это кз по переменке.

Оффлайн manul

  • Опытный
  • ****
  • Сообщений: 561
Re: Обсудим в очередной раз петлю
« Ответ #338 : Января 11, 2013, 09:53:00 »
3М3 на землю (R2) и 3М3 на питание  (R1) по переменке сидят в параллель!
Так как по переменке питание и земля замкнуты через C4.
Не понял юмора, от чего разрядиться?
С4 - 22uF в фильтре питания, для звуковых частот это кз по переменке.
Вот как раз С4 я то и не учёл... :rolleyes:

... и добавил:

KMG, Спасибо!!!

Оффлайн siwang

  • Завсегдатай
  • ***
  • Сообщений: 405
Re: Обсудим в очередной раз петлю
« Ответ #339 : Января 11, 2013, 10:02:51 »
Не понял юмора, от чего разрядиться?
С4 - 22uF в фильтре питания, для звуковых частот это кз по переменке.
эээ, ну в общем меня подзаклинило с переходными процессами и задержкой прохода сигнала через конденсатор, что там происходит при поступлении сигнала на затвор. получается это не влияет и С4 всегда с нулевым сопротивлением для звуковых частот?

ЗЫ если не сложно кто-нить засимьте пожалста по времени этот каскад с 22мФ в фильтре питания и 45 Гц на входе.
« Последнее редактирование: Января 11, 2013, 10:40:26 от siwang »

Оффлайн Crypt

  • Ветеран форума
  • ******
  • Сообщений: 3383
  • Technician
    • MEGATHERION
Re: Обсудим в очередной раз петлю
« Ответ #340 : Января 13, 2013, 14:53:53 »
Интересно, есть ли у кого уже практические результаты по созданию модуля петли?


Оффлайн SBB

  • Завсегдатай
  • ***
  • Сообщений: 308
Re: Обсудим в очередной раз петлю
« Ответ #341 : Января 15, 2013, 22:24:31 »
Интересно, есть ли у кого уже практические результаты по созданию модуля петли?



Я сделал по схеме KMG-Метроамп. Работает отлично. Уровень сигнала при включении/отключении не меняется. На характер звучания не влияет ( на слух)  Могу выложить печатку в LAY , если кто-то расскажет КАК это здесь делается.

Огромное спасибо за схему.

Оффлайн runing

  • Живу на форуме
  • *******
  • Сообщений: 12572
  • Киев
Re: Обсудим в очередной раз петлю
« Ответ #342 : Января 15, 2013, 22:30:55 »
Я сделал по схеме KMG-Метроамп. Работает отлично.

Ты делал по схеме в последней редакции?
« Последнее редактирование: Февраля 26, 2013, 21:44:15 от runing »

Оффлайн SBB

  • Завсегдатай
  • ***
  • Сообщений: 308
Re: Обсудим в очередной раз петлю
« Ответ #343 : Января 15, 2013, 23:08:18 »
Ты делал по схеме в последней редакции?

Нет, по предыдущей схеме , без подстроичников в сенде (  петля стоит после регулировки уровня преампа, им можно регулировать уровень сенда) и делителя  половины напряжения на затворе ( питание 300 В - с симетрией все отлично)

Оказывается я отстал от жизни, Alkuz плату уже нарисовал  :)  Только пятый Спринт его не читает.
« Последнее редактирование: Января 15, 2013, 23:11:09 от SBB »

Оффлайн Crypt

  • Ветеран форума
  • ******
  • Сообщений: 3383
  • Technician
    • MEGATHERION
Re: Обсудим в очередной раз петлю
« Ответ #344 : Января 15, 2013, 23:28:02 »
Я сделал по схеме KMG-Метроамп. Работает отлично. Уровень сигнала при включении/отключении не меняется. На характер звучания не влияет ( на слух) 

Дело то вот в чем... То что нарисовано на этих схемах как раз слышно, и если это не услышали, то что-то тут не так.
И я не случайно про это спрашиваю. Вы и правда этого не слышите?