Автор Тема: Peavey 5150 проект  (Прочитано 42769 раз)

0 Пользователей и 1 Гость просматривают эту тему.

Оффлайн Anatoly Avlet

  • Частый посетитель
  • **
  • Сообщений: 190
  • GuitarPlayer.Ru fan!
Re: Peavey 5150 проект
« Ответ #255 : Января 11, 2019, 20:18:43 »
RebelsLG, у Вас в самоделке стоит транс с Rаа=1700 Ом. Правильно?
Значит в пересчете с Rн=4 Ом на половину первички Rа (Ra=Raa/4=425 Ом), имеем коэффициент трансформации n=Sqrt(Ra/Rн)=10,3 (здесь Class B - пол-периода работает половина первички, вторая половина отключена. Помним, что для всей обмотки n=20,6 - Class A).
Если к этому 4-омному выходу подключить 10-омную нагрузку, то лампа увидит ее как Ra=n*n*10=1060 Ом. Как раз такая нагрузка будет соответствовать оптимальной для EL34.
Размах напряжения Up на аноде при питании HT=430 В и напряжении насыщения EL34 в открытом состоянии 60 В, Up=430-60=370 В, действующая величина U=370*0,707=261 В.
И мощность P=U*U/Ra=261*261/1060=64 Вт, которая в идеале попадет с первички в нагрузку.

Цитировать
Вообще по поводу 169 ватт вывод один - на частоте 10 кГц имеем другой коэффициент трансформации:)
В нагрузку через трансформатор попадает мощность из выходного каскада, которая берется из источника питания с учетом КПД (то есть вся потребляемая мощность уходит в нагрев деталей усилителя и в выходной сигнал.
Я это веду к тому, что эти 169 ватт, то есть 100 дополнительных, нужно еще где-то взять, а их штатный БП никак не даст.

А вообще интересно какая должна быть емкость чтобы частота 10кГц прошла в нагрузку с таким коэффициентом трансформации?Давайте просто оценим емкость не беря в расчет транс. Нагрузка 10 Ом. Характеристическое сопротивление емкости в 90 Ом даст удвоение сигнала (примерно). То есть С=1/(2*pi*f*Xc)=0,18 мкФ, что нереально много для межобмоточной емкости.
« Последнее редактирование: Января 12, 2019, 17:45:56 от Anatoly Avlet »

Оффлайн Андрей Барыга

  • Завсегдатай
  • ***
  • Сообщений: 335
  • Если у меня чего-то нет, то оно вам и не нужно.
Re: Peavey 5150 проект
« Ответ #256 : Декабря 23, 2019, 08:53:20 »
GDR, Насколько я знаю, Санька тоже долго боролся с возбудом. В результате резистор 470К вместе с реле помещался в экран из текстолита, после этого все было хорошо. Сейчас разрабатываю рэковый вариант этого преда, предусмотрел заранее место под экран и вывод сигнала экранированными проводами.

Оффлайн fewa-watraco

  • Ветеран форума
  • ******
  • Сообщений: 3860
  • fewtubefx
Re: Peavey 5150 проект
« Ответ #257 : Апреля 22, 2020, 10:12:34 »
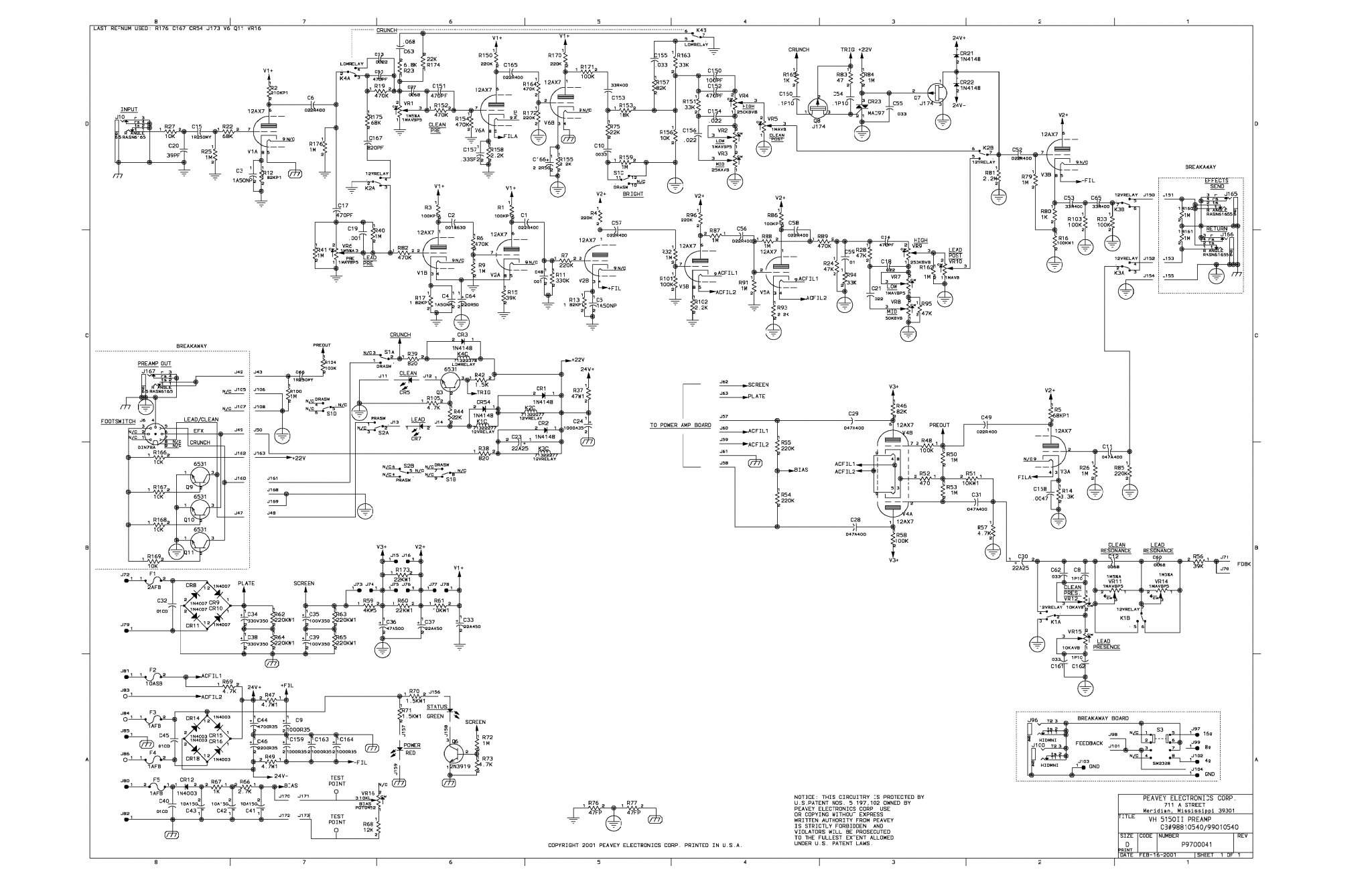
сделал пред по этой схеме в ltspice  один в один (прикрепил)
а по схеме в 5150 ltspice  нет нормального звука (схема с ошибкой?)
« Последнее редактирование: Апреля 22, 2020, 10:37:25 от fewa-watraco »

Оффлайн Виолет Поносов

  • Эксперт
  • *****
  • Сообщений: 1969
    • VarrAmp.com
Re: Peavey 5150 проект
« Ответ #258 : Апреля 22, 2020, 12:23:39 »
а в чем критерий нормальности? звучит как хай-гейн преамп в линию

... и добавил:

Вот, к примеру, последовательно включают DI сигнала с гитары, потом выход с преампа 5150, потом обработанный кабсимом сигнал https://youtu.be/f7rV-3Z8KmU
« Последнее редактирование: Апреля 22, 2020, 12:56:01 от Виолет Поносов »

Оффлайн fewa-watraco

  • Ветеран форума
  • ******
  • Сообщений: 3860
  • fewtubefx
Re: Peavey 5150 проект
« Ответ #259 : Апреля 22, 2020, 14:11:25 »
а в чем критерий нормальности? звучит как хай-гейн преамп в линию

... и добавил:

Вот, к примеру, последовательно включают DI сигнала с гитары, потом выход с преампа 5150, потом обработанный кабсимом сигнал
(нажмите чтобы показать/спрятать)
для меня нормально, это когда звучит похоже на оригинал, в данном случае на реамп через реальный усилитель
вот две записи по схеме 5150 и 6505
никаких обработок, все настройки крутилок одинаковые, изменены только детали как в схеме (прикрепил)
« Последнее редактирование: Апреля 22, 2020, 14:17:17 от fewa-watraco »

Оффлайн Виолет Поносов

  • Эксперт
  • *****
  • Сообщений: 1969
    • VarrAmp.com
Re: Peavey 5150 проект
« Ответ #260 : Апреля 22, 2020, 15:21:18 »
так в схеме же нет кабинета с динамиками, а на реампе - есть.

Оффлайн fewa-watraco

  • Ветеран форума
  • ******
  • Сообщений: 3860
  • fewtubefx
Re: Peavey 5150 проект
« Ответ #261 : Апреля 22, 2020, 15:32:02 »
так в схеме же нет кабинета с динамиками, а на реампе - есть.
нет, в реампе который я прекрепил нет кабинета с динамиком

Оффлайн Виолет Поносов

  • Эксперт
  • *****
  • Сообщений: 1969
    • VarrAmp.com
Re: Peavey 5150 проект
« Ответ #262 : Апреля 22, 2020, 15:34:56 »
то есть 6505 - симуляция в Ltspice а 5150 - реамп? как по мне то весьма похоже звучат оба

Оффлайн fewa-watraco

  • Ветеран форума
  • ******
  • Сообщений: 3860
  • fewtubefx
Re: Peavey 5150 проект
« Ответ #263 : Апреля 22, 2020, 15:41:51 »
то есть 6505 - симуляция в Ltspice а 5150 - реамп? как по мне то весьма похоже звучат оба
* 5150 DI +2dBu Preamp Out_sel.mp3 - это реамп через реальный усилитель
* 5150 6505 ltspice.zip - это через ltspice по схемам

Оффлайн AntonVIP

  • Живу на форуме
  • *******
  • Сообщений: 13729
  • Люблю качественную музыку в стиле "мясо"
    • Страница на ютубе
Re: Peavey 5150 проект
« Ответ #264 : Апреля 23, 2020, 20:05:59 »
fewa-watraco, петлю делал?
Я тоже сначала делал по схеме комбо - звук не понравился. Петлю не делал, т.к. она там каменная.
Переделал по схеме 5150 ii, т.е. 6505 голова, сделал петлю (в схеме головы она ламповая), и всё стало на свои места. В линию сигнал берём с сенда, в мощник , соответственно, с ретарна. Без петли эта же схема правильно не звучит, проверено  ;)

Оффлайн Rolly

  • Живу на форуме
  • *******
  • Сообщений: 9031
  • Мнение - не повод получить пулю сразу.
Re: Peavey 5150 проект
« Ответ #265 : Апреля 26, 2020, 11:02:25 »
Переделал по схеме 5150 ii, т.е. 6505 голова, сделал петлю (в схеме головы она ламповая), и всё стало на свои места. В линию сигнал берём с сенда, в мощник , соответственно, с ретарна. Без петли эта же схема правильно не звучит, проверено  ;)
Позанудствую, но 5150 II - это 6505+ (плюс). Звук у него более чистый и сухой, меньше низа. 6505 - это 5150 первого издания, больше низа в тракте, брутальней звук.

Оффлайн AntonVIP

  • Живу на форуме
  • *******
  • Сообщений: 13729
  • Люблю качественную музыку в стиле "мясо"
    • Страница на ютубе
Re: Peavey 5150 проект
« Ответ #266 : Апреля 26, 2020, 11:25:20 »
Rolly, пардон, ошибся. Да. Так и есть.
Не буду утверждать, ковырял схемы давненько, но кажись схемы комбо и головы у 6505 также отличаются тем, что в комбо каменная петля, а в голове ламповая. Схемы преампов почти идентичны, а отсюда напрашивается вывод, что таки без петли "того" звука не будет  ???

Оффлайн Rolly

  • Живу на форуме
  • *******
  • Сообщений: 9031
  • Мнение - не повод получить пулю сразу.
Re: Peavey 5150 проект
« Ответ #267 : Апреля 26, 2020, 12:09:07 »
AntonVIP, там несколько сложнее. Комбо оригинального 5150 ближе к 5150-II и там тоже ламповая петля, а комбо 6505+ также близко к 5150-II (как и 6505+ голова), но там каменный посыл, который обходится, если в ретурн (ламповый) ничего не воткнуто.

... и добавил:

И говорят, что из 5150 можно сделать 6505+ (5150-II) (грелкой-низорезкой), а наоборот - нет.
« Последнее редактирование: Апреля 26, 2020, 12:11:59 от Rolly »

Оффлайн fewa-watraco

  • Ветеран форума
  • ******
  • Сообщений: 3860
  • fewtubefx
Re: Peavey 5150 проект
« Ответ #268 : Апреля 26, 2020, 13:23:40 »
возможно, нужна петля для 5150, не делал.
схема комбо 6505 работает без петли, все устраивает
может, потом попробую, сейчас mark2c пытаюсь собрать
« Последнее редактирование: Апреля 26, 2020, 13:26:29 от fewa-watraco »

Оффлайн AntonVIP

  • Живу на форуме
  • *******
  • Сообщений: 13729
  • Люблю качественную музыку в стиле "мясо"
    • Страница на ютубе
Re: Peavey 5150 проект
« Ответ #269 : Апреля 26, 2020, 13:26:22 »
возможно, нужна петля для 5150, не делал.

Я тоже сначала не делал. Потом пришлось городить "костыль", т.е. внедрять в корпус дополнительную маленькую платку с петлёй и ещё одну лампу. Нет бы сразу всё сделать красиво на одной плате, дак нет, решил сэкономить  :pozor: Зато сейчас всё звучит как надо  ;)